爆炸性危险气体分类 根据可能引爆的最小火花能量,我国和欧洲及世界上大部分国家和地区将爆炸性气体分为四个危险等级,如下表: 工况类别...
下载后可任意编辑实验室使用气体钢瓶的安全知识与实验室安全与防护心得体会汇编实验室使用气体钢瓶的安全知识在实验室可以使用气体钢瓶直接...
下载后可任意编辑实验室使用气体钢瓶的安全知识与实验室化验员 2024年个人工作总结范文汇编实验室使用气体钢瓶的安全知识在实验室可以使用...
SCU化工原理课程设计书——直管气流干燥器四川大学轻纺与食品学院陶瑞霄学号:0843091092目录一、绪 论 二、任务书三、流程1.流程图2.流...
安装准备—►管网安装设备及配件安系统调试及功能验word 整理版一. 编制说明:本施工方案是根据设计施工图,施工验收规范、质量验收统一...
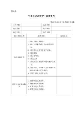
附录 E气体灭火系统竣工验收报告气体灭火系统竣工验收报告附表 E工程名称系统名称建设单位设计单位施工单位验收日期验收项目分类验收项目...
七年级下册第四单元第三章 人体的呼吸第二节 发生在肺内的气体交换 鼻 咽 喉 气管 支气管温故而知新,可以为师矣 外界的空气经过呼...
1 制取气体的常用装置1、 气体的发生装置:(1)加热高锰酸钾制取氧气:高锰酸钾锰酸钾 +二氧化锰 +氧气装置图如图( 1)(2)加热氯...
特种气体系统工程技术规范2011-04-0708:31:54|分类:默认分类|标签:气体特种管道气瓶阀门|字号订阅1总则1.0.1 为了在电子工厂特种气体系...
下载后可任意编辑员工有毒气体中毒事故应急预案与员工生日会策划方案汇编员工有毒气体中毒事故应急预案1、目的为了在发生员工中毒事故时,...
下载后可任意编辑员工培训工作计划样本与员工有毒气体中毒事故应急预案汇编员工培训工作计划样本一、建立集团公司、下属各分公司和车间班组...
施工方案会签表名称气体灭火系统管道试压、冲洗施工方案版本修订次单位部门姓名(签字)职务日期队长班长工程部(施技)质量部安保部质保部...
高二物理组 气 体(选修 3-3 )第八章 气 体高二物理组 气 体(选修 3-3 ) 打足气的自行车在烈日下曝晒,常会爆胎。为什么? ...
更多资料请访问.(.....)更多企业学院:...../Shop/《中小企业管理全能版》183套讲座+89700份资料...../Shop/40.shtml《总经理、高层管理...
驻马店市第十八初级中学王文静对人体吸入的空气和呼出气体的探究人体吸入的空气和呼出的气体有什么不同?1、方便面、饼干等拆封后放置一段...
石油化工企业可燃气体和有毒气体检测报警设计规范前言本规范是根据中石化(1996)建标字250号文的通知,由我公司对原《石油化工企业可燃气...
EN45544工厂气体–毒气检测和浓度测量的电气设备此标准由4部分内容构成:1)一般要求和测试方法2)限定值范围内浓度测量仪器的性能要求(可探...
标准文案第一章气体灭火系统设计参数气体灭火系统的设计应以《气体灭火系统设计规范》()、《气体灭火系统施工及验收规范》等国家现行规范...
下载后可任意编辑压力容器设备的爆炸应急预案与压缩气体和液化气体火灾事故应急处置方案汇编压力容器设备的爆炸应急预案1.目的本程序是为了...
麦克斯韦气体分子速率分布律课件目录CONTENTS•引言•麦克斯韦气体分子速率分布律•分布律的验证与实验•分布律的应用•分布律的扩展与展望...

