- 1 - / 35 广西固定源烟气排放连续监测系统验收技术文件被验收单位(盖章) :验收组织单位(盖章) :现场验收日期:- 2 - / ...
瓦斯排放安全技术措施一、安全技术措施(1 腓放前由瓦斯检查员对巷进行勘察,了解瓦斯超限长度、超限浓度、巷道状况、积水等情况。(2)排...
1.环境污染物处理及排放措施结合本工程情况,明确本工程环保工作的要点后,项目部将采取如下环境保护措施:(1)有害物质的存放和处理1)...
*- 5 ()*年 *******注意:排水去向类型选择"A"或"B"时,受纳水体必填11.所在流域L|工业废水集中处理厂12.排水去向类型2005流域名称:761...
ICS 130.040.40 Z 60 DB37 山东省地方标准 DB 37/ 2374—2013 山东省锅炉大气污染物排放标准 2013 - 05 - 24 发布 2013 -...
山东省海河流域水污染物综合排放标准(DB37/675-2007) 加入时间:2007-7-30 15:34:54 前 言 本标准的全部技术内容为强制性。 为尽快恢...
山东省小清河流域水污染物综合排放标准 (DB37/656-2006) 前 言 本标准的全部技术内容为强制性。 为 实现小清河流域水质目标,确保流...
山东省地方标准饮食业油烟排放标准
山东省南水北调沿线水污染物综合排放标准(DB37/ 599-2006) 本标准的全部技术内容为强制性。 为确保南水北调工程山东段水质安全,保障人...
城镇污水处理厂污染物排放标准GB189182002
城镇污水处理厂污染物排放标准 GB 18918—2002 1 范围 本标准规定了城镇污水处理厂出水、废气排放和污泥处置(控制)的污染物限值。 本...
城市扬尘源排放清单编制技术指南
下载后可任意编辑资源有限公司程序文 E&O CX-4.4.6/3-2024污染物排放控制程序修改状态/版本 0/B页码 1/71 目的为了有效的控制公司生产...
广东省地方标准- 水污染物排放限值DB44-26-2001
1 广东省制鞋行业挥发性有机化合物排放系数使用指南1.总则为贯彻落实国家《大气污染防治行动计划》、《广东省珠江三角洲清洁空气行动计划...
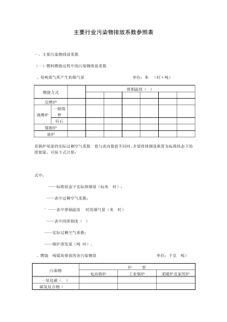
主要行业污染物排放系数参照表 一、主要污染物排放系数 (一)燃料燃烧过程中的污染物排放系数 1、每吨蒸气所产生的烟气量 [单位:米3/...
泥浆外 运排放方案( 总5 页) -CAL-FENGHAI.-(YICAI)-Company One1 -CAL-本 页 仅 作 为文 档 封 面 , 使 用 请 直 接...
污水综合排放标准 (GB8978-1996) 表1 第一类污染物最高允许排放浓度 单位:mg/L 序号 污染物 最高允许排放浓度 序号 污染物 最...
第 1 页 污染物排放管理制度 企业依据污染排查工作报告、环保管理职责等,绘制污染源分布图、污染物处理流程图、企业环境管理责任体系...
下载后可任意编辑锅炉烟气超标排放应急预案与锅炉烧裂事故现场处置方案汇编锅炉烟气超标排放应急预案1.目的为预防和减少烟气排放超标排放,...

