电脑桌面
添加小米粒文库到电脑桌面
安装后可以在桌面快捷访问

污水综合排放标准VIP专享VIP免费

污水综合排放标准_第1页
1/20
污水综合排放标准_第2页
2/20
污水综合排放标准_第3页
3/20
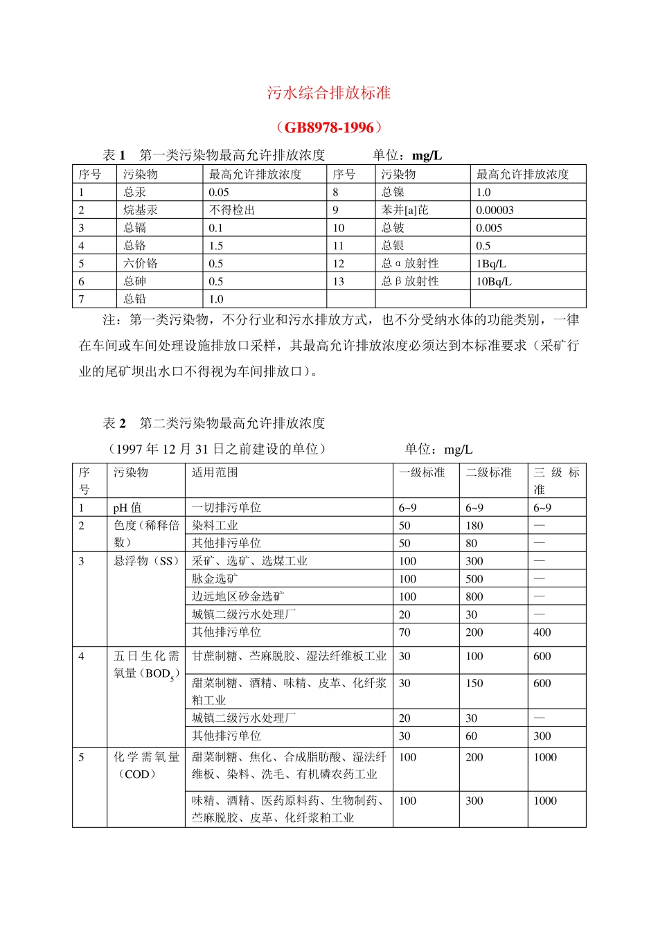
污水综合排放标准 (GB8978-1996) 表1 第一类污染物最高允许排放浓度 单位:mg/L 序号 污染物 最高允许排放浓度 序号 污染物 最高允许排放浓度 1 总汞 0.05 8 总镍 1.0 2 烷基汞 不得检出 9 苯并[a]芘 0.00003 3 总镉 0.1 10 总铍 0.005 4 总铬 1.5 11 总银 0.5 5 六价铬 0.5 12 总α放射性 1Bq/L 6 总砷 0.5 13 总β放射性 10Bq/L 7 总铅 1.0 注:第一类污染物,不分行业和污水排放方式,也不分受纳水体的功能类别,一律在车间或车间处理设施排放口采样,其最高允许排放浓度必须达到本标准要求(采矿行业的尾矿坝出水口不得视为车间排放口)。 表2 第二类污染物最高允许排放浓度 (1997 年12 月31 日之前建设的单位) 单位:mg/L 序号 污染物 适用范围 一级标准 二级标准 三级标准 1 pH 值 一切排污单位 6~9 6~9 6~9 2 色度(稀释倍数) 染料工业 50 180 — 其他排污单位 50 80 — 3 悬浮物(SS) 采矿、选矿、选煤工业 100 300 — 脉金选矿 100 500 — 边远地区砂金选矿 100 800 — 城镇二级污水处理厂 20 30 — 其他排污单位 70 200 400 4 五日生化需氧量(BOD5) 甘蔗制糖、苎麻脱胶、湿法纤维板工业 30 100 600 甜菜制糖、酒精、味精、皮革、化纤浆粕工业 30 150 600 城镇二级污水处理厂 20 30 — 其他排污单位 30 60 300 5 化学需氧量(COD) 甜菜制糖、焦化、合成脂肪酸、湿法纤维板、染料、洗毛、有机磷农药工业 100 200 1000 味精、酒精、医药原料药、生物制药、苎麻脱胶、皮革、化纤浆粕工业 100 300 1000 石油化工工业(包括石油炼制) 城镇二级污水处理厂 其他排污单位 100 60 100 150 120 150 500 — 500 6 石油类 一切排污单位 10 10 30 7 动植物油 一切排污单位 20 20 100 8 挥发酚 一切排污单位 0.5 0.5 2.0 9 总氰化合物 电影洗片(铁氰化合物) 0.5 5.0 5.0 其他排污单位 0.5 0.5 1.0 10 硫化物 一切排污单位 1.0 1.0 2.0 11 氨氮 医药原料药、染料、石油化工工业 15 50 — 其他排污单位 15 25 — 12 氟化物 黄磷工业 10 20 20 低氟地区(水体含氟量<0.5mg/L) 10 20 30 其他排污单位 10 10 20 13 磷酸盐(以P计) 一切排污单位 0.5 1.0 — 14 甲醛 一切排污单位 1.0 2.0 5.0 15 苯胺类 一切排污...

1、当您付费下载文档后,您只拥有了使用权限,并不意味着购买了版权,文档只能用于自身使用,不得用于其他商业用途(如 [转卖]进行直接盈利或[编辑后售卖]进行间接盈利)。
2、本站所有内容均由合作方或网友上传,本站不对文档的完整性、权威性及其观点立场正确性做任何保证或承诺!文档内容仅供研究参考,付费前请自行鉴别。
3、如文档内容存在违规,或者侵犯商业秘密、侵犯著作权等,请点击“违规举报”。

碎片内容

污水综合排放标准

确认删除?
VIP
微信客服
  • 扫码咨询
会员Q群
  • 会员专属群点击这里加入QQ群
客服邮箱
回到顶部