第1页共31页编号:时间:2021年x月x日书山有路勤为径,学海无涯苦作舟页码:第1页共31页3#楼±0.00以上钢筋工程施工技术交底一、施工准备1....
承台钢筋施工技术交底1、钢筋的下料及加工在钢筋加工场进展然后运至施工场地内。2、在绑扎承台钢筋前先进展承台的平面位置放样在垫层上标出...
长辛店棚户区A地块安置房工程基础底板钢筋施工方案北京中宏基建筑工程有限责任公司二零一四年五月第1页共68页编号:时间:2021年x月x日书山...
程度钢筋窄间隙焊工艺1范围本工艺适用于工业与民用建筑现浇钢筋混凝土构造中直径20mm及以上的热轧Ⅰ~Ⅲ级钢筋的现场程度连接。22施工准备2...
目录1、工程概况·························································...
目录1.编制依据................................................12.工程概况................................................13.施工任...
啵啷鼓城市广场工程工程钢筋施工方案目录1编制依据............................................12、工程概况..............................
技术交底记录年月日工程名称节能大厦分部工程根底、主体分项工程名称:现浇框架构造钢筋绑扎交底内容一、施工准备:1、材料及主要机具:〔1...
现浇框架构造钢筋绑扎工艺(409-1996)范围本工艺适用于多层工业及民用建筑现浇框架、框架-剪力墙构造钢筋绑扎工程。施工准备2.1材料及主要...
第1页共21页编号:时间:2021年x月x日书山有路勤为径,学海无涯苦作舟页码:第1页共21页目次1工程概况……………………………………………...
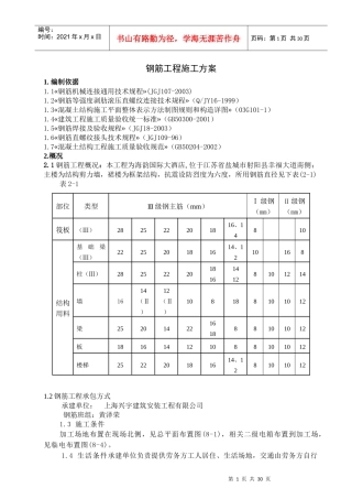
第1页共30页编号:时间:2021年x月x日书山有路勤为径,学海无涯苦作舟页码:第1页共30页钢筋工程施工方案1.编制依据1.1«钢筋机械连接通用...
第1页共15页编号:时间:2021年x月x日书山有路勤为径,学海无涯苦作舟页码:第1页共15页目录第一章、编制依据……………………………………...
御龙山花园钢筋转料平台专项施工方案钢筋转料平台专项施工方案瑞华建设集团有限公司御龙山花园钢筋转料平台专项施工方案目录第一章编制依据...
第0页共39页编号:时间:2021年x月x日书山有路勤为径,学海无涯苦作舟页码:第0页共39页目录一、编制依据...................................
西北电力设计院B工程(主体砼工程冬期施工)施工方案中天集团第五建设公司西北电力设计院B工程项目部冬期施工技术方案(措施)根据本工程进...
第0页众科建设集团【2#地下室及上部结构钢筋施工方案】一、编制依据1.1施工图左岭新镇四期还建社区D块2#地下窒设计施工图纸1.2主要图集表1-...
•钢筋施工规范概述•钢筋施工工艺要求•钢筋施工质量控制•钢筋施工安全与环保•钢筋施工常见问题与解决方案01钢筋施工规范概述钢筋施工规...
钰湖名城防空地下室钢筋专项施工方案编制:审核:审批:一、工程总概况本工程为“新疆振强房地产开发有限公司”开发的“钰湖名城防空地下室...
湖南水利水电职业技术学院HunanTechnicalCollegeofWaterResourcesandHydroPower课程设计成果设计课题名称:建筑施工技术姓名:专业:工程造...
第1页共22页编号:时间:2021年x月x日书山有路勤为径,学海无涯苦作舟页码:第1页共22页1概况1.1工程概况序号项目内容1工程名称泰钢第二生...

