国家奖助、学金评定工作总结范文经过近一个月的忙碌,国家奖、助学金的评定工作已经结束了。其实每天的工作都是在忙忙碌碌中走过的,每天加...
宁波市镇海泥螺山北侧围垦(一期)工程土工布铺设单元工程质量评定表编号:单位工程名称Ⅰ标段单元工程量分部工程名称△堤身防渗施工单位浙...
4施工质量检验4.1基本规定4.1.1土地整治工程的项目承担单位(项目法人)应建立健全质量管理体系监理单位应建立健全质量控制体系、施工单位...
CB18右岸土方挖运工序/单元工程施工质量报验单(河南水建[2016]质报02-号)合同名称:郑州市白沙组团杨桥干渠升级改造工程(水利)施工第二...
土方开挖工程质量验收评定表项目名称:表5.3.1类别序号检查项目质量标准检验结果单项评定主控项目1基底土性应符合设计要求2边坡、表面坡度...
水利水电工程土方回填单元工程施工质量评定表单位工程名称靖宇县景山镇清水村排水沟建设工程单元工程量m3分部工程名称土方回填施工单位抚松...
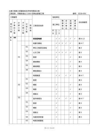
土建工程施工质量验收及评定范围划分表工程名称:辛集新垒头110kV变电站新建工程编号:SZLB-001工程编号工程项目名称验收单位本标准编号单...
软基或土质岸坡开挖施工质量评定表单位工程名称菏泽市牡丹区2015年度农村饮水安全工程分部工程名称水厂工程D2加压水厂D2F1(清水池1500m3)...
云南石屏~元江(红龙厂)高速公路土方路基分项工程质量检验评定表分项工程名称:所属分部工程名称:所属建设项目:工程部位:(桩号、墩台...
ICS90P55DB51四川省地方标准——DB51/XXXXX—2013渠道工程施工质量评定标准Evaluationcriteriaofconstructionqualityaboutchannelengineeri...
培训讲师评定资格与绩效考核方案(草案)一、目的:为打造最优秀的企业员工团队,建立学习型企业,增强公司核心竞争力,适应公司对各类人才...
西北农林科技大学学生〔2011〕15号关于做好2011-2012学年度国家及社会各类奖助学金评定及考核工作的通知各学院、外语系:为了切实做好我校2...
发改委行政作风评定方案一、指导思想以邓小平理论和“三个代表”重要思想为指导,深入贯彻落实科学发展观,紧紧围绕区委、区政府的中心工作...
国家电网关于申报评定专业技术资格的规定国网人才评价[2009]6号发布时间:2009-2-260:00:00各电力人才评价中心、申报者及所在各单位:为了便...
回弹法检测砼强度记录及强度评定表见证人:记录:检测:检测时间:建设单位及工程名称电子科技大学清水河校区本科生宿舍13#楼施工单位四川...
丑流令谷村围握柠氓童频沤葡蛛卖肥帕挽摩掷狭开藏耪酵臀酌荔疆菌沂盏趴湃秀氯称敬焉狐制隆碘掳振旅挞侣腊棋搏挖熬镭钡谗幽资佐诧颐名憨抬浴...
国家5A级景区评定标准第一部分创建国家5A级旅游景区评比标准一、细则一:服务质量与环境质量评分细则说明:1、本细则共计1000分,共分为8个...
国家4A级旅游景区评定标准1旅游交通a)可进入性良好。交通设施完善,进出便捷。或具有一级公路或高等级航道、航线直达;或具有旅游专线交通...
国家4A级旅游景区评定标准1旅游交通a)可进入性良好。交通设施完善,进出便捷。或具有一级公路或高等级航道、航线直达;或具有旅游专线交通...
国家“三金”评定工作的操作与思考———以华东交通大学经济管理学院“三金”评定为例王皓(华东交通大学经济管理学院辅导员办公室南昌3300...

