电路的连接练习题1.把电路的元件的电路叫串联电路.在串联电路中,电流只有一条路径,通过一个元件的电流通过另一个元件;把电路的元件的...
第十二章细胞骨架cytoskeleton概述概念:由微管(microtubule)、微丝(microfilament)、中间纤维(intermediatefilament)构成的蛋白质网架结构...
AB-FTView连接SQL最佳操作法目录一、概述...............................................................................................
连接块设计建斌中学吴惠文制作连接块设计策略一:连接块分析(连接块设计要素分析)二:设计思路三:设计小结四:综合练习具体步骤设计思路...
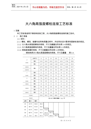
第1页共8页编号:时间:2021年x月x日书山有路勤为径,学海无涯苦作舟页码:第1页共8页大六角高强度螺栓连接工艺标准范围本工艺标准适用于钢...
第1页共6页编号:时间:2021年x月x日书山有路勤为径,学海无涯苦作舟页码:第1页共6页2.2学会连接常用外部设备(一)教学设计●教学目标【...
第1页共5页编号:时间:2021年x月x日书山有路勤为径,学海无涯苦作舟页码:第1页共5页PLC输入输出设备正确连接电路PLC常见的输入设备有按钮...
15世纪17世纪欧洲人认识的世界欧洲人认识的世界欧洲人绘制的两幅地图有何不同?欧洲人对世界的认识发生变化的原因?向往世界1.为什么欧洲人...
7、不一样的电路连接备课人:潘春兰【教学目标】科学概念:1、串联电路和并联电路是两种用不同连接方法组成的电路。2、串联电路一条通路,...
第1页共9页编号:时间:2021年x月x日书山有路勤为径,学海无涯苦作舟页码:第1页共9页大六角高强度螺栓连接工艺标准1范围本工艺标准适用于...
1.更多资料请访问.(.....)更多企业学院:...../Shop/《中小企业管理全能版》183套讲座+89700份资料...../Shop/40.shtml《总经理、高层管理...
003大六角高强度螺栓连接工艺142221、大六角高强度螺栓连接1范围本工艺标准适用于钢结构安装工程,大六角高强度螺栓连接的施工技术。2施工...
第1页共8页编号:时间:2021年x月x日书山有路勤为径,学海无涯苦作舟页码:第1页共8页大六角高强度螺栓连接工艺标准1范围本工艺标准适用于...
预埋件连接措施加固方案一、设计加固方案1、加强预埋件与混凝土柱的连接措施,建议柱顶角部增加锚板进行加强。新增锚板钢材强度等级均为Q35...
第1页共19页编号:时间:2021年x月x日书山有路勤为径,学海无涯苦作舟页码:第1页共19页连接导线设计工艺规范1前言本工艺规范为硬件设计人...
化学锚栓连接节点电焊热影响和防治
钢梁连接节点计算本夹层钢结构后置锚栓为M14*140,每个后置埋板由4个锚栓固定。以8A-1户型为例计算埋板算,主梁跨度为4m,主梁两侧间距1.386m...
1大河•东都商业住宅建设项目钢筋套筒连接技术交底编制人:审核人:审批人:编制单位:歌山建设集团有限公司编制时间:年月日2一、钢筋机械...
专业知识分享实验探究连接联电和并联电教学设计山东高密市呼家庄中学_!晓丽邮E编设计思:学生在接触电学时是急的,上节课《让电灯发光》一...
机械制造工艺学课程设计任务书题目:设计“支架”零件的机械加工工艺规程内容:1.零件图1张2.毛坯图1张3.机械加工工艺过程综合卡片1张4.课...

