光 耦 选 型 手 册 光 耦 简 介 : 光 耦 合 器 ( opticalcoupler, 英 文 缩 写 为OC) 亦 称 光 电 隔 离 ...
一:光耦参数解释 1、正向工作电压fV (forw ard voltage):fV 是指在给定的工作电流下,LED 本身的压降。常见的小功率 LED 通常...
光纤的特性参数
一、产品介绍: 1) 产品特点:转数高,传输速率快,抗干扰,可靠性强,防护等级高,长寿命 2) 产品应用领域:军事,航天,工业领域和...
1 综合布线技术规格书 (光纤布线部分) 2 目录 目录 .............................................................................
光电二极管特性参数的测量及原理应用
光学镜头的选择及主要参数 发布者:pomeas 浏览次数: 13 摄像头镜头是视频监视系统的最关键设备,它的质量(指标)优劣直接影响摄像头...
知识改变命运,学习成就未来 1 光的度量及单位 一、 发光强度 发光强度的单位是 7 个基本物理单位之一。它是光度量,辐射度量和色度...
技术参数 1、光伏组件: 型号 255 瓦,多晶硅 峰值功率(Wp) ≥255 开路电压(Voe) 38.1 短路电流(Isc) 8.88 最大功率点的...
1 光伏组件产品技术参数 目 录 前言:光伏组件介绍 1. 光伏组件参数表 …………………………………………………………………………3...
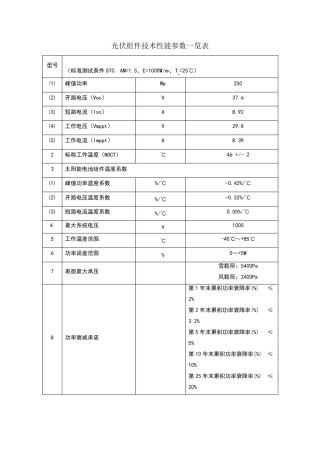
光伏组件技术性能参数一览表 型号 (标准测试条件STC: AM=1.5,E=1000W/m2,Tc=25℃) (1) 峰值功率 Wp 250 (2) 开路电压(Voc)...
济乐高速公路 5 标 先张法空心板梁张拉参数计算 根据空心板梁钢绞线理论伸长值及最大张拉力应以《桥规》为计算依据,原则上不采用超张...
停车场管理系统(标准豪华型) Parking management system 产品简介 Product Desciption 多奥标准豪华型停车场管理系统采用32 位ARM...
BK1120 于 连 接 标 准 总 线 端 子 的 EtherCAT 耦 合 器off 总 线 端 子 系 列 中 的 K 总 线 组 件 (KLx用...
信义玻璃参数表
- 1 - 附件: 江苏省节能建筑常用材料 热物理性能参数表 (试行) 一、常用墙体材料 序号 类别\名称 容重 (Kg/m 3) 导热系数 ...
1、 X PS(EPS)板材 参数:厚度、表观密度、尺寸稳定性、压缩强度、导热系数、燃烧性能 标准:DGJ32 J19-2007 建筑节能工程施工质量验...
通风排烟设计工具箱DDDDDDDDDDD1DDDDDDDDDDDDDDv=2m/sv=3m/sv=4m/sv=5m/sv=6m/se150127/0.43190/0.98254/1.8318/3.23381/4.46e200226/0.323...
投标产品性能与技术参数描述 我公司认真阅读了崇启大桥(江苏段)接线配电设备采购项目CQ-H5 合同标段招标文件技术规格书后,认为我公司...
供暖(℃)北京1北京北京541139°48′ 116°28′31.31971-200012.3-7.61天津天津5452739°05′ 117°04′2.51971-200012.7-72塘沽塘沽54623...

