电脑桌面
添加小米粒文库到电脑桌面
安装后可以在桌面快捷访问

光伏电站设备的技术参数

光伏电站设备的技术参数_第1页
1/17
光伏电站设备的技术参数_第2页
2/17
光伏电站设备的技术参数_第3页
3/17
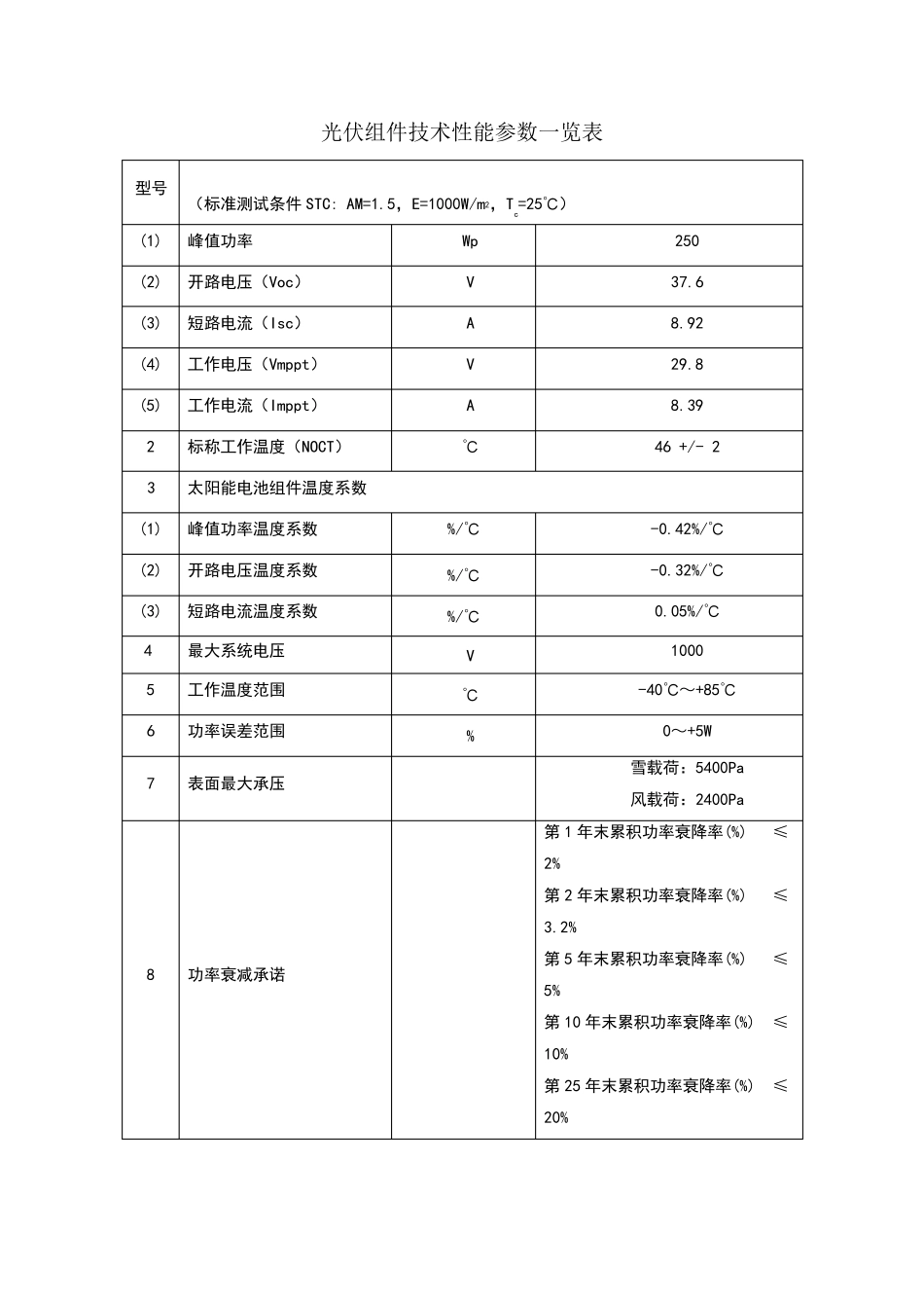
光伏组件技术性能参数一览表 型号 (标准测试条件STC: AM=1.5,E=1000W/m2,Tc=25℃) (1) 峰值功率 Wp 250 (2) 开路电压(Voc) V 37.6 (3) 短路电流(Isc) A 8.92 (4) 工作电压(Vmppt) V 29.8 (5) 工作电流(Imppt) A 8.39 2 标称工作温度(NOCT) ℃ 46 +/- 2 3 太阳能电池组件温度系数 (1) 峰值功率温度系数 %/℃ -0.42%/℃ (2) 开路电压温度系数 %/℃ -0.32%/℃ (3) 短路电流温度系数 %/℃ 0.05%/℃ 4 最大系统电压 V 1000 5 工作温度范围 ℃ -40℃~+85℃ 6 功率误差范围 % 0~+5W 7 表面最大承压 雪载荷:5400Pa 风载荷:2400Pa 8 功率衰减承诺 第 1 年末累积功率衰降率(%) ≤2% 第 2 年末累积功率衰降率(%) ≤3.2% 第 5 年末累积功率衰降率(%) ≤5% 第 10 年末累积功率衰降率(%) ≤10% 第 25 年末累积功率衰降率(%) ≤20% 逆变器技术性能参数一览表 序号 名 称 技术性能参数 备 注 1 逆变器输出功率 (1) 逆变器输出额定功率 500kW 2 逆变器效率 (1) 最高转换效率 98.7% (2) *欧洲效率 (加权平均效率) 98.5% (3) 10%额定交流功率时 >95% 3 逆变器输入参数 (1) 最高输入电压 DC1000V (2) MPPT 电压范围 DC450-850V (3) 最大直流输入功率 550kW (4) 直流侧输入回路数 10 路 4 逆变器输出参数 (1) 额定输出电压 AC315V (2) 输出电压范围 AC250-362V (3) 输出频率要求 47-52 (4) 功率因数 ≥0.99@额定功率 (5) 最大交流功率 550kW (6) 总电流波形畸变率 ≤3%@额定功率 5 电气绝缘 (1) 直流输入对地 AC2000V,1 分钟 (2) 直流与交流之间 AC2000V,1 分钟 6 防雷能力 (1) 标称放电电流In(8/20µs) ≥20kA (2) 最大放电电流Imax(8/20µs) ≥40kA (3) 电压保护水平Up ≤1kV (4) 残压 7 防护等级 IP20 8 噪音 ≤60dB 9 平均无故障时间 ≥10 年 10 要求的电网形式 IT 11 逆变器功率损耗 (1) 工作损耗(包括通风照明等自用电) <1400W (2) 待机损耗/夜间功耗 <80W 序号 名 称 技术性能参数 备 注 12 自动投运条件 根据直流侧电压和电网 条件自动开关机 13 断电后自动重启时间 30~300s(可设置) 14 隔离变压器(有/无) 无 15 接地点故障检测(有/无) 有 16 保护功能 (1) 过载保护(有/无) 有 (2) 反极性保护(...

1、当您付费下载文档后,您只拥有了使用权限,并不意味着购买了版权,文档只能用于自身使用,不得用于其他商业用途(如 [转卖]进行直接盈利或[编辑后售卖]进行间接盈利)。
2、本站所有内容均由合作方或网友上传,本站不对文档的完整性、权威性及其观点立场正确性做任何保证或承诺!文档内容仅供研究参考,付费前请自行鉴别。
3、如文档内容存在违规,或者侵犯商业秘密、侵犯著作权等,请点击“违规举报”。

碎片内容

光伏电站设备的技术参数

您可能关注的文档

小辰7+ 关注
实名认证
内容提供者

出售各种资料和文档

确认删除?
VIP
微信客服
  • 扫码咨询
会员Q群
  • 会员专属群点击这里加入QQ群
客服邮箱
回到顶部