直动电磁阀参数设计与分析
目前最全笔记本CPU、GPU参数及跑分表
极坐标与参数方程一、参数方程1。参数方程的概念一般地,在平面直角坐标系中,假如曲线上任意一点的坐标 x、y 都是某个变数 t的函数,即...
专用于监控视频矩阵 (带三维键盘, 字符) 主要功能特点 微机模块化、高密度矩阵设计; 单机最大 255 台摄像机和 32 台...
第五章 技术要求 序号 名称内容 品牌型号 参数说明 单位 数量 1 高清红外网络球机 采用130 万像素CCD 18X 日立一体化高清数字...
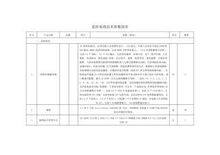
监 控 系 统 技 术 参 数 清 单 序 号 产 品 名 称 品 牌 型 号 参 数 ( 要 求 ) 单 位 数 量 一 、 监...
监 控 摄 像 机 编辑 本词条缺少信息栏,补充相关内容使词条更完整,还能快速升级,赶紧来编辑吧! 监控摄像机是用在安防方面的准摄...
一、不可小瞧的镜头 镜头是摄像机的眼睛,为了适应不同的监控环境和要求,需要配置不同规格的镜头。比如在室内的重点监视,要进行清晰且大...
监 控 摄 像 头 的 选 择 与 基 本 参 数 摄 像 机 镜 头 的 选 择 摄 像 机 镜 头 是 视 频 监 视 系 统...
1 监控摄像头知识 一、CCD摄像机大致可分为下列几大类 1、依成像色彩划分 (1)彩色摄像机:适用于景物细部辨别,如辨别衣着或景物的颜色...
监控摄像头参数详细介绍 一、镜头 镜头是摄像机的眼睛,为了适应不同的监控环境和要求,需要配置不同规格的镜头。比如在室内的重点监视,...
监护仪基础知识和基本参数原理 1、 根据结构分类 监护仪器按结构分类可以分成以下三类:便携式监护仪、一般监护仪、遥测监护仪⑴便携式...
盈建科参数设置 结构总体信息 1、结构体系:按实际情况填写。 2、结构材料信息:按实际情况填写。 3、结构所在地区:一般选择“全国”...
皮带轮选型参数欧标
皮带机计算书参数表版B
皮 带 机 滚 筒 参数对照表 2011-01-10 13:08:48| 分类: 行业标准 | 标签:输送带 滚筒 机架 清扫 安装 |字号 订阅 目...
1 技术性能参数汇总表 普通帆布带 项 目 单位 指 标 帆布带 单层胶帆布纵向拉伸强度 N/mm,≥ 56 带全厚度纵向拉断伸长率 %,...
1 高档彩色多普超声诊断仪参数 一、 主要技术参数 1.1 主要技术参数 *1.1.1 ≥19 英寸高分辨、高亮度、无闪烁、彩色超薄液晶逐行扫...
电除尘器的选型计算 电除尘器应用成功与否,是与设计、设备质量、加工和安装水平、操作条件、气体和粉尘性质等多种因素相关联的综合效果。...
电阻的使用要考虑哪些性能参数 ●电阻 容差:通用场合选用1%精读,当有特殊要求比如输出电压精度要求时选用更小的 选择比率:当阻值不...

