第1页共6页编号:时间:2021年x月x日书山有路勤为径,学海无涯苦作舟页码:第1页共6页业务和软件产品硬件质量标准V6.0总则:1.申明本标准旨...
第1页共6页编号:时间:2021年x月x日书山有路勤为径,学海无涯苦作舟页码:第1页共6页交换接入网产品硬件质量标准V6.0总则:1.申明本标准旨...
Q/XXXX-2010鱼胶原蛋白肽新资源食品申报材料——四产品质量标准Q/XXXX-2010产品质量标准(企业标准)上海统园食品技术有限公司Q/XXXX-2010...
教学环节质量标准目录一、课堂教学质量标准(一)教师教案质量标准.........................................1(二)理论课堂教学质量标准...
《近代物理实验》实验课程教学质量标准一、基本信息课程名称:近代物理实验英文名称:ModernPhysicsExperiments课程性质:学科基础实践先修...
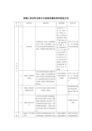
混凝土原材料及配合比检验质量标准和检验方法项目序号检查项目检验标准检查数量检验方法主控项目1进场水泥应检查品种、级别、包装或散装及...
主要教学环节质量标准教务处二○一五年十二月前言在高等教育日益走向内涵发展的背景下,如何实现教学管理的科学化、规范化、标准化,通过科...
专业合同封面COUNTRACTCOVER20XXPERSONALRESUME甲方:XXX乙方:XXX建筑项目质量标准合同2024通用范本版本合同目录一览1.质量标准1.1一般规...
专业合同封面COUNTRACTCOVER20XXPERSONALRESUME甲方:XXX乙方:XXX2024专项采购协议:质量标准及违约处理版B版本合同目录一览1.质量标准1.1...
质量标准合作合同(2024版)本合同目录一览1.质量标准1.1质量定义1.2质量要求1.3质量评估1.4质量改进2.合作范围2.1合作内容2.2合作期限2.3...
建设项目质量标准协议模板(2024)本合同目录一览1.建设项目概述1.1项目名称1.2项目地点1.3项目规模1.4项目投资估算2.质量标准2.1工程质量等...
关于质量标准的调查问卷感谢您在百忙之中抽空来填写我们的问卷。q1:请选择您角色○sa○程序/qa/策划○产品q2:sa质量标准的工作量○工作量...
变压器滤油、注油、热油循环的质量标准1.目的变压器现场安装的过程中,防止变压器受潮是非常重要的一环,变压器油处理的过程与防止变压器受...
1总则1.0.1为了加强建筑工程的质量管理力度,不断提高工程质量水平,统一中国建筑工程公司地下防水工程质量验收及质量评定,制定本标准。1....
如何提高工作效率及质量标准优秀的企业除有优秀的老板外,还有就是优秀的团队引领着企业不断前行;他们做事效率高,事项完成标准高;可有的...
酒店服务质量标准[推荐]一、仪表仪容(一)服装1.各岗位员工着本岗位制服上岗,服装干净、整洁。2.前台员工服装必须平整、挺括、无皱褶,...
1、总则1.0.1为了确保钢质管道聚乙烯粘带防腐层质量,延长钢质管道的使用寿命,制定本标准。1.0.2本标准适用于钢质管道用共挤型或涂布型两...
外墙石材幕墙工程质量标准工法示范总经办黄世华制作20XX年6月30日第一版前言外墙干挂石材以以其独特的风格、高雅亮丽的外形而备受推崇,以...
制袋车间质量标准一、制袋废品判定烫料、烫刀错位均为废品。烫皱、烫烂均为废品。封边温度过高:盐袋封边变形、发硬为废品。虚封:做跌落试...
前期物业管理服务质量标准一、公共服务1.服务站工作人员需持证上岗。(管理人员、专业操作人员按照国家有关规定取得物业管理职业证书或岗位...

