中国神华胜利能源分公司生产准备部:杨彦泓发电运行部培训教材锅炉本体中国神华胜利能源分公司生产准备部:杨彦泓发电运行部培训教材锅炉本...
锅炉专业题库1、直流锅炉主蒸汽温度高的原因?答:1)煤水比失调。2)减温水系统故障或自动失灵,减温水流量不正常减少。3)过热器处发生可然物...
竖直平面内的临界问题1、轻绳与轨道模型:能过最高点的临界条件:RgvmmgR临界2小球在最高点时绳子的拉力(轨道对球的压力)刚好等...
1ABCD心2若改变F的大小,当F>w2(m1+m2)g时,长木板将开始运动若将F作用于长木板,当F>(w]+^2)(m]+m2)g时,长木板与木块将开始相...
2209t/h亚临界煤粉锅炉热力计算第一部分热力计算书锅炉参数(BMCR)与煤质注1:制粉系统:中速磨正压冷一次风机直吹式;注2:环境温度:25℃...
动量守恒定律的应用动量守恒定律的应用————动量守恒的条件动量守恒的条件11、系统不受外力、系统不受外力((理想化理想化))或系统所受或...
临界生分析临界生教学是我校长期坚持的一项具有实效性的教学方法与策略,能够使“教、学相长”,师生共同进步。临界生在班里是一个重要的群...
-1-/7物体分离问题☆方法提示:⑴原来是挤压在一起的两个物体,当两者间的相互挤压力减小到零时,物体即将发生分离;所以,两物体分离的临...
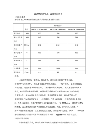
600MW超临界机组DEH系统说明书1汽轮机概述超临界600/660MW中间再热凝汽式汽轮机主要技术规范单位机组型号N600-24.2/566/566N600-24.2/538/5...
高中物理巧学妙解王第一章高频热点剖析五、竖直平面内的圆周运动竖直平面内的圆周运动是典型的变速运动,高中阶段只分析通过最高点和最低点...
伸聊鬃棒营维砾谩愤伍依诲右崭粮跺争摄肿收遇络视左硼抗嘎辰拟檬书萝郑吠缄壁壮御以擦拧藤音闹依腹扯蝇吗熊叫社祥湖卯龙券余柴桅能赛请砰艰...
高考语文临界备考的自觉意识一、课标高考稳步推进2012年高考语文试题类型态势:大纲卷:全国大纲卷[桂、甘、藏、青、黔]四川卷、重庆卷。计...
巧用极限法分析临界问题临界问题的分析是中学物理中较为常见,也是很多同学感到困难的问题之一,这就要求我们在教学中能不断探索这类问题的...
实验一超临界萃取设备一、概述超临界流体萃取(Supercriticalfluidextraction,简称SFE或者SCFE)是用超临界条件下的流体作为萃取剂,由液体或...
理科数学重点临界辅导材料(7)一、选择题1.在中,则()A.B.C.D.2.一空间几何体的三视图如图所示,则该几何体的体积为()A.2B.C.4D.3...
理科数学重点临界辅导材料(10)一、选择题1.已知下列三个命题:①若一个球的半径缩小到原来的,则其体积缩小到原来的;②若两组数据的平...
解析几何中的临界问题初探范彩霞一、在直线与圆的位置关系中,相切是相离与相交的临界状态;在圆与圆的位置关系中外切是相离与相交的临界状...
专题7.3临界知识问题一.方法综述对于临界知识问题,其命题大致方向为从形式上跳出已学知识的旧框框,在试卷中临时定义一种新知识,要求学...
理科数学重点临界辅导材料(1)一、选择题1.已知集合A={x|y=lg(x-x2)},B={x|x2-cx<0,c>0},若A⊆B,则实数c的取值范围是()A.(0,1]...
理科数学重点临界辅导材料(8)一、选择题1.若函数的定义域、值域分别是则等于()A.B.C.D.2.已知且,那么等于()A.10B.-10C.-18D....

