老 年 人 中 医 药 健 康 管 理 服 务 记 录 表姓 名: 性别: 年龄: 体质辨识结果: 编号:□□□-□□□□□ 请根据...
早上: 拜阿司匹林 1 片(100mg)尼群地平 1 片(100mg)奥拉西坦胶囊 2 粒 (连续服用两个月)哈伯因 3 片中午: 奥拉西坦胶囊 ...
金清镇敬老院入住老人日常生活记录表 姓名日期洗漱护理内务整理服装换洗饮食洗头淋浴大(小)便排泄辅助器翻身皮肤情况睡眠理发剪指(趾)...
美食城每日安全检查记录表档口号 发现问题 处理结果检查人安全员1234567891011 检查日期:1213141516171819档口号发现问题处理结果检查人...
课外教育活动记录活动时间参加人数活动地点辅导员主题活动内容活动内容教学过程:一、组织课堂纪律.动手实践制造美.1、 分小组探究画的方法...
美术 社团 活动记录表 内容画小鸟指导老师张沈萍活动时间 第 2 周活动地点美术室参加人数10活动过程设计记录及反思一、以游戏猜谜的...
莒县夏庄镇中心小学-美德少年在行动!第一步→认星1.“孝敬父母”之星——感恩父母,孝敬长辈,关爱亲人;在亲人有伤病、残疾等困难情况下,...
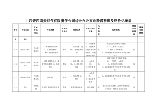
公卫表 1居民健康档案督导记录表邓州市罗庄镇卫生院 20 年 月 日 项目督导内容分值得分备注档案管理是否有专职(兼)人负责,是否有制...
网络课程学习记录表姓 名:____________学 号:____________专 业:____________年 级:____________年 月 日学生自主学习计划 课程...
附件 4 网站安全检查记录表网站主管单位网站运行单位网站主管单位负责人联系电话网站运行安全责任人联系电话单位性质是否加挂党政机关、...
零点网咖员工消防安全培训记录单位名称零点网咖地 点 网吧办公室时 间2024 年 月 日授课人张军参加人培训主题消防基本常识培训培训内...
绿豆观察记录表校名: 班级: 姓名: 观察日期天气观察记录第 1 天第 2 天第 3 天第 4 天第 5 天第 6 天第 7 天第 8 天第 9 天第 10 天第 11 天
参加检查人员:监理单位: 施工单位: 检查日期: 年 月 日绿色施工管理检查记录表(表 1)检测检 查 内 容检查情况备注 基本规定...
绿色施工技术交底记录 工程名称:xxxxx 施工单位:xxxxxxxx 编号: 项目技术负责人:项目专业施工员:项目专业质量检查员:专业班组长...
绿化检查记录表日期: 检查人:检查内容检查时间检查地点检查结果跟踪处理结果责任人签字绿化绿地卫生地被及乔木浇灌乔、灌木修剪施肥记录...
绿化组工作日检考核表检查人员: 王建京 年 月 日序号考评项目 检 查 情 况 记 录 和 人 员 地点和时间负责人1草 坪 绿 ...
绿化养护记录表范本日期地点绿化养护工作内容执行人检查人备注
荔山公馆 月份绿化养护记录表 日期项目检查时间(24 小时)天气温度检查人草坪浇水修剪除草施肥喷药切边乔灌木浇灌排水中耕除草施肥修剪...
绿化养护周巡查记录表管理服务中心: 记录号: 日 期内 容第一周第二周第三周第四周巡视情况巡视情况巡视情况巡视情况草皮地被修剪施肥...
炉子小学(综合组)课内比教学(集体备课)活 动 记 录 表课题水平三 400 米耐久跑班级六(1)班主持人陈伟研讨时间2024.10.参加备课老...

