深圳市万科物业管理有限公司消杀(毒)工作记录表编号:VKWY7.5.1-H01-10-F1版本:C/0表格生效期:2005年2月1日序号:部门日期消杀(毒)范围...
师生德育记录表学年第学期时间学生姓名教师德育目的教育过程教育结果
学生个性成长记录表姓名性别民族出生年月籍贯政治面貌入校时间毕业学校家庭住址父亲姓名工作单位联系电话母亲姓名工作单位联系电话自我介绍...
注浆地基检验批质量验收记录表GB50202-2002010311单位(子单位)工程名称分部(子分部)工程名称验收部位施工单位项目经理分包单位分包项目...
家访记录表学年第学期时间学生姓名家访教师家访目的家访过程家访结果
温湿度每日记录_______年____月科室日期上午下午记录者签名是否采取措施温度℃湿度%温度℃湿度%123456789101112131415161718192021222324...
学生分组实验记录表.12012年月日班别:实验内容:3、温度与气温组长:记录人:成员:实验器材:温度计实验情况:室内、室外、阳光下的温度...
个人收集整理仅供参考学习市西河河道验收记录编号:YSJL2011-5-17工程名称贵阳市河道综合整治工程第六标段(市西河)主要内容河道清淤验收...
额尔和中心校升国旗记录表2014---2015年度上____月升旗周次值周班级旗手护旗手主持人升旗仪式过程1出旗(全体师生肃立,目视国旗2升国旗(...
表205-1钢材、钢铸件质量验收记录工程名称石钢公司环保节能综合治理工程一标段分项工程名称验收部位火车、汽车受卸料槽钢结构施工单位河北...
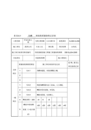
表D.0.1沟槽检验批质量验收记录表工程名称平安东街工程分项工程名称污水沟槽开挖验收部位0+000-0+030施工单位清泽公司专业工长韩仕胜项目经...
组贷款申请表单位:百万时间第年第季度类型长贷短贷高利贷上年末权益当前贷款数额长贷()短贷()高利贷()本次申请金额CFO计划:CEO审批:组贷...
汽车行驶记录表年月日本日行驶昨日存油本日领油本日耗油本日存油起止时间起旋地点路码表指示用车人签字备考起止起止起止运费申请明细表申请...
污水排放检查记录表名称排放口检查时间序号检查内容检查记录1废水排放系统合理有序,并符合施组的规定2污水必须过滤后排放,泥浆水必须通过...
污水处理设施运行记录表单位名称:吉安昊丰化工有限公司日期:年月日---月日处理设备运行情况药品使用情况水质处理情况及监控操作人员设备...
规范汉字书写检查记录表年班教师月日月日月日月日月日月日月日月日月日月日一年一贾春红一年二陈桂荣一年三时闻华二年一安佰华二年二王艳梅...
污染源现场监察记录表被检查单位地址法人代表(负责人)联系电话执法证件□出示□未出示告知当事人有申请回避的权利和配合调查的义务□是□...
观察活动记录表观察班级:观察教师:幼儿姓名XXX观察时间年月观察区域创意DIY区参与实录今天上午,又是轮到我们班玩多功能厅的区域活动了,...
汕头大学听课记录表(理论课适用)开课单位:课程名称:开课班号:授课教师:听课时间:年月日~(具体时分)地点:学生应到人数:学生实到...
监理旁站记录表工程名称:重庆市江津区圣泉路道路工程一期编号:日期2010年12月23日天气阴温度9℃旁站监理的部位或工序K2+700~K2+940右幅水...

