电脑桌面
添加小米粒文库到电脑桌面
安装后可以在桌面快捷访问

桩机班组安全活动记录表VIP免费

桩机班组安全活动记录表_第1页
1/15
桩机班组安全活动记录表_第2页
2/15
桩机班组安全活动记录表_第3页
3/15
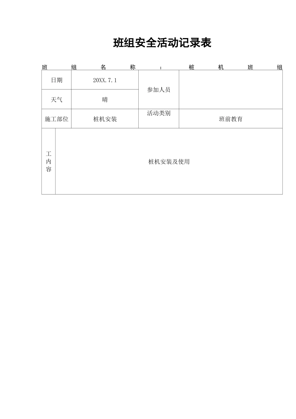
班组安全活动记录表班组名称:桩机班组日期20XX.7.1参加人员天气晴施工部位桩机安装活动类别班前教育工内容桩机安装及使用安全生产活动内容1、工人上岗前做好安全教育2、安装桩机时,应注意吊重机械的安全,严格按规范吊卸。3、安装后,应对格紧固件进行检查,紧固件未拧紧前不得开始工作。4、作业前应该检查并确认各传动机件、齿轮箱、防护罩等状况良好,各部件正常工作。5、作业前应检杳起重钢丝、变幅机构、泥浆泵等正常。6、应检杳并确认电缆表面无损伤,保护接地电阻符合规定,电源电压正常,旋转方向正确。班组长签字:班组安全活动记录表班组名称:桩机班组日期20XX.7.8参加天气晴人员施工部位桩基活动类别班前教育工作内容桩基施工安全生产活动内容进入施工现场要把“安全第一,预防为主”装心中,牢记安全来自警惕,事故出于麻痹,作业过程中要注重安全,同志间莫过于级班组间相互要提醒安全,工作越忙,任务越紧,越不忘安全,绝不掉以轻心轮船做到每做一事,每一举动,想想是否安全,是否会危害本人或他人,不盲目或冒险蛮干,及时消除不安全因素,不随意拆卸或损坏各种安全防护设施,做到时时处处心中有安全,一事一行安全预防工作做到前,确保安全生产。班组长签字:班组安全活动记录表班组名称:桩机班组日期20XX.7.15参加天气晴人员施工部位桩基活动类别班前教育工作内容桩基施工安全生产活动内容严格遵守安全生产“六大纪律”和“十个不准”,做到遵章守纪,听从指挥。作业过程中认真按安全操作规程做,做到不伤害自己,不被他人伤害,必须注重正确使用各种安全生产劳动保护用品,对本人负责操作的机具做好使用前的安全检查,每人作业前要对周围环境安全状况作业认真检查,发现隐患或险情要及时报告处理,保证作业过程中的安全,严禁无关人员使用或玩弄电气设备和机具,认真做好落手清工作。班组长签字:班组安全活动记录表班组名称:桩机班组日期20XX.7.23参加人员天气晴施工部位桩基活动类别班前教育工作内容桩基施工安全生产活动内容进入现场要把“安全第一、预防为主”牢记在心中,时时警告自己,事故出于麻痹,作业过程中要注意安全,同志间、班组间相互要提醒安全,工作越忙,任务越紧,越不忘安全,绝不掉以轻心,要做到每做一事,每一举动,想想是否安全,是否会危害本人或他人,不盲目或冒险蛮干,及时消除不安全因素,不随意拆卸或损坏各种安全防护设施,做到时时处处心中有安全,事行安全预防工作做在前,确保安全生产。班组长签字:班组安全活动记录表班组名称:桩机班组日期20XX.8.1天气晴施工部位桩基参加人员活动类别工作内容浇筑作业时,必须有专人监管,严格按照规范施工1、2、3、检验及钢丝绳应经常润滑,破损钢丝绳不得使用。机械发生故障应立即停止工作断开电源,然后方能由专业人员进行维修。班组长签字:班组安全活动记录表班组名称:桩机班组日期20XX.8.8天气晴施工部位桩基参加人员活动类别工作内容工作人员进入施工现场必须正确佩戴安全帽,登高作业时,必须系安全带1、2、3、电焊机非专业人员不得操作,特种作业人员持证上岗吊钢筋笼时应校正垂直度后方能起吊。班组长签字:班组安全活动记录表班组名称:桩机班组日期20XX.8.15参加人员天气晴施工部位桩基活动类别班前教育工内容桩基施工安全生产活动内容1.作业人员进入现场必须戴好安全帽,扣好帽带,并正确使用个人劳动保护用品。2.机组人员作登高检杳或维修时,必须系安全带;工具和其他物件应放在工具包内,高空人员不得向下随意抛物。3.安装时,应控制好两个纵向行走机构的安装间距,使底盘平台能正确对位。4.电源在导通时,应检查电源电压并使其保持在额定电压范围内。班组长签字:班组安全活动记录表班组名称:桩机班组日期20XX.8.23参加天气晴人员施工部位桩基活动类别班前教育工作内容桩基施工安全生产活动内容1.作业人员进入现场必须戴好安全帽,扣好帽带,并正确使用个人劳动保护用品。2.作业前应检杳并确认起重机起升、变幅机构正常,吊具、钢丝绳、制动器等良好。3.应检杳并确认电缆表面无损伤,保护接地电阻符合规定,电源电压正常,旋转方向正确。4.电源在导通时,应检查电...

1、当您付费下载文档后,您只拥有了使用权限,并不意味着购买了版权,文档只能用于自身使用,不得用于其他商业用途(如 [转卖]进行直接盈利或[编辑后售卖]进行间接盈利)。
2、本站所有内容均由合作方或网友上传,本站不对文档的完整性、权威性及其观点立场正确性做任何保证或承诺!文档内容仅供研究参考,付费前请自行鉴别。
3、如文档内容存在违规,或者侵犯商业秘密、侵犯著作权等,请点击“违规举报”。

碎片内容

桩机班组安全活动记录表

您可能关注的文档

wxg+ 关注
实名认证
内容提供者

该用户很懒,什么也没介绍

确认删除?
VIP
微信客服
  • 扫码咨询
会员Q群
  • 会员专属群点击这里加入QQ群
客服邮箱
回到顶部