给 排 水 、 采 暖 、 燃 气 工 程 施 工 方 法 一 、 给 水 管 道 安 装 1、 给 水 引 入 管 与 排 水 ...
分部分项工程量清单与计价表 工程名称:机电安装工程 标段: 第 1 页 共 12 页综合单价C.8给排水、采暖、燃气工程C.8.1给排水、采...
XX 工程给排水、通风、电气、弱电和消防 专业工程施工方案 第一部分 施工布置、准备 一、施工布置 1、工期要求:本工程工期 240 天...
一、室内给水排水管道及附件安装 S4(一) 给水排水标准图集 室内给水排水管道及附件安装(一)(2004 年合订本)120.00 元 包含图集: 03...
给 排 水 、 消 防 图 纸 图 例 符 号 与 画 法 总 结 (干货)线型及其含义:比例:水、汽管道代号:工艺管道施工图常用...
湄洲湾秀屿港区莆头作业区1#、2#泊位道路、堆场等工程 中交三航局湄洲湾秀屿港区莆头作业区项目经理部 PTGDD-A-1-010 第1 页,共 17 ...
人力 机械材料(工程量)技术施工环境一 2#仓库消防水安装工程(计划进场安装时间7月6日,实际进场安装时间7月28日)918月1日10月30日1首层...
哈萨克斯坦让那若尔 第三油气处理厂Ⅱ、Ⅲ期工程 文件名称: 文件编号: 业 主: 承包商: 目 录 1 前言 2 工程概况及特点 3...
一、工艺管道施工图常用图例 名称 图例 名称 图例 闸阀 异径管 压力调节阀 偏心异径管 升降式止回阀 堵板 旋启式止回阀 法兰 ...
技 术 交 底 记 录 表C2-1 编 号 工 程 名 称 韩家村洗煤厂食堂扩建工程 交底日期 施工单位 鄂尔多斯市第三建筑公司 分项...
合价1m7592.442m16781.043m126134m7906.055m4188.4149080.94030801002005衬塑钢管40mm[项目特征]1.型号、规格: DN40[工程内容]1...
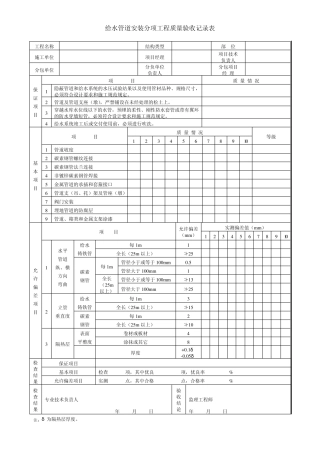
给水管道安装分项工程质量验收记录表 工程名称 结构类型 部 位 施工单位 项目经理 项目技术 负责人 分包单位 分负单位 负责人 ...
下载后可任意编辑浅谈市政给排水管道工程施工质量管理闫鹏鹏青岛市市政工程集团有限公司道桥分公司第三项目部摘要:市政给排水工程是城市基...
下载后可任意编辑2024 年给排水工程师《基础知识》精选试题(2) 1.最高日设计用水量 qd 为( )水量之和。 a.居民生活用水,工业企业生...
浅谈花园洋房及别墅的给排水设计
1 Discussion on building water supply and drainage construction of common problems and Solutions 浅谈建筑给排水施工...
阳煤集团 1 2 0 万米输送带项目给排水暖通工程施工方案 一、 工程概况 阳煤集团 120 万米输送带项目工程包括厂房及办公楼给排水,...
下载后可任意编辑给排水管材采购合同 合同编号:需方(以下简称甲方):廊坊开发区福斯特建筑工程有限公司供方(以下简称乙方):廊坊市新...
给排水材料采购合同需方:陕西建工第四建设集团有限公司 (以下简称甲方)供方: (以下简称乙方)根据《中华人民共和国合同法》等有关法...
表 G 建筑给水、排水及采暖 分部工程质量验收记录编号:单位(子单位)工程名称国鑫· 西城锦湖13#楼子分部工程数量4 分项工程数量6 ...

