市政道路工程监理给排水管道工程监理控制措施1、给水管线工程质量监理1、给水管线施工质量监理(1)审核承包单位开工报告,检查人员、材料...
1、(PP—R)给水管施工工艺1、施工准备1.1材料1。1。1供水系统所选用的PP—R管材和管件,应有质量检验部门的产品合格证,卫生防疫部门的检...
此资料由网络收集而来,如有侵权请告知上传者立即删除。资料共分享,我们负责传递知识。给排水设计师年终总结怎么写【篇一】每年都要写一份...
目录第一章工程概况................................................................2第二章施工准备....................................
B机电工程质量控制点B.1室内给水管道安装工程1.【控制点】(1)暗装冷热水管道渗水。(2)吊顶内管道滴水。2.【预防措施】(1)暗装于墙内或吊顶...
时速160公里和谐号CRH6型城际动车组用给排水及卫生系统供货技术条件时速160公里和谐号CRH6型城际动车组用给排水及卫生系统供货技术条件1适...
给排水工程预算5(采暖)课件目录•给排水工程预算基本知识•采暖系统及预算编制•给排水工程预算案例分析•给排水工程预算的优化与管理PART0...
现代住宅给排水节能途径、环保措施探讨建筑给排水节能环保措施探讨摘要:随着我国经济的不断发展,建筑给排水行业也有着长足的进步,在充分...
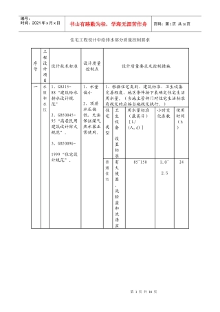
住宅工程设计中给排水部分质量控制要求序号工程设计项目设计技术标准设计质量控制点设计质量要求及控制措施一水量和水压1、GBJ15-88“建筑...
目录第一章、工程概况..........................................................................................3第二章、编制依据及...
某工程给排水、通风、电气、弱电和消防专业工程施工方案第一部分施工布置、准备一、施工布置1、工期要求:本工程工期240天。2、质量目标:保...
建筑给排水及采暖工程材料进场复检或见证检测项目及相关标准一览表序号产品名称检测项目外观尺寸1:建筑给水工程所使用的主要材料、成品、半...
给排水自评报告建筑给水、排水分部工程质量验收自评报告我公司承建的xxxxxxxxxx工程自2012年4月18日开工至今已顺利完成建筑给水、排水分部...
肥城市上海花苑小区热计量装置采购、安装工程施工技术资料核查表工程名称:肥城市上海花苑小区热计量装置采购、安装工程鲁SN-000序号名称编...
建筑给排水工程施工难点及优化措施摘要:从新时期的建筑安装工程领域发展形势来看,给排水工程施工量和施工难度都在不断提升,为了确保建筑...
建筑给排水工程施工方案本工程给排水工程包括生活给水、排水、雨水,综合特点,拟按以下方法施工。1、给排水工程预留预埋预留预埋是给排水...
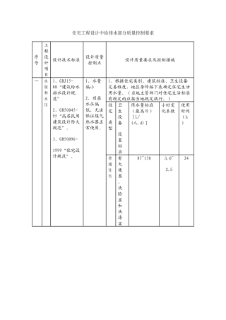
第1页共16页编号:时间:2021年x月x日书山有路勤为径,学海无涯苦作舟页码:第1页共16页住宅工程设计中给排水部分质量控制要求序号工程设计...
目录一编制依据.............................................2二工程概况.............................................2三施工部署.......
给排水工程报告关键字:建筑给排水cad开发现状问题发展对策随着计算机应用技术的不断发展,特别是近年来计算机辅助设计(cad)已不断渗透到...
第一章编制依据和采用图籍规范1。编制依据1.1总体《施工组织设计》1.2给排水、采暖、消防、通风施工图1。3工程《设计技术交底》1。4工程招...

