第1页共35页编号:时间:2021年x月x日书山有路勤为径,学海无涯苦作舟页码:第1页共35页汽车电气构造与维修本学期课时32每周具体上课时间周...
第1页共5页编号:时间:2021年x月x日书山有路勤为径,学海无涯苦作舟页码:第1页共5页《汽车电气设备构造与维修》补考复习题班级姓名学号一...
第1页共61页编号:时间:2021年x月x日书山有路勤为径,学海无涯苦作舟页码:第1页共61页《汽车电气设备》实训指导书电源系实验指导书实验一...
第1页共33页编号:时间:2021年x月x日书山有路勤为径,学海无涯苦作舟页码:第1页共33页目录第一章发电机检修规程第二章设备规范及结构简介...
第1页共68页编号:时间:2021年x月x日书山有路勤为径,学海无涯苦作舟页码:第1页共68页电气设备点检标准设备名称发电机点检状态标记〇---...
第1页共23页编号:时间:2021年x月x日书山有路勤为径,学海无涯苦作舟页码:第1页共23页检查电气设备的绝缘性能,测量绝缘电阻是最基本和最...
第1页共9页编号:时间:2021年x月x日书山有路勤为径,学海无涯苦作舟页码:第1页共9页汽车电气设备题库一、填空题1.蓄电池按结构特点可分为...
第1页共15页编号:时间:2021年x月x日书山有路勤为径,学海无涯苦作舟页码:第1页共15页更多企业学院:《中小企业管理全能版》183套讲座+...
焦炉工程机组电气设备调试施工方案第1页共32页编号:时间:2021年x月x日书山有路勤为径,学海无涯苦作舟页码:第1页共32页***7.63m焦炉工程...
平凉机电工程学校二○一○~二○一一学年第一学期期中考试09级汽车运用与维修专业《汽车电气设备与维修》试题(卷)题号一二三四五总分组长...
甘肃省电力公司电气设备性能技术监督条例(试行)甘肃省电力公司发布1总则1.1根据《国家电网公司电力技术监督工作规定》《国家电网公司关于...
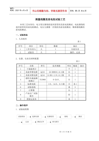
第1页共82页试验准备选择仪器仪器检查接线测试记录测试完毕填写报告编号:时间:2021年x月x日书山有路勤为径,学海无涯苦作舟页码:第1页共...
焦炉工程机组电气设备调试施工方案第1页共32页编号:时间:2021年x月x日书山有路勤为径,学海无涯苦作舟页码:第1页共32页***7.63m焦炉工程...
焦炉工程机组电气设备调试施工方案***7.63m焦炉工程项目管理部审批:总工程师:第1页共21页编号:时间:2021年x月x日书山有路勤为径,学海...
第1页共39页编号:时间:2021年x月x日书山有路勤为径,学海无涯苦作舟页码:第1页共39页课次1教学课题汽车电气系统的基本组成及特点分析认...
第1页共36页编号:时间:2021年x月x日书山有路勤为径,学海无涯苦作舟页码:第1页共36页中华人民共和国国家标准电气装置安装工程UCDGB50150...
第1页共35页编号:时间:2021年x月x日书山有路勤为径,学海无涯苦作舟页码:第1页共35页本学期课时32每周具体上课时间周二5、6节周五5、6节...
第1页共78页编号:时间:2021年x月x日书山有路勤为径,学海无涯苦作舟页码:第1页共78页汽车电气设备拆装实习(汽车驾驶、汽车修理、汽车电...
《汽车电气设备诊断与维修》课程标准课程名称:汽车电气设备诊断与维修课程性质:专业核心课计划学时:40+68适用专业:汽车运用技术专业一...
第1页共2页编号:时间:2021年x月x日书山有路勤为径,学海无涯苦作舟页码:第1页共2页电气设备预防性试验、周期检测、维护保养工作表序号设...

