CAD 打印设置 在模型空间绘制图纸,不同的图形线有各自的颜色、线型、线宽、图层等等属性。图形绘制完毕,单击绘图窗口下方的"布局1"标签...
国家一级设计师十年用 CAD 精髓(看了就知道菜鸟了) 人十数年 CAD 经验分享 翻过很多 CAD 的教材,觉得如果对照那些教材学习CAD ...
一、单选题 1 当丢失了下拉菜单,可以用下面哪一个命令重新加载标准菜单: C A、 NEW B、OPEN C、MENU √ D、LOAD 2 在十字光标...
CAD高级训练图
全国水利高职院校技能大赛试题库 水利工程CAD理论试题考核练习册 - 1 - 知识点五 CAD高级应用 一 单项选择题 1. 删除块定义的命...
高级教程---第四节(方法二)4、创建尺寸标注样式“方法一”是目前一种常用的方法。“方法一”最多的缺点就是工作量比较大。(要把各种比例...
CAD 技巧大全 一、 PGP 文件 修改PGP 文件后,如要运行该PGP 文件,则需要使用REINIT 命令运行 二、 FILEDIA(0、1) 当参数设...
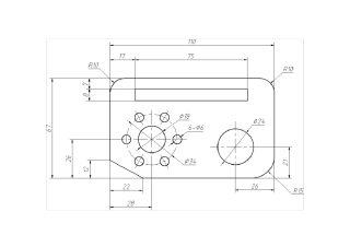
1、
配 色 一、橙色 使用了高亮度橙色的站点通常都会给人一种晴朗新鲜的感觉,而通过将黄色、黄绿色等类似颜色与到非常好的效果。同时,中等...
颜色英文表示中文表示HEX参数LightPink浅粉红#FFB6C1Pink粉红#FFC0CBCrimson猩红#DC143CLavenderBlush脸红的淡紫色 #FFF0F5PaleVioletRed...
关于CAD 的一些试题(笔试) 一、单选题(共 34.8 分) 1.在 CAD 中在用 Line 命令绘制封闭图形时,最后一直线可敲___ 字母后回车...
自从发表一系列的练习题以后,参与的朋友非常踊跃。但其中有很多朋友,特别是刚接触CAD 的新手们,对题目中求面域的面积、周长、质心(平面...
附加题:综合相关知识,绘制图3 所示的传动轴零件图,并将制作好的源文件保存为“3.dwg”。(50 分) (注:如果尺寸看不清楚,可以使用...
附加题:综合相关知识,绘制图3 所示的传动轴零件图,并将制作好的源文件保存为“3.dwg”。(50 分) (注:如果尺寸看不清楚,可以使用...
CAD 钣 金 展 开 实 练 ( 一) Au toCAD 2009-10-28 12:19 阅读10 评论0 字号: 大 中 小 、
1 目录 AutoCAD 2000 DXF 参考修正 第一章 -- DXF 格式 概述 认识本参考 对象和图元的组码 组码值类型 按数字次序排列的组码...
单项选择 1、AUTOCAD 的坐标体系,包括世界坐标和( D )坐标系。A、绝对坐标 B、平面坐标 C、相对坐标 D、用户坐标2、当进入了 AU...
进阶级练习题 1 】 在正式发题之前,现转录一段台湾的 Joseflin 老师的一段话,作为开场白: 一般来说从事机械工程者使用AutoCAD大概...
技巧: 1.轴测图里的螺纹是要阵列才能画出来 不过先要设置成轴测视图,请按照这个步骤来,右击设置捕捉,在里面找到轴测视图打勾,然后关...
一、 转换 2 .1 方法一:使用属性分层 3.在属性表里选择“Selected By Attribu te”,通过属性值区分图层 4.经过这样的区分就可...

