以太网(此文摘自“http://zh.wikipedia.org/wiki/以太网”)以太网(Ethernet)是一种计算机局域网组网技术。IEEE制定的IEEE802.3标准给出...
以太网小区智能系统解决方案摘要:对于小区的安全系统和管理系统,目前可见到的均为实现单独功能的系统,如实现水、电、气三表抄收的系统、...
实验指导说明书(一)实验目的通过实验了解、熟悉设备网(DeviceNet)和工业以太网(EtherNet/IP)的设计、组态及操作,掌握数据通讯、OPC技...
以太网交换机端口安全MAC技术白皮书武汉烽火网络有限责任公司文档版本:V1.0时间:2006-02-08撰写:交换机项目组相关人员,技术支持部审核...
NE1NE2NE3SmartBitsNE41.1以太网测试方案1.1.1以太网基本特性测试1.1.1.1业务配置测试目的测试数据单板的基本特性验证标准数据单板的基本特...
以太网小区智能系统解决方案摘要:对于小区的安全系统和管理系统,目前可见到的均为实现单独功能的系统,如实现水、电、气三表抄收的系统、...
云南电网公司玉溪供电局配电网自动化试点建设工程工业以太网交换机及综合网管系统招标技术规范书云南电网公司2011年04月目录1总则............
广州莱安智能化系统开发有限公司小区接入以太网交换机选型项目方案介绍地址:广州市天河北粤垦路521-523号五星阁6A/B电话:020-87294125872...
云南电网公司玉溪供电局配电网自动化试点建设工程工业以太网交换机及综合网管系统招标技术规范书云南电网公司2011年04月目录1总则............
第1页共5页编号:时间:2021年x月x日书山有路勤为径,学海无涯苦作舟页码:第1页共5页CAN-bus以太网交换机产品型号简介SNode-8,同时将8...
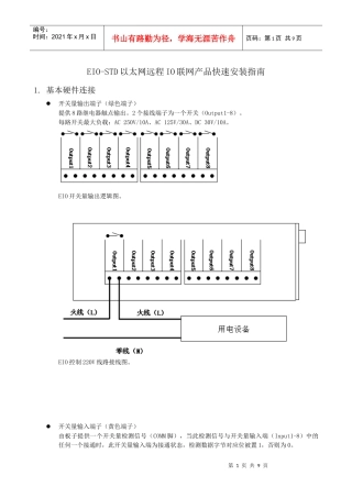
第1页共9页编号:时间:2021年x月x日书山有路勤为径,学海无涯苦作舟页码:第1页共9页EIO-STD以太网远程IO联网产品快速安装指南1.基本硬件...
第1页共4页编号:时间:2021年x月x日书山有路勤为径,学海无涯苦作舟页码:第1页共4页万兆以太网技术发展及应用摘要:随着互联网技术的更新...
一、以太网协议介绍冲突域在共享网络(集线器hub)中,整个集线器就是一个冲突域,如果你用我也用那就信号冲突,结果全军覆没,什么数据都...
模拟总线型以太网数据帧发送过程目录摘要1目的......................................................................................1...
以太网技术大全1从10M、100M、千兆到万兆以太网,以太网技术的发展,在速率呈数量级增长的同时,其应用领域也在不断拓宽。而不同应用领域各...
基于DM9000A和LPC2214的嵌入式以太网接口设计排行榜收藏打印发给朋友举报来源:elenchina发布者:刘伟明、杜林热度8票浏览180次【共0条评论...
1.共享式以太网采用了()协议以支持总线型的结构A.ICMPB.ARPC.SPXD.CSMA/CD2.一台IP地址为10.110.9.113/21主机在启动时发出的广播IP是A....
以太网培训教程
摘要:利用工业组态软件强大的人机界面功能和灵活实用的网络功能,结合工业以太网技术在组网中方便可靠的特性,设计了一个自来水厂的自动监...
基于以太网的住宅小区智能化解决方案基于以太网的住宅小区智能化解决方案1智能小区的背景及需求1.1智能小区的起源智能小区的概念和思路来...

