电脑桌面
添加小米粒文库到电脑桌面
安装后可以在桌面快捷访问

EIO-STD以太网远程IO联网产品快速安装指南VIP免费

EIO-STD以太网远程IO联网产品快速安装指南_第1页
1/9
EIO-STD以太网远程IO联网产品快速安装指南_第2页
2/9
EIO-STD以太网远程IO联网产品快速安装指南_第3页
3/9
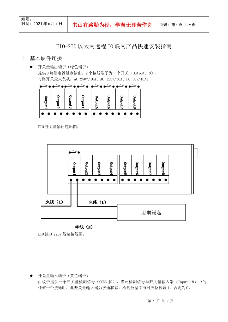
第1页共9页编号:时间:2021年x月x日书山有路勤为径,学海无涯苦作舟页码:第1页共9页EIO-STD以太网远程IO联网产品快速安装指南1.基本硬件连接开关量输出端子(绿色端子)提供8路继电器触点输出。2个接线端子为一个开关(Output1-8)。每路开关最大负载:AC250V/10A、AC125V/30A、DC30V/10A。EIO开关量输出逻辑图。EIO控制220V线路接线图。开关量输入端子(黄色端子)由板子提供一个开关量检测信号(COMM脚),当此检测信号与开关量输入端(Input1-8)中的任何一个接通时,此开关量输入端为接通状态,检测数据字节对应位被置1,否则为0。第2页共9页第1页共9页编号:时间:2021年x月x日书山有路勤为径,学海无涯苦作舟页码:第2页共9页电源输入DC12V500mA端子式电源输入,请按照外壳文字说明连接电源正负极。使用过程中,如果由于供电电源超过上述规定而造成的损失,不在免费保修范围之内。RS232/RS485接口UART端口的1、9脚分别对应RS485的A+、B-。UART端口的2、3、5分别对应RS232的收、发、地,此RS232口默认为管理口。控制通讯方式及协议<通过以太网&TCP/IP控制>:此模式为默认模式,通过TCP/IPModbusTCP通讯协议进行控制,设备监听在502端口,具体报文格式及内容,请查看光盘内的《EIO技术配置手册》,或使用光盘内的演示软件查看控制报文。应用软件可以使用Socket规范与EIO建立用于控制通讯TCP/IP连接。也可以VSPM软件,将EIO映射成本机的虚拟COM,应用软件采用串口编程方式与EIO进行控制通讯。<通过RS485控制>:使用ModbusRTU通讯协议,具体报文格式及内容,请查看光盘内的《EIO技术配置手册》,或使用光盘内的演示软件查看控制报文。<通过RS232控制(占用管理口)>:使用ModbusRTU通讯协议,具体报文格式及内容,请查看光盘内的《EIO技术配置手册》,或使用光盘内的演示软件查看控制报文。启用此模式将占用UART的管理口。RS485协议转换在<通过以太网&TCP/IP控制>模式下:提供1路RS485转以太网,协议转换默认TCP/IP监听端口为6020。网络设备支持10Mbps以太网接入,不支持网线自动翻转,如果与网卡连接,需要使用交叉网线。与交换机或集线器连接,使用普通的568B/A网线即可。2.检查运行状态第3页共9页第2页共9页编号:时间:2021年x月x日书山有路勤为径,学海无涯苦作舟页码:第3页共9页上电后就可以观察设备的工作状态。正常情况下,指示灯每隔一秒闪烁一次,长亮或长灭都为不正常状态。以太网连接正常时<联接>指示灯将长亮。其他状态,参考下面的指示灯含义说明。Data:网络数据,以太网连接有数据传输时闪烁。Link:网络连接,以太网连接正常时为长亮。Work:正常启动并工作后,每隔一秒闪烁一次,长亮或长灭都为故障状态。UART:当与虚拟串口软件或其他控制软件建立连接后为长亮状态,在RS485转TCP/IP透明数据时,此指示灯转换为数据转发指示。CMD:每执行一次远程控制命令,此指示灯闪烁一次。PWR:正常时为长亮状态。3.EIOLink技术2个EIO设备可以通过EIOLink技术配置成对联模式。此模式特点:EIO-A的开关量输入状态将被复制到EIO-B开关量输出EIO-B的开关量输入状态将被复制到EIO-A开关量输出EIO-A与EIO-B的RS485协议转换功能也可以设置为透明传输模式。EIO出厂时,均为EIOLink的,所以一个EIO使用默认设置,另一个使用就可以完成对联。EIO-A使用默认设置,工作在。在EIO-B的菜单中,设置为,并将EIO-B的远程服务器地址设置为EIO-A的IP地址,就可以完成对联设置。EIOLink模式有效情况下,ModbusTCP的开关量输出控制功能将被禁用,但是可以轮询EIO的开关量输入状态。4.开关量状态主动上传功能配置启用EIOLink的(默认已经启用)使用TCP/IP协议连接EIO的5100端口,或将此端口映射成虚拟串口。当开关量发生变化时,可以从此TCP/IP连接,或虚拟串口接收到状态数据报文。5.安装VSPM虚拟串口软件1)安装光盘或从网络下载的VSPM虚拟串口软件。2)EIO默认设置为Server模式,所以择VSPM的Client模式(默认模式)。第4页共9页第3页共9页编号:时间...

1、当您付费下载文档后,您只拥有了使用权限,并不意味着购买了版权,文档只能用于自身使用,不得用于其他商业用途(如 [转卖]进行直接盈利或[编辑后售卖]进行间接盈利)。
2、本站所有内容均由合作方或网友上传,本站不对文档的完整性、权威性及其观点立场正确性做任何保证或承诺!文档内容仅供研究参考,付费前请自行鉴别。
3、如文档内容存在违规,或者侵犯商业秘密、侵犯著作权等,请点击“违规举报”。

碎片内容

EIO-STD以太网远程IO联网产品快速安装指南

确认删除?
VIP
微信客服
  • 扫码咨询
会员Q群
  • 会员专属群点击这里加入QQ群
客服邮箱
回到顶部