气车玻璃钢配件项目可行性研究报告(立项+批地+贷款)编制单位:北京中投信德国际信息咨询有限公司编制时间:二〇二四二〇二四年十一月咨询...
检修灯大众轿车系配件项目可行性研究报告(立项+批地+贷款)编制单位:北京中投信德国际信息咨询有限公司编制时间:二〇二四二〇二四年十一...
欧曼营销公司管理制度—————————————★——————————————欧曼配件质量保修管理办法(修订)FTM.110139.027.0-20082...
配件上半年工作总结设备管-理-员应该是为了生产所需要的设备进行监督、维护、监督设备卫生符合性、延长设备的使用期限、降低设备运行成本、...
新创维电器片区城市更新单元配套市政道路工程主要建筑材料、构配件及设备试验检验和功能性检测计划编制人:审核人:审批人:深圳市金瑞工程...
SMCDMS-ASC应用软件产品培训讲义(配件经理)内部资料严禁外传列入交接SNG11PM-11目录1培训安排............................................
第1页共31页编号:时间:2021年x月x日书山有路勤为径,学海无涯苦作舟页码:第1页共31页腾飞摩托车配件有限公司管理手册2011年第一版第2页...
第1页共18页编号:时间:2021年x月x日书山有路勤为径,学海无涯苦作舟页码:第1页共18页某品牌电视游戏配件B2C营销前景分析祝君2009年,本...
重庆山伦摩托车销售有限公司三轮摩托车配件项目前言.....................................................................................
第1页共46页编号:时间:2021年x月x日书山有路勤为径,学海无涯苦作舟页码:第1页共46页目录第一章总论.....................................
SMCDMS-ASC应用软件产品培训讲义(配件经理)目录内部资料严禁外传列入交接SNG11PM-111培训安排............................................
车间常用各刀盘、刀杆配件明细一、75°D80刀盘1、压刀块配刀片4160511和4160511Z2、配套双头螺栓:M8×21,正反扣,内六方(四方)。3、刀...
序号材料名称最大代表批量最小送试数量必试项目及试件要求检测依据试验周期备注1常用水泥袋装:200t散装:500t12㎏胶砂强度、安定性、凝...
更多企业学院:《中小企业管理全能版》183套讲座+89700份资料《总经理、高层管理》49套讲座+16388份资料《中层管理学院》46套讲座+6020份...
设备支架铁配件安装一、施工准备1、劳动组织序号名称单位数量备注1安装工人2含施工负者人1名2电焊工人2含辅助工1名2工机具序号名称规格单...
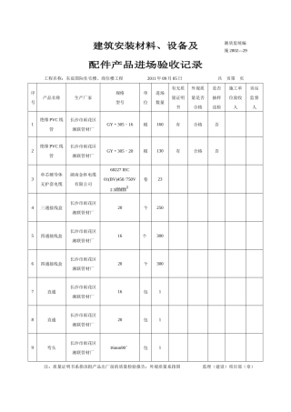
AA3.33.3材料材料((构配件构配件))、、设备进场使用报验单设备进场使用报验单工程名称:盐城市香苑西园小区编号:A3.3—致:盐城市工程...
工程原材料、设备及构配件管理规定一工程甲供设备、原材料及构配件开箱检验执行业主管控体系文件中“0338-设备、材料验收工作制度”的规定...
家具、橱柜配件生产及运营中心场外给排水施工方案上海堡华建筑工程有限公司二0一五年七月目录1编制依据.....................................
生产工艺卡文件编号:BG/产品名称二三插带双控大板开关配件加工共页工序名称拧端子螺丝工序卡编号第页简图:工步内容:1、检查M3.5*6.3和M3....
AA3.33.3材料材料((构配件构配件))、、设备进场使用报验单设备进场使用报验单工程名称:万骏金域丹堤CK1编号:A3.3致:江苏阳湖建设项目...

