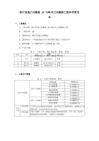
备注 其中液体产品 11.6 万吨/ 年 固体产品 8.4 万吨/ 年浙江恒逸己内酰胺 20 万吨/年己内酰胺工程环评简写本一、工程概况1、工...
己内酰胺污水处理装置开车方案二 0 一六年四月目录1 概况.............................................................................
β-内酰胺类抗生素与酶抑制剂复方制剂医院用药分析1 374 杨昌顺 原创 | 2024/11/1 23:44 | 投票 关键字:医疗改革 医疗设备 生...
己内酰胺事业部青年志愿者管理办法第一章 总则 第 1 条 为进一步发挥己内酰胺事业部青年志愿者在公司文明创建活动中的生力军作用,进...
岳阳市注册志愿者统计表单位: 己内酰胺事业部 ( 455 人) 姓名性别出生年月政治面貌工作单位服务意向联系电话身份证号码志愿者注册...
2024 年己内酰胺事业部青年志愿者活动方案一、指导思想:根据事业部党政和公司团委的工作部署,以弘扬“奉献、友爱、互助、进步”志愿者精...
己内酰胺事业部青年志愿者管理办法第一章 总则 第 1 条 为进一步发挥己内酰胺事业部青年志愿者在公司文明创建活动中的生力军作用,进...
2019年06月工艺管控况,还应该注意到管道的建设材料,在布置时确保这些管道的材料也能满足管道运行的要求。在这种情况下,需要在管廊的上层...
Dec.2015精细与专用化学品第23卷第12期Fine and Specialty Chemicals 2015年12月 收稿日...
己内酰胺生产工艺比较1 己内酰胺进展历程1899 年,德国学者和首次加热 ε-氨基己酸获得了己内酰胺。未工业应用。1900 年,利用贝克...
β-内酰胺类抗生素与酶抑制剂复方制剂医院用药分析1 374 杨昌顺 原创 | 2010/11/1 23:44 | 投票 关键字:医疗改革 医疗设备 生...
精品文档---下载后可任意编辑1、目的与要求 目的生产实习是理论联系实际的重要课堂。通过生产实习,培育学生理论联系实际的作风,加深理解...
1详解卩-内酰胺类抗生素和卩-内酰胺酶抑制剂详解 B-内酰胺类抗生素和 B-内酰胺酶抑制剂一、概述革兰阴性菌是我国细菌感染性疾病最常见的...
第1页 第六章 β-内酰胺类抗生素 一、A 1、对羧苄西林叙述错误的是 A、常与庆大霉素合用 B、单用时细菌易产生耐药性 C、对铜绿假单...
精品文档---下载后可任意编辑鸡源分离菌超广谱 β-内酰胺酶基因分型和整合子分子特征的开题报告题目:鸡源分离菌超广谱 β-内酰胺酶基因...
精品文档---下载后可任意编辑鸡源性大肠杆菌对 β-内酰胺类药物的耐药机制讨论的开题报告【摘要】β-内酰胺类抗生素是目前常用的广谱抗生...
精品文档---下载后可任意编辑鲍曼不动杆菌耐药性及 β-内酰胺酶基因型动态变化特征讨论的开题报告题目:鲍曼不动杆菌耐药性及 β-内酰胺...
精品文档---下载后可任意编辑鲍曼不动杆菌对 β-内酰胺类抗生素的耐药机制讨论的开题报告题目:鲍曼不动杆菌对 β-内酰胺类抗生素的耐药...
精品文档---下载后可任意编辑鲍曼不动杆菌 β-内酰胺酶基因型讨论及同源性分析的开题报告一、讨论背景:鲍曼不动杆菌(Burkholderia cepac...
精品文档---下载后可任意编辑鲍曼不动杆菌 PER 型超广谱 β-内酰胺酶耐药基因讨论的开题报告鲍曼不动杆菌(Acinetobacter baumannii)...

