电脑桌面
添加小米粒文库到电脑桌面
安装后可以在桌面快捷访问

恒逸己内酰胺有限公司2万吨年己内酰胺工程环评报告

恒逸己内酰胺有限公司2万吨年己内酰胺工程环评报告_第1页
1/9
恒逸己内酰胺有限公司2万吨年己内酰胺工程环评报告_第2页
2/9
恒逸己内酰胺有限公司2万吨年己内酰胺工程环评报告_第3页
3/9
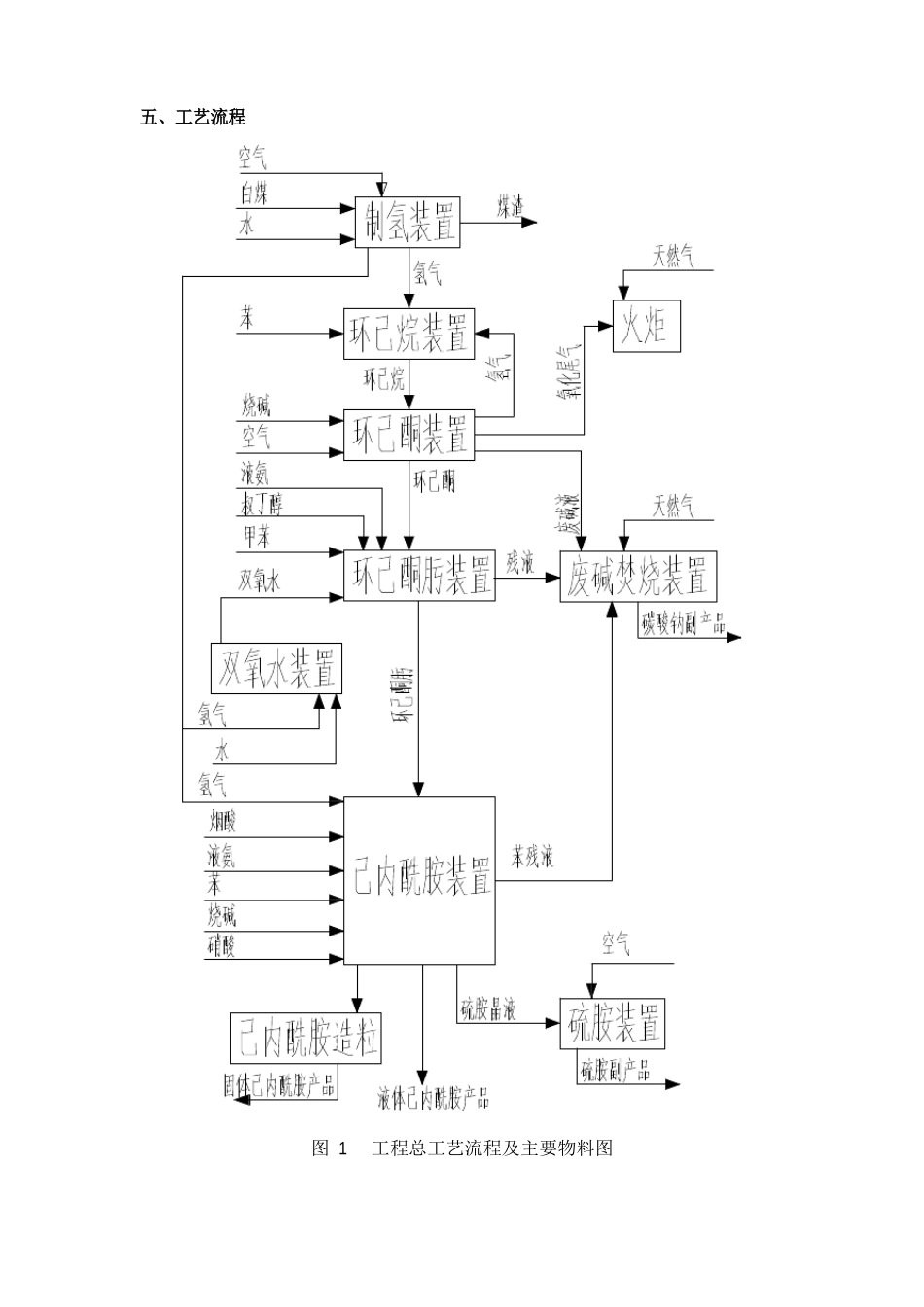
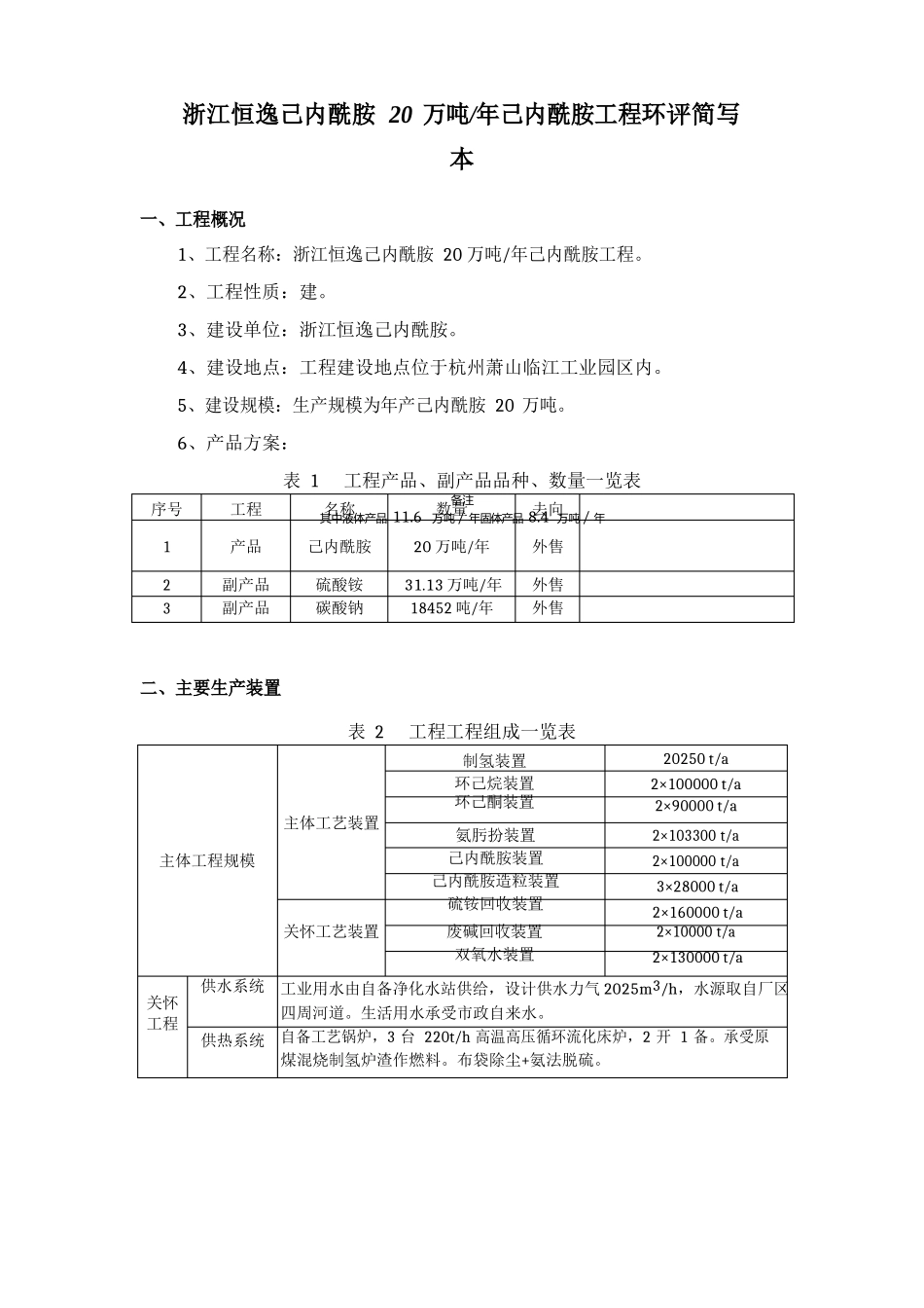
备注 其中液体产品 11.6 万吨/ 年 固体产品 8.4 万吨/ 年浙江恒逸己内酰胺 20 万吨/年己内酰胺工程环评简写本一、工程概况1、工程名称:浙江恒逸己内酰胺 20 万吨/年己内酰胺工程。2、工程性质:建。3、建设单位:浙江恒逸己内酰胺。4、建设地点:工程建设地点位于杭州萧山临江工业园区内。5、建设规模:生产规模为年产己内酰胺 20 万吨。6、产品方案:表 1工程产品、副产品品种、数量一览表序号工程名称数量去向1产品己内酰胺20 万吨/年外售2副产品硫酸铵31.13 万吨/年外售3副产品碳酸钠18452 吨/年外售二、主要生产装置表 2工程工程组成一览表制氢装置环己烷装置环己酮装置20250 t/a2×100000 t/a2×90000 t/a主体工程规模主体工艺装置氨肟扮装置 己内酰胺装置己内酰胺造粒装置硫铵回收装置2×103300 t/a2×100000 t/a3×28000 t/a2×160000 t/a关怀工艺装置废碱回收装置双氧水装置2×10000 t/a2×130000 t/a供水系统关怀工程供热系统工业用水由自备净化水站供给,设计供水力气 2025m3/h,水源取自厂区四周河道。生活用水承受市政自来水。自备工艺锅炉,3 台 220t/h 高温高压循环流化床炉,2 开 1 备。承受原煤混烧制氢炉渣作燃料。布袋除尘+氨法脱硫。序号装置名称1环己烷装置环己酮装置工艺路线以苯为原料,承受苯催化加氢技术生产环己烷承受环己烷无催化氧化技术,氧化反响器承受内导流筒式工艺特点备注转化率高国内已有技术2主体生产装置收率高国内已有技术3 环己酮肟装置国内自主开发的氨肟化工艺流程短中石化自有知456关怀7生产装置8三、工艺先进性本工程承受苯为原料的工艺路线,即苯——环己烷——环己酮——环己酮肟——己内酰胺。该工艺是世界上主流的己内酰胺生产工艺,具有原料易得、工艺成熟牢靠等优点,其中环己酮——环己酮肟步骤承受中石化开发的具有自主学问产权的氨肟化工艺技术,类似装置在中石化巴陵公司已投入运行。总的来说,以苯为原料的工艺路线是目前世界上已工业化工艺路线中最经济、牢靠的工艺,且其中氨肟化工段承受中石化氨肟化工艺后, NOx 废气及硫铵副产品产生量大大降低,应当说本工程承受的是比较牢靠且清洁的工艺,在国内属领先水平。表 3各主体生产装置和关怀生产装置工艺技术路线投资少识产权技术己内酰胺装置 两段重排、中和结晶技术效率高、节能国内已有技术煤制氢装置常压间歇法投资少国内已有技术双氧水装置蒽醌法低温低压中化拂晓院硫铵回收装置 沸腾枯燥...

1、当您付费下载文档后,您只拥有了使用权限,并不意味着购买了版权,文档只能用于自身使用,不得用于其他商业用途(如 [转卖]进行直接盈利或[编辑后售卖]进行间接盈利)。
2、本站所有内容均由合作方或网友上传,本站不对文档的完整性、权威性及其观点立场正确性做任何保证或承诺!文档内容仅供研究参考,付费前请自行鉴别。
3、如文档内容存在违规,或者侵犯商业秘密、侵犯著作权等,请点击“违规举报”。

碎片内容

恒逸己内酰胺有限公司2万吨年己内酰胺工程环评报告

办公文档专营+ 关注
实名认证
内容提供者

大量办公文档,欢迎选择

确认删除?
VIP
微信客服
  • 扫码咨询
会员Q群
  • 会员专属群点击这里加入QQ群
客服邮箱
回到顶部