公路工程项目竣工文件材料立卷归档编制办法 竣工文件编制总说明 一、术语 1、案卷:由相互联系的若干文件材料组成的一种档案保存单位。...
公路工程竣工施工资料编制步骤 一 、竣工图表 1 . 变 更 设 计 一 览 表 ; 2 . 变 更 图 纸 ; 3 . 工 程 竣...
竣工文件编制内容 序号 竣工文件内容 编制单位 第一部分 综合文件 建设单位 总目录及案卷目录 第一册 建设依据及上级有关指示 1...
1 竣 工 文 件 组 卷 及 档 号 第 一 节 竣 工 文 件 的 组 卷 第 一 条 竣 工 文 件 的 整 理 及 编 制...
1 公路工程竣工文件材料立卷归档管理办法 2 0 0 1 年6 月1 3 日 交办发〔2 0 0 1 〕3 9 0 号 第 一章 总 则 第 一...
1 竣工图表编制说明 第一节 竣工图表绘制基本要求 第 一条 竣 工 图 应 能 全 面 、 准 确 反 映 竣 工 工 程 的 ...
1 公路工程竣(交)工验收办法实施细则 (交公路发〔2010〕65号) 第一章 总则 第一条 为进一步规范和完善公路工程竣(交)工验收工...
公路工程竣(交)工验收鉴定书
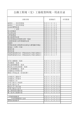
表格名称表格编号应用数量深圳市 项目管理处SZ010101深圳市 项目管理处SZ010102会议纪要签发单SZ010103( )文...
公 路 工 程 竣 ( 交 ) 工 验 收 办 法 实 施 细 则 公 路 局 2010 年 03 月 05 日 第 一 章 总 则 第 ...
1 公 路 工 程 竣 (交 )工 验 收 办 法 实 施 细 则 第 一章 总则 第 一条 为 进 一 步 规 范 和 完 善 公...
公路工程竣(交)工验收办法实施细则
3 挖石方 石方开挖分为两部分,松软岩石、覆盖层及浮土采用挖掘机挖装,自卸汽车运输,边坡采用挖掘机辅以人工清刷;比较坚硬的岩石采用...
目 录 3、物理性质试验……………………………………………………………………59 T 0205—2005 吸水性试验…………………………………...
1B431000 公路工程相关法律法规 1B431000 《公路法》相关规定 1B431010 掌握《公路法》中公路建设的相关法律规定及责任 1B431011 《...
1 公 路 工 程 ( 土 建 部 分 ) 施 工 质 量 保证资料的形成和编制百问百答 1 基本要求 1.1 问:质量保证资料包括哪...
序号名称编号主编单位实施日期替代规范发布部门备注一、 基础类1公路工程标准体系JT G A01-2002中国工程建设标准化协会公路工程委员会20...
1 工程项目 承包单位: 合同号: 监理单位: 编 号: 安全管理收发文件目录 表C-1 序号 文件来源 文件标题 文件日期 收发文号...
检验表-1土方路基现场质量检验报告单承包单位:检验表-1 -1路基压实度(弯沉值)现场质量检验报告单监理单位:检验表-2石方路基现场质量检...
*********公路工程 环 境 保 护 体 系 编制 审核 审批 ******工程有限责任公司 二〇一二年 十月 目 录 一、环境保护管理制...

