1043 1A1111210AEFINO. 11210AEFINO. 22 1A4 1A1B31B4B(BAT)220AEFI MAINB(BAT)15AIG212(IG)GRBA1BBR7. 5AIGN(IG)2B11A1I...
卡罗拉1ZRFE发动机机械部分(节选)
卡罗拉4AT真的那么落后吗? 我总看到一帮看卡不爽的SB在那里说攻击4速变速箱。 反正不懂的人,看到4AT,第一反应总是没有 5AT好? 再问...
《罗拉快跑》 精彩片段赏析 “我总是起始于影像、意念。在我的脑海中先有影像,我开始想要延续它,绕着这个意像发展出一些故事,从中做出...
一、罗拉零件总体分析 罗拉是纺织机械中起喂给、牵伸、输出等作用的圆柱形回转零件,是英语词 “roller”的音译,有辊和轴的含义。广泛用...
下载后可任意编辑卡罗拉销售方案1. 产品介绍卡罗拉是一款广受欢迎的丰田品牌汽车,它具有出色的品质和性能。作为一款经典的家庭轿车,卡罗...
丰田卡罗拉电动助力转向系统 EPS)、功能电动助力转向系统(EPS)将最新的电力电子技术和高性能的电机控制技术应用于汽车转向系统,能显著...
《罗拉快跑》介绍《罗拉快跑》在我看来是一部奉行了"简约主义 "的电影 -- 因为虽然看起来眼睛会很疲劳, 但却不用动太多的脑子。聪明的...
下载后可任意编辑卡罗拉使用手册12024 年 4 月 19 日下载后可任意编辑卡罗拉使用手册驾驶前钥匙信息钥匙本车随附有下列钥匙。带智能进...
自动档车的驾驶技巧自动档车的开法之入门:首先,自动档一般都有 P,R,N,D,3,2,1 这些档位。并请牢记:P,停车档R,倒车档N,空档D,行车档3,2,...
汽车空调试验结果通知书 Test Data Report 产品名称 卡罗拉+1.6L+AT、速腾+1.6L+MT Produ ct Name 试验类别 产品开发(BM) T...
丰田卡罗拉维修手册1
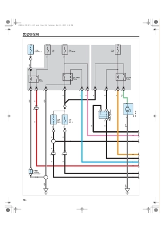
丰田卡罗拉1ZRFE发动机维修手册故障诊断手册2
丰田卡罗拉车载蓝牙怎么用 蓝牙配对 要将移动设备连接至本机,您需要将该移动设备与本机配对。 1、打开移动设备的蓝牙功能 ( 本机蓝牙...
丰田卡罗拉空气流量计原理及检修 一、 空气流量计工作原理 在图 1 所示电路中,电桥处于平衡状态时热线与冷线温度相差保持100℃。当空...
发动机拆卸步骤 1、拆下气缸盖罩上13 个螺栓、密封垫圈,拆下气缸盖罩,拆下凸轮轴轴承盖上的3 个衬垫,拆下气缸盖罩衬垫 2、 转动曲...
第一步:将 1 号气缸设置到 TDC/ 压缩 (a) 转动曲轴皮带轮,直到其凹槽与正时链条盖上的正时标记“0”对准。 (b) 如图所示,检查并...
罗拉快跑读后感 第一篇:罗拉快跑读后感因果无限牵连的世界 回忆起《罗拉快跑》中的情节,三种故事的发展路线,三种不同的结果,电影中发...
读罗拉快跑有感 100154021 徐悦 在此之前我认为很有必要先分析一下我的思维活动。人的思想是什么呢。思维会思考思维是什么,思维会思考...
吉林大学远程教育本科生毕业论文(设计)中 文 题 目 卡罗拉汽车制动系统的结构及常见故障分析学 生 姓 名曲 宝 仁专 业汽车服务...

