电脑桌面
添加小米粒文库到电脑桌面
安装后可以在桌面快捷访问

卡罗拉发动机控制系统电路图VIP专享

卡罗拉发动机控制系统电路图_第1页
1/10
卡罗拉发动机控制系统电路图_第2页
2/10
卡罗拉发动机控制系统电路图_第3页
3/10
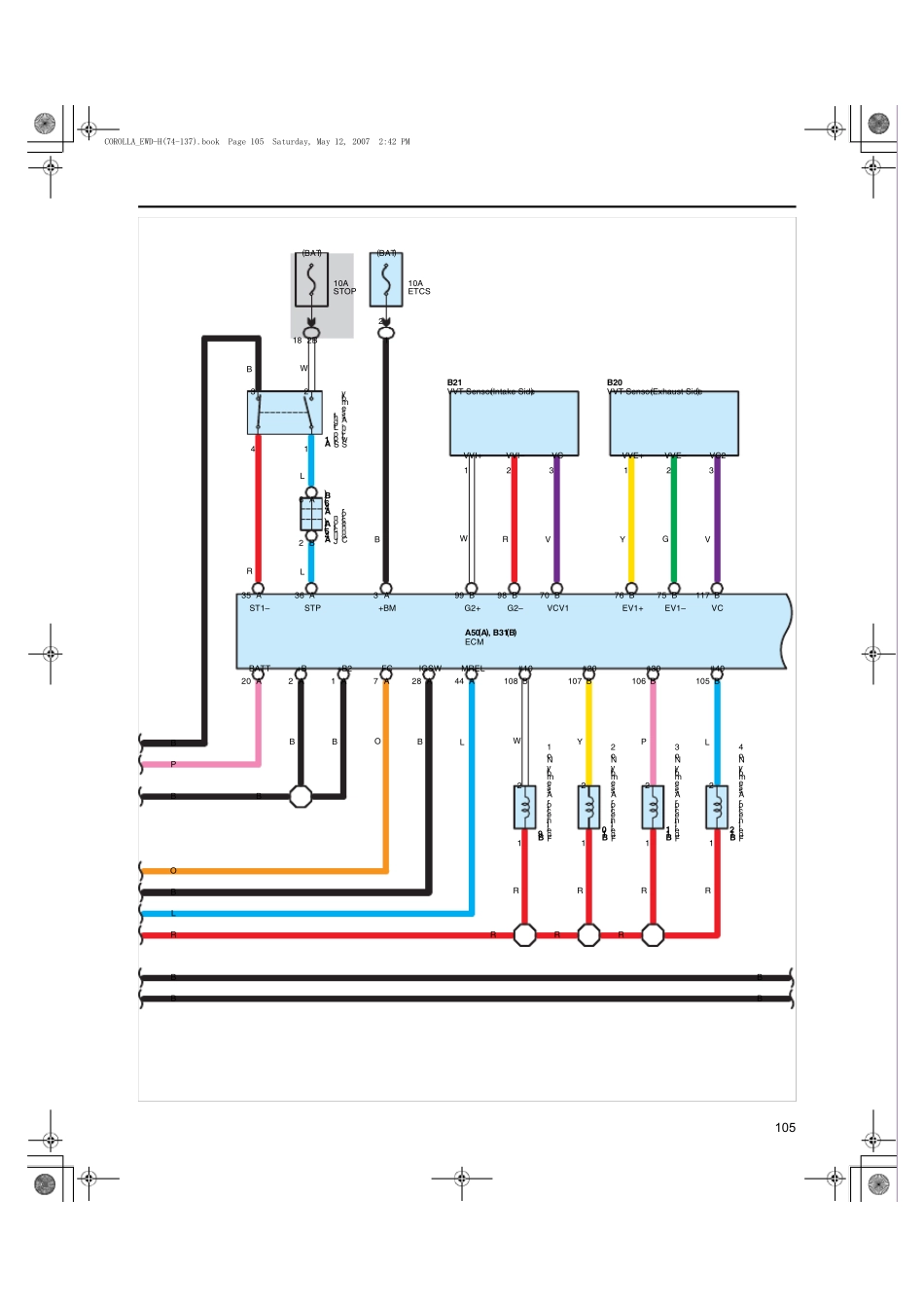
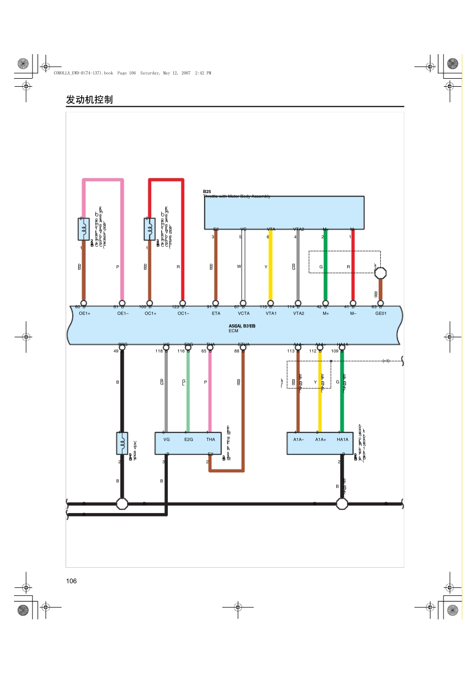
1043 1A1111210AEFINO. 11210AEFINO. 22 1A4 1A1B31B4B(BAT)220AEFI MAINB(BAT)15AIG212(IG)GRBA1BBR7. 5AIGN(IG)2B11A1IG2RelayEFI MAINRelayLG10 2B2A8C/OPNRelayA45(A), A46(B)L2L174 A34A4 BW–B5MPump2 1B9 BA112W–BRBW–BLOB9BB8 BA1W–BB1B1PBBB27. 5AIG2 NO. 2W–B2BW–BA46(B)JunctionConnectorJunction ConnectorFuel PumpPBOBLBBR8 B7 B&252//$B(:'+ERRN3DJH6DWXUGD\0D\301051212122144 A28 A7 ABBBB108B107106 BB105B99B98B70B76B75B117BA36G2+G2–VCV1EV1+EV1–VCSTPFCIGSWMREL#10#20#30#40VC2VVE–VVE+VCVVI–VVI+OBLWYPLRRRRRRWRVYGVA1123123B21B20B9B10B11B12(BAT)2110AETCS+BM3 AR2A20BATTA+B2+BBBBA50(A), B 31(B)VVT Sensor (Intake Side)ECMFuel Injector Assembly No. 1VVT Sensor (Exhaust Side)Fuel Injector Assembly No. 2Fuel Injector Assembly No. 3Fuel Injector Assembly No. 410ASTOP2B18(BAT)12WLA1LA45(A), A46(B)B2A6Stop LightSwitch AssemblyJunctionConnector34A35ST1–RBPBOBLBBR&252//$B(:'+ERRN3DJH6DWXUGD\0D\30106112212B60B61B91B67B115B1143B495B118B116B65B8842 BB41B63B100B123OE1+OE1–ETAVCTAVTA1VTA2M+M–GE01OC1+OC1–PRGVGE2GTHAETHA+BE2E2VCVTAVTA2M+M–THAE2GVGBRPBGRLGPBRBBBBRWYGRGR(∗1)BRR356421B25B19B2B2341BA50(A), B 31(B)BR2BB22Camshaft Timing OilControl Valve Assembly(Exhaust Side)Throttle with Motor Body AssemblyPurge VSVMass Air Flow MeterECMCamshaft Timing OilControl Valve Assembly(Intake Side)B124B113B112B109A1A–A1A+HA1A+BHA1AA1A+A1A–BRYGB893Air Fuel Ratio Sensor(Bank 1 Sensor 1)B(2ZR–FE)(2ZR–FE)(2ZR–FE)(2ZR–FE)B(∗1)(∗1)&252//$B(:'+ERRN3DJH6DWXUGD\0D\30107PA5755AYLBEPA2AEPA60VCP2VCPA59VPA2VPAO56RA58AAEPAVPAVCPAEPA2VCP2VPA2A3654312BB21109 BB112B91∗ 1 : Shielded3B97B9613B47B64B87121 BB122THWETHW+BE2E2+BHT1AOX1AEX1AHT1BOX1BEX1BNE+NE–OX1BHT1BOX1AHT1ALPBRE1(∗1)GRBRGWBR(...

1、当您付费下载文档后,您只拥有了使用权限,并不意味着购买了版权,文档只能用于自身使用,不得用于其他商业用途(如 [转卖]进行直接盈利或[编辑后售卖]进行间接盈利)。
2、本站所有内容均由合作方或网友上传,本站不对文档的完整性、权威性及其观点立场正确性做任何保证或承诺!文档内容仅供研究参考,付费前请自行鉴别。
3、如文档内容存在违规,或者侵犯商业秘密、侵犯著作权等,请点击“违规举报”。

碎片内容

卡罗拉发动机控制系统电路图

小辰2+ 关注
实名认证
内容提供者

出售各种资料和文档

确认删除?
VIP
微信客服
  • 扫码咨询
会员Q群
  • 会员专属群点击这里加入QQ群
客服邮箱
回到顶部