1 平台接口对接方案 与平台对接,建设工伤保险相关公共服务功能的稳定性,提高数据共享程度,系统建立与其他业务系统的接口。 1.1 接口...
工字钢焊缝对接加强钢板尺寸选取 The document was finally revised on 2021 热轧普通工字钢对接焊缝连接 加强钢板选取与计算 杭...
型钢对接标准 ( 总1 3 页) --本 页 仅 作 为文 档 封 面 , 使 用 时 请 直 接 删 除 即 可 -- --内 页 可 以...
1 / 8 在招商项目对接洽谈会议上的致辞�尊敬的各位领导,各位来宾,女士们,先生们,朋友们: 大家好! 为认真贯彻落实全省加快菏泽发...
金融工作与银企对接会发言稿 同志们 市政府召开全市金融工作暨 2011 年第一次银企对接会议,今天。主要目的总结 2010 年金融工作,分...
在招商项目对接洽谈会议上致辞 在招商项目对接洽谈会议上的致辞 尊敬的各位领导,各位来宾,女士们,先生们,朋友们: 大家好。 为认真...
聚焦产销对接、产融合作在全市地企合作联席会议上的讲话 这次会议聚焦产销对接、产融合作,抓住了当前地企合作需要解决的突出问题,选题准...
召开扶贫协作工作对接会讲话 扶贫工作不是一个人能做好的,需要大家的共同努力。这里小编给大家带来的是,有兴趣的小伙伴可以进来看看,参...
校地企科技成果对接会领导致辞 校地企科技合作项目对接会领导致辞 各位领导、各位来宾: 大家好,今天我们在此隆重召开 20xx 年 xx ...
下载后可任意编辑水利局诉调对接联席机制工作意见与水利局防汛办工作总结汇编水利局诉调对接联席机制工作意见一、指导思想和目标任务指导思...
下载后可任意编辑水利局诉调对接联席机制工作意见与水利局长年终述职汇报汇编水利局诉调对接联席机制工作意见一、指导思想和目标任务指导思...
下载后可任意编辑水利局行政问责工作报告与水利局诉调对接联席机制工作意见汇编水利局行政问责工作报告根据《人民政府关于贯彻落实行政问责...
一、 使用场景: DS-ISH08-V(TP60)加前端卡口相机DS-2CD94T5-ISH/V,以及NVR 对接三所平台,把车辆抓拍上传到三所平台。 三所平台即...
Kepserver-104 主站配置对接流程 本文档主要介绍使用Kepserver-104 主站对接从站的过程,最终效果如下所示 从站原始数据 主站采集数据...
型钢拼接和对接标准 1 主题内容和适用范围 未标准规定了用钢板焊接型钢的几何尺寸、角焊缝高度和型钢对接的结构型式及对接要求 本标准...
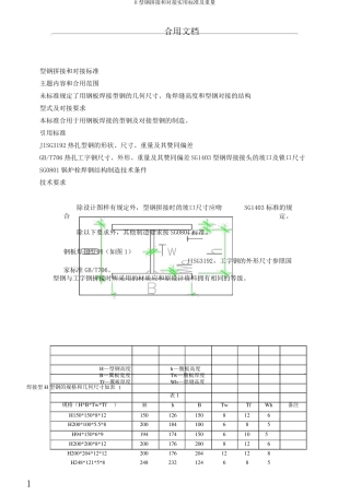
H 型钢拼接和对接实用标准及重量 1 合用文档 型钢拼接和对接标准 主题内容和合用范围 未标准规定了用钢板焊接型钢的几何尺寸、角焊缝...
- - - .可修编 . 型钢拼接和对接标准 1 主题容和适用围 未标准规定了用钢板焊接型钢的几何尺寸、角焊缝高度和型钢对接的结构型式及...
*欧阳光明*创编 2021.03.07 *欧阳光明*创编 2021.03.07 【单选】李嘉诚认为,他商业成功的最关键秘诀是() 欧阳光明(2021.03.07) ...
1.1. (( 20112011 天津)台秤是一种称量质量的天津)台秤是一种称量质量的工具。使用前,将台秤放在水平面上,游工具。使用前,将台秤...
下载后可任意编辑校地企产业人才对接会讲话稿与校工委新春致辞汇编校地企产业人才对接会讲话稿下午好!今日的校地企产业精英对接会,在与会...

