幼儿园办园行为督导评估工作自查报告根据《关于开展幼儿园办园行为督导评估工作的通知》(x教秘督〔行动计划实施以来,我县按照广覆盖、保...
1/17巴中市幼儿园办园行为督导评估实施方案(试行)根据《四川省教育厅关于印发<幼儿园办园行为督导评估实施办法>的通知》(川教〔2017〕11...
关于印发《河南省义务教育学校办学基本标准督导评估方案(试行)》的通知教督导〔2013〕231号河南省教育厅河南省人民政府教育督导团关于印...
河南省教育厅河南省人民政府教育督导团转发国务院教育督导委员会办公室关于印发《中小学校责任督学挂牌督导办法》的通知教督导〔2013〕966...
在督导分公司工作会议上的讲话各位伙伴,大家好。非常高兴来到西域xx。来的目的有两个:一是参加xx铁路局铁路意外险的合作项目的签约仪式;...
调研督导脱贫攻坚及基层党建工作讲话脱贫工作和党建工作是每个农村工作的重点,我们要做好这两项工作。这里小编给大家带来的是,有兴趣的小...
-1-滕州市2013年度小学办学水平督导考核实施细则一、评估指标及权重体系(一)重点性指标(800分)A1.教育思想(15分)B1.管理理念(5分)B2.办...
在农村义务教育管理体制督导评估工作动员大会上的讲话同志们:省人民政府教育督导团和省教育厅将于5月中旬对我市开展“两基”复查考核和完...
-1-小学体育体育工作专项督导自查报告为了认真贯彻落实《中共中央国务院关于加强青少年体育增强青少年体质的意见》和《学校体育工作条例...
教育质量提升督导会领导讲话同志们:经县委、县政府研究,决定今天召开全县教育工作会,主要任务是贯彻落实全市“314”总体部署、县十一次...
在全市重点工作督导落实专题会议上的讲话(2011年5月24日)同志们:今天下午,市委紧急召开这次督导落实专题会,主要任务是专题研究...
学校义务教育均衡发展督导学校讲话建立义务教育均衡发展督导评估制度,是依法治教的客观需要,也是落实《规划纲要》的一项重要举措。这项制...
在区级党政领导教育工作督导评估与考核动员会上的讲话树立科学发展观,落实正确政绩观促进教育工作持续、快速、协调、健康发展——在区级党...
1/4寒亭区年春季开学工作督导报告为贯彻落实国家、省、市教育部门“做好年春季开学督导检查工作”系列通知的要求,切实做好春季开学工作,...
先进性教育活动督导组成员会议上的讲话先进性教育活动督导组成员会议上的讲话篇1今年1月5日,中央召开全国保持共产党员先进性教育活动工作...
群众路线督导工作会议讲话在**县党的群众路线教育实践活动领导小组暨督导工作会上的讲话——**督导组常务副组长2014年5月7日(根据讲话录音...
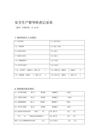
安全生产督导检查记录表(2017年督导用,共6页)1.组织机构与人员情况1.1单位名称:1.2法定代表人:1.3分管领导:1.4电话、传真:1.5治安保...
学校督导评估自查报告2————————————————————————————————作者:———————————————————...
1/7附件1甘肃省学前教育督导评估标准一级指标二级指标分值评估标准自评简述(如有扣分情况,要说明原因)得分备注(主要说明他评扣分原因)...
浅谈如何做好督导工作2————————————————————————————————作者:———————————————————...

