预制梁场建设方案2————————————————————————————————作者:—————————————————————...
预制装配式小部品异形柱结构建造技术研究2————————————————————————————————作者:——————————...
潮莞高速连接大道新建工程预制箱梁架设施工方案1目录第一章编制说明......................................................................
实用标准文案精彩文档目录一、编制说明.............................................................11、编制依据........................
个人收集整理仅供个人学习参考1/3预制预应力管桩施工方案1、工程概况:本工程场地背山面海,原为香蕉园,经用砂回填至目前标高2.8±0.3m.设...
1/7工程名称交底部位工程编号日期交底内容:预制钢筋砼框架结构构件安装本技术交底适用于一般工业与民用建筑多层框架预制梁、柱、板等钢筋...
1/34.13预制箱梁模板技术1.主要技术内容预制箱梁模板具有精度高、结构简单、整体缩放自如、脱模容易、操作简单,可以整体吊装或拖拉到制梁...
实用标准文案精彩文档预制直埋保温管补口方法施工应注意的事项:1、施工时应避免地下水及雨水的浸泡,若端头不慎浸水,连接外套前应做干燥...
预制梁板架设方案一、编制依据:1.《公路桥涵施工技术规范》JTG/TF50-20112.《公路工程施工安全技术规范》(JTGF9—2015)3.《吊装作业安全...
预制砼方桩施工质量监理细则第二篇基础分部工程施工质量监理细则§2-1预制砼方桩施工质量监理细则一、质量标准:(一)依据标准:应符合国家...
目录一、编制说明.............................................................1、编制依据.............................................
目录一、编制依据..........................................错误!未定义书签。二、工程概况.............................................
个人收集整理仅供个人学习参考1/3预制混凝土板块和水泥方砖路面铺设施工工艺标准(713-1996)范围本工艺标准适用于工业与民用建筑地厂区、...
预制梁场验收表工程名称:海东大道一号桥监理单位:铁科院(北京)工程咨询有限公司序号评价项目及标准验收情况1验收申请单位和盖章是否正...
xxxxx厂房预制柱制作专项施工方案批准:审核:编制:编制单位:集团有限公司编制日期:二0一四年三月十日目录第一章编制依据第二章工程概况...
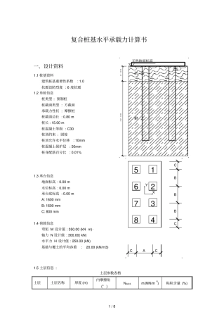
1/8复合桩基水平承载力计算书一、设计资料1.1桩基资料建筑桩基重要性系数:1.0抗震设防烈度:6度抗震1.2单桩信息桩类型:预制桩桩截面类型:方...
1一、预制柱施工工艺本工程预制构件主要是钢筋砼预制柱。钢筋砼预制柱在场外预制。根据场外场地实际情况,拟考虑预制柱采取按轴线单柱依次...
预制构件首件验收记录表施工单位预制厂名称构件名称构件材料验收记录主控项目水泥品种、检验报告单编号粗细骨料规格、检验报告单编号掺合料...
预制构件驻厂监理职责一、驻厂监理机构组织、人员、职责1.驻厂监理的组织结构:项目总监理工程师主管,驻厂监理人具体负责。驻厂监理开始以...
实用标准文案精彩文档35省道桐桥至官路段公路改建工程第四合同段预制T梁作业指导书浙江华通路桥工程有限公司编写:审核:批准:实用标准文...

