电脑桌面
添加小米粒文库到电脑桌面
安装后可以在桌面快捷访问

预制桩工程施工组织设计方案(DOC48页)VIP免费

预制桩工程施工组织设计方案(DOC48页)_第1页
1/34
预制桩工程施工组织设计方案(DOC48页)_第2页
2/34
预制桩工程施工组织设计方案(DOC48页)_第3页
3/34
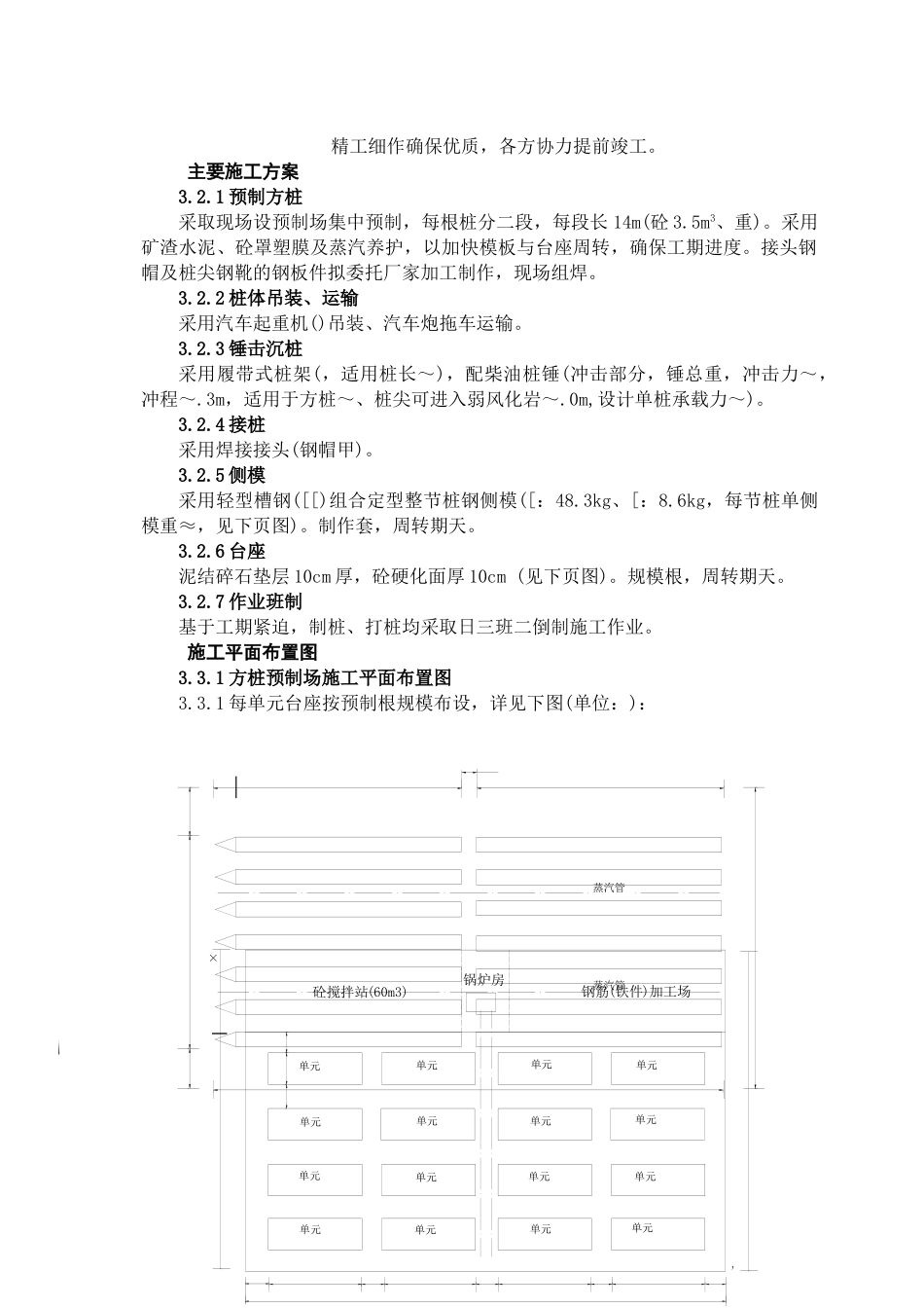
标件十 施工组织设计.工程概述 工程简况某电厂一期工程×发电机组,由安徽电建一公司于年月日中标承包施工,目前电建一公司某电厂项目部已进驻施工现场并全面展开工作,砼预制桩具备招标条件。 工程范围、内容及工程量本标工程为某电厂砼预制桩工程,桩型号为 97G 图集中的(烟囱)及(主厂房),砼强度,单桩竖向承载力为。工程范围、内容及工程量如下:烟囱桩基:桩运输(安庆老峰电厂至现场),打、接、送砼预制桩(锤击)、桩孔回填土施工、配合高低应变实验。桩规格××23000mm,约根。主厂房桩基:桩预制、施工现场运输倒运及打桩、接桩、送桩(锤击)、桩孔回填土施工、配合高低应变实验。桩规格××28000mm,约根。 工期要求烟囱桩基:开工日期为年月日桩运输,月日开始打桩;竣工日期为年月日结束(日历天)。主厂房桩基:开工日期为年月日,竣工日期为年月日(日历天)。 质量要求本工程质量根据业主的设计图纸,严格按国家、建设部及电力行业颁发的现行有效的施工技术标准、规格、规范、验收标准施工,质量达到优良。 施工条件本工程位于某市贵池区东北(江口镇)约 13km,傍近长江及公路,交通方便。施工电源、水源由招标方指定的供电盘、接水口自行接引。施工临建由招标方统一规划,承包人居住场地及通信由承包人自行解决。工程所需材料均由承包人自行采购。 工程特点工程项目单一;大断面长桩,焊接接头;工程数量大;现场预制;工期紧迫;自然条件、施工条件好,便于集中优势力量展开机械化施工。本工程重点在打桩,但关键环节在制桩,而制桩的关键工序是钢筋制安,关键的部位是桩尖及焊接接头的铁件制作、安装精度。.现场组织机构及主要人员、施工技术力量配置 现场组织管理机构我单位高度重视本项工程,中标后,将其列为今年度重点在建工程之重,实行项目法管理,组建以黄德富、蒋玉明(一级项目经理)任项目经理、常务副经理及易图林(工民建专业高级工程师)任项目总工程师,并设置“五科、三室、二所”的整体功能强的现场项目经理部,全权负责实施。调遣所属技术实力强、类似工程经验丰富、业绩突出的制桩、打桩二个专业工程队负责承建。项目部组织管理机构见下图: 主要管理人员配备详见《商务标》之标件七《主要施工人员情况表》 施工技术力量配备 详见本标件之《专业技工配备》.总体施工组织方案及规划 总体主导思路根据本标工程特点,结合我单位的技术装备能力和实践经验,为确保实现工期、质量、安全及文明施工等规划目标,施...

1、当您付费下载文档后,您只拥有了使用权限,并不意味着购买了版权,文档只能用于自身使用,不得用于其他商业用途(如 [转卖]进行直接盈利或[编辑后售卖]进行间接盈利)。
2、本站所有内容均由合作方或网友上传,本站不对文档的完整性、权威性及其观点立场正确性做任何保证或承诺!文档内容仅供研究参考,付费前请自行鉴别。
3、如文档内容存在违规,或者侵犯商业秘密、侵犯著作权等,请点击“违规举报”。

碎片内容

预制桩工程施工组织设计方案(DOC48页)

确认删除?
VIP
微信客服
  • 扫码咨询
会员Q群
  • 会员专属群点击这里加入QQ群
客服邮箱
回到顶部