化学实验室安全知到章节测试答案智慧树2023年最新中南民族大学第一章测试1.实验室安全管理的原则就是要做到防患于未然,消除安全隐患,把安...
第1页共17页专题八化学键分子和晶体的结构与性质1.下列关于HF、H2O、NH3的说法不正确的是()A.HF、H2O、NH3都是由极性键形成的极性分子B.HF...
专题十四有机物的结构烃和烃的衍生物1.按照有机物的命名规则,下列命名正确的是()A.1,2-二甲基戊烷B.3,4-二甲基戊烷C.2,2-二甲基丁烷D.2,3,3...
第1页共23页专题十四有机物的结构烃和烃的衍生物基础篇考点一有机物的结构特点1.(2022浙江6月选考,4,2分)下列物质对应的化学式正确的是()A....
专题11盐类水解和沉淀溶解平衡1.已知Fe2(SO4)3溶液中存在如下平衡:Fe3++3H2OFe(OH)3+3H+。下列说法中正确的是()A.加入适量水后平衡向右移动...
项目一测试1.移动电子商务从本质上归属于()的类别。A:通信技术B:网络技术C:电子商务D:无线通迅答案:C2.与传统电子商务相比,移动电子商务...
第1页共24专题九化学反应速率和化学平衡五年新高考1.(2022江苏,13,3分)乙醇—水催化重整可获得H2。其主要反应为C2H5OH(g)+3H2O(g)2CO2(g)+6...
鏅烘収鏍戠煡鍒般€婇妗屼笂鐨勫濡欎笘鐣屻€嬬珷鑺傛祴璇曠瓟妗?绗竴绔?1銆佽惀鍏绘暀鑲叉槸绱犺川鏁欒偛鐨勪竴涓噸瑕佺粍鎴愰儴鍒嗭紝涔...
11、下列物质的类别与所含官能团都正确的是()A.酚类–OHB.CH3CHCH3COOH羧酸–CHOC.醛类–CHOD.CH3-O-CH3醚类COC2、甲基、羟基、羧基...
走进民航智慧树知到课后章节答案2023年下中国民航大学中国民航大学绪论单元测试1.1909年11月16日,齐伯林创办(),这是世界上第一家商业性...
第1页共18页专题七原子结构元素周期律基础篇考点一原子结构1.(2021广东,3,2分)“天问一号”着陆火星,“嫦娥五号”采回月壤。腾飞中国离不开...
..专业.化学反应与能量时间:60分钟分值:100分一、选择题(本题包括18个小题,每个小题3分,共54分)1.可再生能源是我国重要的能源资源,在...
教育心理学章节习题:第五章学习的迁移一、选择题:在每小题给出的四个选项中,只有一项是符合题目要求的,把所选选项前的字母填在题后的括...
移动电子商务知到章节测试答案智慧树2023年最新山东劳动职业技术学院项目一测试1.移动电子商务从本质上归属于()的类别。参考答案:电子商...
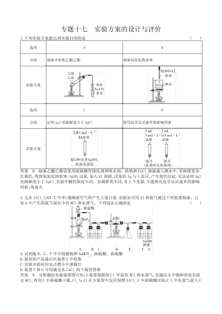
专题十七实验方案的设计与评价1.下列实验方案能达到实验目的的是()选项AB目的制备并收集乙酸乙酯制备氢氧化铁胶体实验方案选项CD目的证明Ag...
第1页共26页专题十三盐类的水解和沉淀溶解平衡基础篇考点一盐类的水解1.(2022珠海一模,10)下列说法正确的是()A.NaClO溶液中,离子浓度大小关...
2008年5月二级人力资源管理师技能试题一、简答题1简要说明可以采用哪些方法对薪酬调查的数据进行统计分析?2简要说明工资集体协商包括哪些...
第1页共25页专题十六化学实验基本方法基础篇考点一常见仪器的使用和实验基本操作1.(2022浙江6月选考,3,2分)名称为“吸滤瓶”的仪器是()ABCD...
第1页共20页专题九化学反应的热效应基础篇考点一化学反应中能量变化的有关概念1.(2020浙江1月选考,22,2分)在一定温度下,某反应达到了化学平...
全国2012年会计证电算化章节复习纲要汇总第一章会计电算化概述1、计算机会计信息系统按照发展的阶段分为:电算化会计(会计核算系统)、会计...

