编号: RG/EL-TC-05 第二炼钢厂天车车间管理规定天车工岗位安全操作规程天车司机通用操作规程:1、司机应当了解起重机的构造、性能、工作...
仅供参考 [整理 ] 第 1 页 共 3 页安全管理文书天车工安全生产责任制日期: __________________单位: __________________仅供参...
修配车间绩效考评试卷(天车工 1) 班组 ____________工种 ___________成绩 ____________ 一、 填空题: 请将正确答案填在横线上,每...
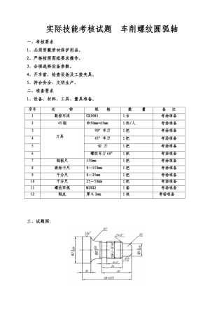
实际技能考核试题 车削螺纹圆弧轴一、考核要求1、必须穿戴劳动保护用品。2、严格按照图纸要求操作。3、合理选择设备参数。4、开车前,检查...
国家职业资格考试中级数控车工模拟题一、单项选择(第 1 题~第 80 题,选择一个正确的答案,将相应的字母填入题内的括号中,每题 1 ...
机械制造有限公司职位说明书职位编号:LX—XX—XX—02一、基本资料职位名称车工分线/分组工装组部门/车间准备部职位级别编制人数1 人直接...
仅供参考 [整理 ] 第 1 页 共 3 页安全管理文书卸车工岗位职责日期: __________________单位: __________________仅供参考 [...
仅供参考 [整理 ] 第 1 页 共 4 页安全管理文书卧车工班组安全生产目标责任书日期: __________________单位: ________________...
1云南经贸外事职业学院机电系金工实训(车工)指导书 编写 王秋平 系 部 专 业 班 级 姓 名 学 号 指 导 教 师 2 年 月...
一、选择题1、图样中螺栓的底径线用( )绘制。 A、粗实线 B、细点划线 C、细实线 D、虚线2、画螺纹联接图时,剖切面通过螺栓、螺母、...
数控车工操作技能训练实训实 践 教 学 指 导 书适用于农业机械使用与维护专业制订人:农业机械使用与维护专业 一、实践教学的地位与...
高级职业功能工作内容技能要求相关知识一、加工准备(一) 读图与绘图1.能读懂中等复杂程度(如:刀架)的装配图2.能根据装配图拆画零件图...
中级数控车工理论知识复习题注 意 事 项 1.请首先按要求在试卷的标封处填写您的姓名、考号和所在单位的名称。 2.请仔细阅读各种题目...
下载后可任意编辑天猫网络客服工作总结与天车工工作总结格式范文汇编天猫网络客服工作总结天猫网络客服工作总结【一】又到年尾了,在天猫 ...
下载后可任意编辑天车个人工作总结(多篇范文)与天车工工作总结格式范文汇编天车个人工作总结个人年度工作总结与来年工作计划岁月荏苒,时间...
[教学课题] 轴类工件的装夹[授课时数] 2 课时 [授课班级] [教学目的]1、掌握轴类工件常用的几种装夹方法和适用场合及特点。 [教学重...
项目三车工实训课件Contents目录•项目三车工实训简介•车床基本操作•车削加工工艺•实训项目实施•常见问题及解决方案•实训效果评估与反...
仅供参考[整理]第1页共3页安全管理文书元车工岗位职责日期:__________________单位:__________________仅供参考[整理]第2页共3页元车工岗...
保洁员劳动合同书根据《中华人民共和国劳动法》及其它有关法律法规的规定,甲乙双方本着平等自愿、协商一致的原则,达成以下合同:一、工作...
1云南经贸外事职业学院机电系金工实训(车工)指导书编写王秋平系部专业班级姓名学号指导教师2年月日目录实训模块1前言......................

