2008 年湖北省高考物理Ⅱ卷评分细则22 题:23 题:国家标准 ① 3 分 ② 3 分 ③ 3 分 ④ 5 分其它解法:(1), 3 分, 3 ...
英语四级作文阅卷老师的评分标准 作文在英语四六级考试中占分值比 15%,要想得高分,除了写作技巧外,知道阅卷老师的打分标准也很重要,...
演讲竞赛评分标准(范本 10 篇)演讲竞赛评分标准(范本 10 篇) 演讲竞赛评分标准(一): 分演讲资料、语言表达、形象风度、综合印象四...
浙江嘉兴 2024 年中考体育评分标准 浙江嘉兴 2024 年中考体育评分标准 浙江温州 2024 年中考体育考试项目及分值 记者从温州市教育...
泉州中考体育评分标准,2024 年泉州中考体育评分细则 素养教育在学校体育中的实施,对学校体育教育评价提出了新的要求。近年来泉州中考体育...
某企业安全考核细则和评分标准 扣分项目:班组评分标准一、违反劳保用品穿戴规定 1 穿背心、短裤、裙子、拖鞋(规定部门除外)、高跟鞋...
普通话水平考试模拟练习题及评分标准 披 饿 街 歌 日 坡 雪 科 缩 册 麻 旅 季 池 利 思 砸 租 撇 奶 蛆 漱 碑 藕...
各种才艺展示评分标准0作者:日期:朝阳中心小学(西校区)杠星制评价才艺展示评分标准数。)朝阳中心小学(西校区)杠星制评价才艺展示评分...
杭州市医疗保险管理服务局统一印制附件二浙江省省级、杭州市基本医疗保险协议定点零售药店申请书申请单位申请时间一、该表填写内容可打印也...
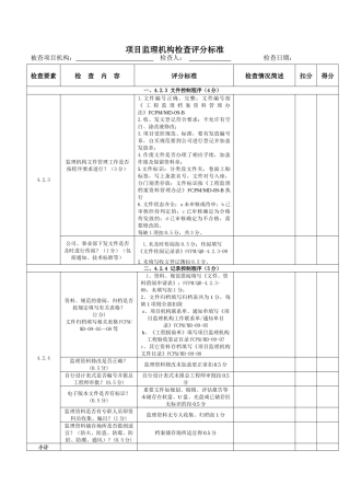
项目监理机构检查评分标准 被查项目机构: 检查人: 检查日期: 检查要素检 查 内 容评分标准检查情况简述扣分得分一、4.2.3 文件...
宁波中考体育评分标准,2024 年宁波中考体育评分细则素养教育在学校体育中的实施,对学校体育教育评价提出了新的要求。近年来宁波中考体育在...
附件 2:实际操作项目评分标准1.配电运检团队项目低压架空线路孤立档架设施工技能操作任务书一、任务名称低压架空线路孤立档架设施工。( ...
招 标 文 件 项目名称:星城新宇·中城苑农村拆迁保障住房勘察设计(第二次)建设单位:长沙市雨花城市建设投资集团有限公司中国·长沙...
煤矿安全质量标准化基本要求及评分方法(试 行)第 1 部分 总 则一、安全质量标准化煤矿基本条件1.依法开采,证照齐全有效。2.煤矿不应...
四六级考试各题型评分标准 英语四级复习重在方法与技巧,抓住重点难点复习,效率才能提高,下面就是整理的四六级考试各题型评分标准,希望...
厦门中考体育评分标准,2024 年厦门中考体育评分细则 素养教育在学校体育中的实施,对学校体育教育评价提出了新的要求。近年来厦门中考体育...
WORD 完美格式下载可编辑房颤血栓危险度评分与出血风险评估标准心房颤动的临床分类名称临床特点心律失常类型治疗意义初发房颤有症状的(首...
医师资格考试评分原则考站 考试项目 分值 考试时间(分钟) 考试设备 考试措施第一考站 病史采集 15 分 35 分 10 21 试题卡 笔...
2008 年高考湖北化学评分细则26.(1)小题评分细则1.化合物分子式错误不给分;2.化学方程式未配平不给分;3.化学方程式写成加热或高温...
成人教育&网络教育 20XX 年 9 月试题答案课程名称: 公司理财 A 卷□ B 卷√ 考试时间 100 分钟 评分老师 职称 一、不定项...

