标 准 条 款审 核 要 点审 核 记 录1、 组 织 QMS覆 盖 范 围 和 过 程 是 否 有 缺 失 ?2、 组 织 QMS对 标...
内 审 检 查 表 审 核 员 : 受 审 核 部 门 管 理 层 时 间 2016年 9月 15日 标 准 条 款 审 核 内 容 、...
内部审核检查表 编号: 受审部门 管理层 审核员:杨敏 时间:2017.9.20 序号 依据条款 检查内容 检查记录 是否 符合 Q E O ...
第 1 页 检查大项 分 项检查内容 查验方法查验表现及判断方法备 注购车发票有无车辆合格证有无车辆使用说明书 有无发动机单独说明...
检 查 机 构 : 油 站 经 理 :日 期 : 检 查 人 :检 查 内 容检 查 评 分 标 准1每 人 每 月 上 缴 一 ...
下载后可任意编辑 施工现场安全生产检查表序号检查项目检查内容要求与记录检查意见1文明施工(1)建筑材料、构件、料具按总平面布局堆放;...
下载后可任意编辑本页为作品封面,下载后可以自由编辑删除,欢迎下载!!! 精 品文档1下载后可任意编辑【精品 word 文档、可以自由编...
下载后可任意编辑本页为作品封面,下载后可以自由编辑删除,欢迎下载!!! 精 品文档1【精品 word 文档、可以自由编辑!】建筑工程春...
下载后可任意编辑无为县建筑施工现场安全检查表编号:受检项目名称:建筑面积形象进度建设单位项目负责人监理单位项目总监施工单位项目经理...
下载后可任意编辑施工项目精细化管理工作检查表序号管理环节检查内容与要求检查资料执行情况1项目管理组织机构设置1、项目经理部部门设置和...
下载后可任意编辑 施工项目部安全管理检查表检查部位:宁东电解铝供电系统改造工程葛洲坝施工项目部 年 月 日检查项目检查内容标准分得...
下载后可任意编辑 施工项目 QHSE 检查表受检单位: 编号:类别序号质量管理部分检查内容结果管理行为1质量管理组织是否到位,职责是否...
下载后可任意编辑施工过程中重大危险源控制检查表 编号:01 程序文件:《施工现场安全防护控制程序》受检单位:湖南农业大学第十教学楼检...
下载后可任意编辑《工程建设各方责任主体和有关机构质量行为检查表》填表说明2024 年 6 月 17 日下载后可任意编辑目录(一)建设单位....
CB32 附表 4 施工质量检查月汇总表(承包[ ]质检月 号)合同名称: 合同编号:承包人: 序号检查部位检 查 项 目检查人检查日期...
下载后可任意编辑本页为作品封面,下载后可以自由编辑删除,欢迎下载!!! 精 品文档1【精品 word 文档、可以自由编辑!】《工程建设...
下载后可任意编辑本页为作品封面,下载后可以自由编辑删除,欢迎下载!!! 精 品文档1【精品 word 文档、可以自由编辑!】《工程建设...
下载后可任意编辑施工管理检查表检查项目: 检查时间: 检查人:序号检查项目检查内容检查依据扣分标准应得分数扣减分数实得分数一施工准...
下载后可任意编辑施工现场装配式轻钢结构活动板房安全检查表工程名称使用单位建筑面积建设单位安装单位层 数监理单位产权单位用途:办公 ...
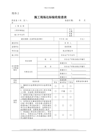
下载后可任意编辑附件 2施工现场达标验收检查表所在县(市、区): 检查日期: 年 月 日工 程 名 称 工程详细地址 开工日期 施...

