第1页共43页编号:时间:2021年x月x日书山有路勤为径,学海无涯苦作舟页码:第1页共43页第一章房地产开发的组织结构1、在制定项目的各项制...
第1页共33页编号:时间:2021年x月x日书山有路勤为径,学海无涯苦作舟页码:第1页共33页重庆龙湖地产工程管理制度(工程部篇2007年版)目录...
第1页共39页编号:时间:2021年x月x日书山有路勤为径,学海无涯苦作舟页码:第1页共39页增城罗岗村地块可行性分析及方案报告前言第2页共39...
第1页共33页编号:时间:2021年x月x日书山有路勤为径,学海无涯苦作舟页码:第1页共33页一、项目背景1、项目名称:某大厦——上海市虹口足...
第1页共28页编号:时间:2021年x月x日书山有路勤为径,学海无涯苦作舟页码:第1页共28页0.1目录0.1目录……………………………………………...
目录简介:执行概要····································3一、公司概况(一)公司起源······...
开拓文化------------------------------------------------------------------------XXXXXXKAITUOWENHUA员工手册------------------------...
第1页共46页编号:时间:2021年x月x日书山有路勤为径,学海无涯苦作舟页码:第1页共46页有限公司商业计划书(模板)第2页共46页第1页共46页...
第1页共40页编号:时间:2021年x月x日书山有路勤为径,学海无涯苦作舟页码:第1页共40页明治达显示电子有限公司安全生产管理制度第2页共40...
第1页共33页编号:时间:2021年x月x日书山有路勤为径,学海无涯苦作舟页码:第1页共33页XXXX有限公司管理手册目录序言…………………………...
管理制度WHHNN-SC-01安全生产管理制度发布日期:2012—05—01实施日期:2012—05—01目录1、安全生产管理责任制度...........................
和信国际一期施工现场安全生产保证体系江苏九鼎环球建设科技集团有限公司二〇一三年七月二十安全生产保证体系目录一、项目管理部承诺二、工...
交通法规安全教育教案目的:、初步各种交通信号、标志和标线的作用,。、懂得应该自觉遵守交通法规。安全教育教案教学过程:一、导入随着交...
《生产主管职业化训练教程》内容摘要【主讲专家】刘敏兴【出版单位】北京大学出版社【内含产品】课程16讲VCD光盘8张CD-ROM2张磁带8盒文字教...
班前安全活动记录气候:年月日单位名称施工单位***班组名称(工种)架工施工部位***1、作业人员进入施工现场必须做好自我安全防护,戴好安...
河北省安全生产条例(2017年1月12日河北省第十二届人民代表大会第五次会议通过)第一章总则第二章生产经营单位安全生产规定第三章重点行业...
xxxx公司生产装置总体开车方案xxxx公司2015年10月26日目录第一章工程概况............................................3第二章总体开车方...
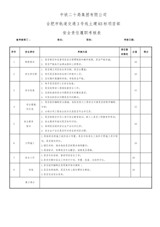
中铁二十局集团有限公司合肥市轨道交通3号线土建03标项目部安全责任履职考核表被考核部门:姓名:职务:考核日期:序号安全责任考核内容责...
《建筑施工安全检查标准》JGJ59-2011标准的主要技术内容是:1.总则;2.术语;3.检查评定项目;4.检查评分办法;5.检查评定等级以...
四级安全教育培训内容(班组级)5、职业健康5.1主要职业危害因素轧钢厂精整车间主要的职业危害因素有金属粉尘、高温及热辐射、噪声。5.2危害...

