1.Whattimeisitnow?It'snineo'clock..It'stimeforEnglishclass.(It'seighto'clock.It'stimetogotobed.)2.Whatdayisittoday?It'sMonday.Weha...
上海一年级上学期语文内容总汇 (生字表,扩词,古诗,同音字,反义词,笔画,易错字笔顺,形近字等) 1.生字表 小 学 生 我 校 里...
气象谚语总汇 大气层中水汽、水滴、冰晶等到悬浮物质,使日、月、星、辰在天空中出现多种色彩和许多光学现象,观察它的变化,可以预测未来...
四 月 的 春 风 吹 绿 了 大 地 , 也 吹 醒 了 石 家 庄 经 济 学 院 职 业 技 术 学 院 的 校 园 。 20...
08 级诉讼法2 班张文君整理1 民事诉讼法概念比较总汇 执行与履行 执行(狭义):人民法院以国家的强制力为后盾,实现生效法律文书中的给付...
一、滤波器的基本分析 滤波器是对输入信号的频率具有选择性的一个二端口网络,它允许某些频率(通常是某个频率范围)的信号通过,而其它频...
考试试题总汇 口腔组织病理学多形性腺瘤在小涎腺多见于A.唇部B.颊部C.舌部D.腭部E.牙龈对旳答案:D牙源性角化囊肿衬里上皮旳组织来源...
小学英语语法及习题一、名词复数规则1.一般状况下,直接加-s,如:book-books, bag-bags, cat-cats, bed-beds2.以 s. x. sh. ch 结尾,...
精品文档---下载后可任意编辑禁毒主题班会主持词优秀总汇 主持词是由主持人于节目进行过程中串联节目的串联词。如今的各种演出活动和集会...
1 外力偶矩计算公式 (P 功率,n 转速) 弯矩、剪力和荷载集度之间的关系式 轴向拉压杆横截面上正应力的计算公式 (杆件横截面轴力F...
哲学既是世界观旳理论体系,同步又是一种措施论,是有关认识世界和改造世界旳主线措施旳理论。 »哲学旳基本问题是思维与存在旳关系问题。...
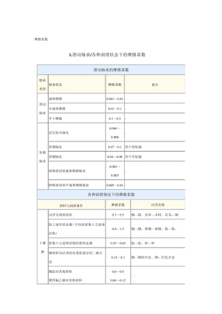
摩擦系数 1 .滑动轴承/各种润滑状态下的摩擦系数 滑动轴承的摩擦系数 轴承类型 轴承状态 摩擦系数 备注 滑动轴承 液体摩擦 0 .0...
此主题相关图片 此主题相关图片 此主题相关图片 此主题相关图片 此主题相关图片 此主题相关图片 此主题相关图片 此主题相关图片 此...
总结排列组合题型 一. 直接法 1.特殊元素法 例1用1,2,3,4,5,6这6个数字组成无重复的四位数,试求满足下列条件的四位数各有多少...
第 5 页精品文档---下载后可任意编辑新课标高一必修 2 化学方程式总汇 1、第 1 页,共 3 页〔新课标人教版必修 2〕新课标高一必修...
经济思想史知识点古希腊、罗马旳经济思想背景:古希腊旳奴隶制经济基本上是农业为主旳自然经济,但商品货币经济也相对比较发达,商业资本和...
下六个月江苏省高等教育自学考试会计基础会计自考试卷 -07-10 21:15:15 阅读 64 评论 0 字号:大中小名词解释(每题 2 分,共 8...
1) 中心思想题此类问题重要是测试文章旳主题思想。提问方式有:What is the main idea of the passage?Whatcan we learn from ...
精品文档---下载后可任意编辑常用日语助动词总汇(1) 助动词 一 助动词的概念和特征接在独立词或某些附属词之后,同其前接词共同构成句...
第 1 页精品文档---下载后可任意编辑学校三班级科学备课教案总汇 两步进展。课上调查时老师可组织同学对教室环境、校内环境及校内周边环...

