电脑桌面
添加小米粒文库到电脑桌面
安装后可以在桌面快捷访问

摩擦系数总汇

摩擦系数总汇_第1页
1/12
摩擦系数总汇_第2页
2/12
摩擦系数总汇_第3页
3/12
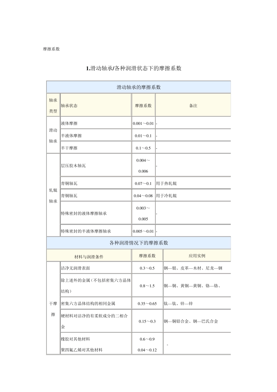
摩擦系数 1 .滑动轴承/各种润滑状态下的摩擦系数 滑动轴承的摩擦系数 轴承类型 轴承状态 摩擦系数 备注 滑动轴承 液体摩擦 0 .0 0 1 ~0 .0 1 - 半液体摩擦 0 .0 1 ~0 .1 - 半干摩擦 0 .1 ~0 .5 - 轧辊轴承 层压胶木轴瓦 0 .0 0 4 ~0 .0 0 6 - 青铜轴瓦 0 .0 7 ~0 .1 用于热轧辊 青铜轴瓦 0 .0 4 ~0 .0 8 用于冷轧辊 特殊密封的液体摩擦轴承 0 .0 0 3 ~0 .0 0 5 - 特殊密封的半液体摩擦轴承 0 .0 0 5 ~0 .0 1 - 各种润滑情况下的摩擦系数 材料与润滑条件 摩擦系数 应用实例 干摩擦 洁净无润滑表面 0 .3 ~0 .5 钢—银、皮革—木材、尼龙—钢 除上述外的金属(不包括密集六方晶体结构) 0 .8 ~1 .5 铜—铜、黄铜—黄铜、铬—铬、 密集六方晶体结构的相同金属 0 .3 5 ~0 .6 5 钛—钛、锌—锌 硬材料对洁净的有柔软成分的二相合金 0 .1 5 ~0 .3 钢—铜铅合金、钢—巴氏合金 橡胶对其他材料 聚四氟乙烯对其他材料 0 .6 ~0 .9 0 .0 4 ~0 .1 2 - 石墨对其他材料 0.08~0.16 纯净表面,高真空处理的 金属 非金属 ≥ 3.0 0.4~1.0 - 固体润滑 涂有软金属的硬金属表面 0.08~0.2 钢表面上涂有铅 用石墨、二硫化钼或粘结剂粘结的固体润滑材料 0.06~0.2 - 边界润滑 低效润滑 0.3~0.5 水、汽油、非潮湿性液体润滑的金属 一般润滑 ≤0.15~0.3 精制矿物油、湿润性液体润滑和有污染的金属表面 高效润滑: 金属— 金属、金属— 非金属 非金属— 非金属 0.05~0.1 0.1~0.1 带有油性添加剂的矿物油、脂、良好的合成油润滑的: 钢— 钢、钢— 尼龙 尼龙— 尼龙 动压润滑 全液体润滑油膜(速度 v>3m/min) 0.001~0.01 - 静压润滑 全液体润滑油膜 ≤0.001 - 2 .常用材料的摩擦系数 摩擦副材料 摩擦系数 摩擦副材料 摩擦系数 无润滑 有润滑 无润滑 有润滑 钢 钢 0.15(静) 0.1 0.1~0.12(静) 0.05~0.1 铝 未淬火 T8钢 0.18 0.03 软钢 0.2 0.1~0.2 淬火T8 钢 0.17 0.02 未淬火T8 钢 0.15 0.03 黄铜 0.27 0.02 铸铁 0.2~0.3(静) 0.16~0.18 0.05~0.15 青铜 0.22 - 黄铜 0.19 0.03 钢 0.3 0.02 青铜 0.15~0.18 0.1~0.15(静) 0.07 夹布胶木 0.26 - 铝 0.17 0.02 硅铝合金 夹布胶木 0.34 - 轴承合金 0.2 0.04...

1、当您付费下载文档后,您只拥有了使用权限,并不意味着购买了版权,文档只能用于自身使用,不得用于其他商业用途(如 [转卖]进行直接盈利或[编辑后售卖]进行间接盈利)。
2、本站所有内容均由合作方或网友上传,本站不对文档的完整性、权威性及其观点立场正确性做任何保证或承诺!文档内容仅供研究参考,付费前请自行鉴别。
3、如文档内容存在违规,或者侵犯商业秘密、侵犯著作权等,请点击“违规举报”。

碎片内容

摩擦系数总汇

您可能关注的文档

确认删除?
VIP
微信客服
  • 扫码咨询
会员Q群
  • 会员专属群点击这里加入QQ群
客服邮箱
回到顶部