中央空调施工之管井常识 中央空调施工是一项系统而繁复的工程,工程涉及的知识点方方面面。对于非专业人员而言,您可能对管井常识感到陌生,...
中央空调施工与运行管理讲义 葛水河第一章 施工技术基础◆ 常用工具(略)◆ 机械设备◆ 管道加工与链接◆ 施工组织管理◆ 施工实例...
工程名称交底部位工程编号日期交底内容:暖卫设备及管道安装1 范围 本工艺标准适用于民用及一般工业建筑室内、外采暖与卫生设备管道安装...
工程名称交底部位工程编号日期交底内容:太阳能热水设备及管道安装1 范围 本工艺标准适用于民用和一般工业建筑的普通平板直管式太阳能热...
中央空调改造工程合同甲方: 乙方: 工程概况及工程名称:工程名称: 工程地址: 第一条 系统配置及系统功能乙方参加 所风管机检修,...
中央空调改造(安装)工程合同甲方: 乙方:工程概况及工程名称:工程名称: 工程地址: 第一条 系统配置及系统功能乙方参加 室外主机改...
工程名称交底部位工程编号日期交底内容:室内采暖管道安装1 范围 本工艺标准适用于民用及一般工业建筑热水温度不超过 150℃的采暖管道安...
工程名称交底部位工程编号日期交底内容:紫铜、黄铜管道安装1 范围 本工艺标准适用于工作压力为 4MPa 以下、温度为 250~—196℃的紫铜...
工程名称交底部位工程编号日期交底内容:室内塑料排水管道安装1 范围 本工艺标准适用于民用及一般工业建筑室内生活排水、雨水及有酸碱性...
中央空调工程施工合同发包方(以下简称甲方):______________________ 合同编号:______________承包方(以下简称乙方):________________...
邢台市精神病医院 病房楼项目中央空调安装工程招 标 文 件招标编号: SXZ16097 T 00 1天和人家住宅小区道路工程施工招 标 文 件...
销 售 合 同 合同编号:2014—03—04 *******签定于 2014 年 03 月 4 日****中央空调购销合同甲方: * ** ** *...
中央空调施工中六个问题的分析及解决方法1、在空调施工 安装 过程中和施工完毕后应实行必要的保护措施 现象: 在一些中央空调 项目 ...
中央空调施工与运行管理讲义 葛水河第一章 施工技术基础◆ 常用工具(略)◆ 机械设备◆ 管道加工与链接◆ 施工组织管理◆ 施工实例分...
课程设计报告指导老师签名:2012 年 01 月 12 日扬州大学能源与动力工程学院楼宇自动化课程设计任务书一、目的和要求目的:通过本次设...
目 录第一卷 招标公告...............................................................................................................
扉 页宁 强 县 数 字 档 案 馆 设 备 采 购 及 安 装 项 目招 标 文 件招 标 编 号 : SZ1002-ZY/SF-367H(柴油...
毕业设计(论文)开题报告 电子信息与电气工程 系(院) 2024 届题 目 中央空调控制系统设计 THE DESIGN OF CONTROL SYSTEM FOR...
招 标 文 件招标编号: 招标工程: 空调工程 工程地点: 招标单位: ( 盖章) 单位地点: 二○一六年二月十八日编制招标文件目录第...
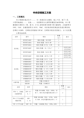
中央空调拆除施工方案1. 编制依据 1。1 根据现场情况现状及业主的相关要求。 1.2 国家、地方有关施工法律规范、规程 (1)质量管理体...

