电脑桌面
添加小米粒文库到电脑桌面
安装后可以在桌面快捷访问

中央空调施工组织方案VIP专享

中央空调施工组织方案_第1页
1/23
中央空调施工组织方案_第2页
2/23
中央空调施工组织方案_第3页
3/23
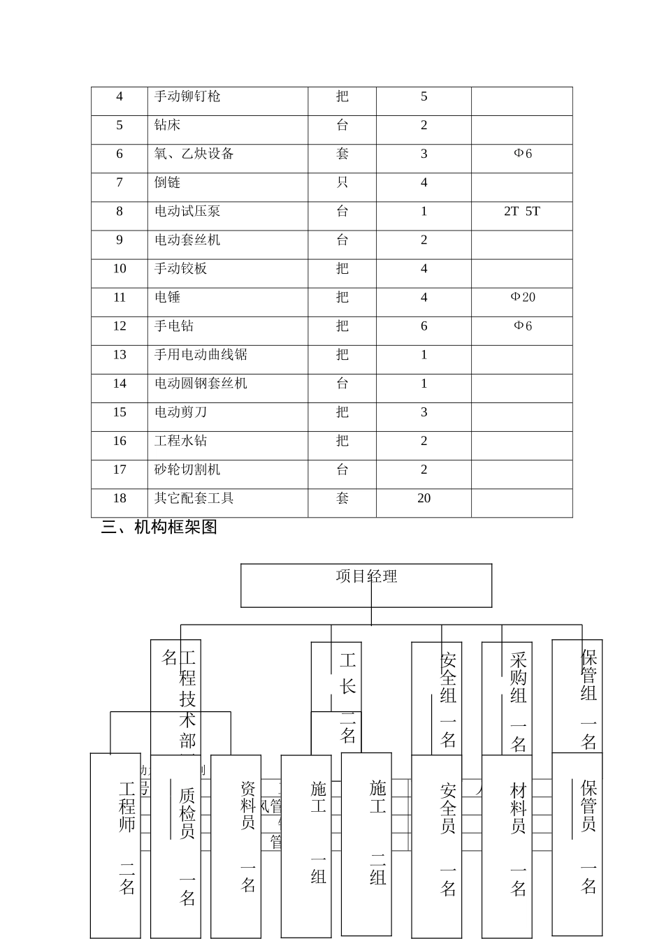
xx 中央空调工程施工组织方案二零一二年一月目 录一、 工程概况二、 主要设备一览表三、 机构框架图四、 劳动力进场计划五、 施工方案六、 安全保证措施七、 质量保证措施八、 保证工期控制造价的技术措施九、 文明施工十、 成品保护一、 工程概况 (一)、工程名称:XX 中央空调设备供货与安装(二)、工程地点:山西省太原市(三)、工程范围:中央空调设备供货与安装(四)、计划工期:60 天二、 主要设备一览表序号名称单位数量备注1割刀把22电焊机台43专用射钉枪把24手动铆钉枪把55钻床台26氧、乙炔设备套3Ф67倒链只48电动试压泵台12T 5T9电动套丝机台210手动铰板把411电锤把4Ф2012手电钻把6Ф613手用电动曲线锯把114电动圆钢套丝机台115电动剪刀把316工程水钻把217砂轮切割机台218其它配套工具套20三、机构框架图 四、劳动力进场计划序号工种人数1风管制作工22钳工23管道工3工程技术部四名工 长 二名安全组 一名采购组 一名保管组 一名工程师 二名质检员 一名资料员 一名施工 一组施工 二组安全员 一名材料员 一名保管员 一名项目经理4电焊工25电工16吊装工17保温工18辅助工2五、施工方案通风空调施工总程序: 一、空调系统工程(一)、空调水系统安装(1)、空调机组安装1)、本空调系统采纳的空调机组为双螺杆水冷式冷水机组(专用机房)、柜式空气处理机组(室内)、风机盘管(室内)、冷却塔(屋顶)。2)、注明:双螺杆水冷式冷水机组、空调机组等设备应根据厂商提供的机组安装、操作、维修手册和产品使用说明书进行安装调试.3)、安装的基本要求A、机房通风:通风不良将导致机组运转所需空气量不足引起机房潮湿而腐蚀机器。B、机房排水:一旦机房积水将引起电路故障和机组锈蚀,机房排水应注意:机组基础处于机房最高位置;机组四周排水沟,水沟上需铺盖铸铁网板或篦子,施工准备配合土建预留预埋管道、风管、支吊架预制设备就位、安装支架安装主管安装支管安装管道与设备接口管道试压、清洗油漆防腐、保温配合装饰工程安装风口系统调试交工验收排水沟的水能够顺利排出机房.C、水、电、气源:当确定一种能源后,应能够满足设计要求。D、机房面积:应留有机组拆卸、维修、操作和安装的最小空间(尺寸)。E、机组基础:采纳混凝土基础,地脚螺栓待机组较正找平后用同样标号细石混凝土二次灌浆。F、吊装就位:采纳导轨安装法,平板安装法,水平牵引法和滚筒移动法等安装方式进行机器设备的水平搬运。采纳斜面和滚轮...

1、当您付费下载文档后,您只拥有了使用权限,并不意味着购买了版权,文档只能用于自身使用,不得用于其他商业用途(如 [转卖]进行直接盈利或[编辑后售卖]进行间接盈利)。
2、本站所有内容均由合作方或网友上传,本站不对文档的完整性、权威性及其观点立场正确性做任何保证或承诺!文档内容仅供研究参考,付费前请自行鉴别。
3、如文档内容存在违规,或者侵犯商业秘密、侵犯著作权等,请点击“违规举报”。

碎片内容

中央空调施工组织方案

确认删除?
VIP
微信客服
  • 扫码咨询
会员Q群
  • 会员专属群点击这里加入QQ群
客服邮箱
回到顶部