电脑桌面
添加小米粒文库到电脑桌面
安装后可以在桌面快捷访问

中央空调施工方案..VIP专享

中央空调施工方案.._第1页
1/12
中央空调施工方案.._第2页
2/12
中央空调施工方案.._第3页
3/12
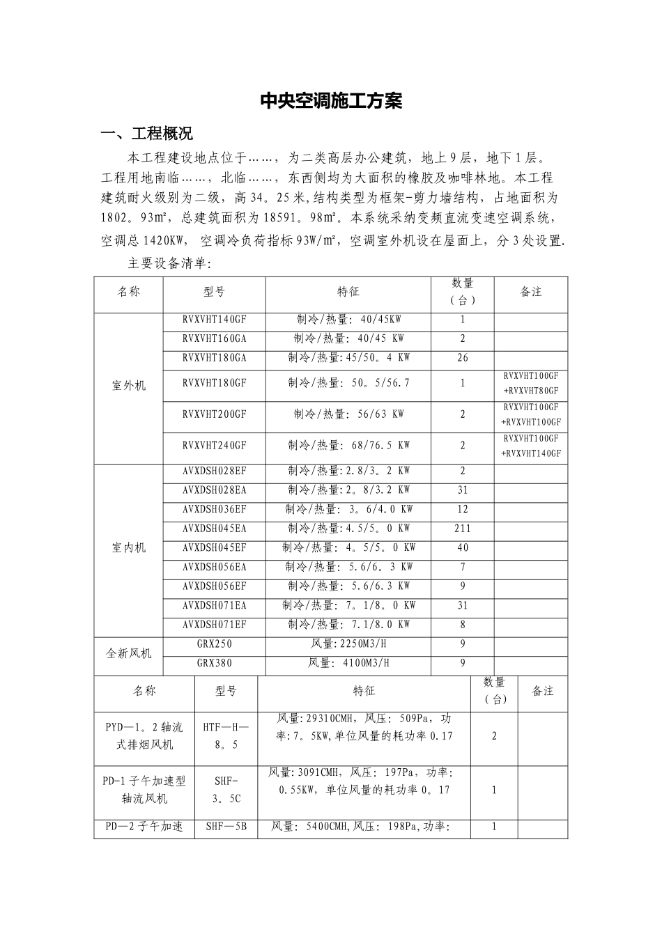
中央空调施工方案一、工程概况本工程建设地点位于……,为二类高层办公建筑,地上 9 层,地下 1 层。工程用地南临……,北临……,东西侧均为大面积的橡胶及咖啡林地。本工程建筑耐火级别为二级,高 34。25 米,结构类型为框架-剪力墙结构,占地面积为1802。93㎡,总建筑面积为 18591。98㎡。本系统采纳变频直流变速空调系统,空调总 1420KW, 空调冷负荷指标 93W/㎡,空调室外机设在屋面上,分 3 处设置.主要设备清单:名称型号特征数量(台)备注室外机RVXVHT140GF制冷/热量:40/45KW1RVXVHT160GA制冷/热量:40/45 KW2RVXVHT180GA制冷/热量:45/50。4 KW26RVXVHT180GF制冷/热量:50。5/56.71RVXVHT100GF+RVXVHT80GFRVXVHT200GF制冷/热量:56/63 KW2RVXVHT100GF+RVXVHT100GFRVXVHT240GF制冷/热量:68/76.5 KW2RVXVHT100GF+RVXVHT140GF室内机AVXDSH028EF制冷/热量:2.8/3。2 KW2AVXDSH028EA制冷/热量:2。8/3.2 KW31AVXDSH036EF制冷/热量:3。6/4.0 KW12AVXDSH045EA制冷/热量:4.5/5。0 KW211AVXDSH045EF制冷/热量:4。5/5。0 KW40AVXDSH056EA制冷/热量:5.6/6。3 KW7AVXDSH056EF制冷/热量:5.6/6.3 KW9AVXDSH071EA制冷/热量:7。1/8。0 KW31AVXDSH071EF制冷/热量:7.1/8.0 KW8全新风机GRX250风量:2250M3/H9GRX380风量:4100M3/H9名称型号特征数量(台)备注PYD—1。2 轴流式排烟风机HTF—H—8。5风量:29310CMH,风压:509Pa,功率:7。5KW,单位风量的耗功率 0.172PD-1 子午加速型轴流风机SHF-3。5C风量:3091CMH,风压:197Pa,功率:0.55KW,单位风量的耗功率 0。171PD—2 子午加速SHF—5B风量:5400CMH,风压:198Pa,功率:1型轴流风机0。55KW,单位风量的耗功率 0.17PD—3 子午加速型轴流风机SHF—3。0C风量:1465CMH,风压:192Pa,功率:0。25KW,单位风量的耗功率 0.171PD—4 防爆子午加速型轴流风机 B—SHF-3。0C风量:1946CMH,风压:145Pa,功率:0.25KW,单位风量的耗功率 0.141PYD—3 轴流式排烟风机SHF-P—5C风量:8000CMH,风压:220Pa,功率:1。1KW1ZYD-1 管道风机DZ13—7C风量:23000CMH,风压:235Pa,功率:3.0KW1SD-1 管道风机DZ13-8C风量:30000CMH,风压:294Pa,功率:4。0KW1电动脚踏两用风机RF-1~2,DJF—1脚踏:L=2983~1225CMH,H=353~1208Pa;电动:n=3000r/min,N=1。1KW,L=1278~3273CMH,H=1430~410Pa;(滤毒通风:L=1600CMH,H=1100Pa)2RF—3 子无加速风机SHF-6B风量:7200CMH,风压:320P...

1、当您付费下载文档后,您只拥有了使用权限,并不意味着购买了版权,文档只能用于自身使用,不得用于其他商业用途(如 [转卖]进行直接盈利或[编辑后售卖]进行间接盈利)。
2、本站所有内容均由合作方或网友上传,本站不对文档的完整性、权威性及其观点立场正确性做任何保证或承诺!文档内容仅供研究参考,付费前请自行鉴别。
3、如文档内容存在违规,或者侵犯商业秘密、侵犯著作权等,请点击“违规举报”。

碎片内容

中央空调施工方案..

确认删除?
VIP
微信客服
  • 扫码咨询
会员Q群
  • 会员专属群点击这里加入QQ群
客服邮箱
回到顶部