1 建筑施工扣件式钢管脚手架安全技术规范JGJ 130-2011 中华人民共和国建设部公告902 号2011-01-28 批准 2011 -12-01 实施1 ...
1 建筑施工扣件式钢管脚手架搭设与拆除的安全技术要点随着城市建设的发展, 建筑物的不断升高。 外防护采用扣件式钢管脚手架的逐渐普及...
. . . 建筑施工扣件式钢管脚手架安全技术规JGJ 130 -2001 中华人民国建设部2001-02-9 批准 2001-06-01 实施1 总则1.0.1 ...
——文章来源网络,仅供个人学习参考建筑施工扣件式钢管脚手架安全操作规范建筑施工扣件式钢管脚手架安全操作规范《建筑施工扣件式钢管脚手...
建筑施工悬挑式脚手架安全检查管理措施及规定为规范和加强项目部建筑施工悬挑式脚手架的使用及安全监督管理,预防安全事故发生 ,保障施工现...
1 建 筑 施 工 工 具 式 脚 手 架 安 全 技 术 规 范(征求意见稿)主编单位:中国建筑业协会建筑安全分会二 00 八年四...
GDAQ4202□□XXXX 工程项目悬挑脚手架监理细则编写:审批:XXXXXX有限公司年月日1 目录一、工程概况及专业特点:⋯⋯⋯⋯⋯⋯⋯⋯⋯⋯⋯...
装修知识常识,希望对您有帮助,谢谢知识常识分享建筑工程脚手架搭设及验收方法大全导读: 本文介绍在房屋装修,装修方挑选的一些知识事项...
建筑工程脚手架施工合同工程名称:发 包 方:承 包 方:签订地点:签订日期:年月日建筑工程脚手架施工合同发 包 人:(以下简称甲方...
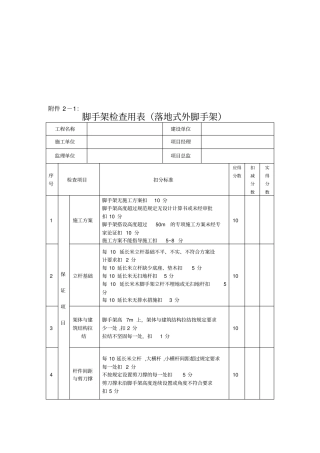
附件 2-1:脚手架检查用表(落地式外脚手架)工程名称建设单位施工单位项目经理监理单位项目总监序号检查项目扣分标准应得分数扣减分数实...
范文 范例指导参考word 版 整理建筑施工承插型盘扣式脚手架主要构配件一、盘扣节点应由焊接于立杆上的连接盘、水平杆杆端扣接头和斜杆杆...
安 全 技 术 交 底LJA4-1 工程名称石雀滩居住区C 块地 1# 、2# 、3# 楼分部工程主体部分分项工程名称 : 外脚手架搭设交底内容...
建筑工程外脚手架搭设标准前言一、 (1 )建筑施工扣件式钢管外脚手架的搭设及施工管理,体现企业具有特色外脚手架形象及标准化施工能力...
门式脚手架搭设施工方案一、搭设前准备工作1. 编制移动门架工程专项施工方案,要求及计算内容同扣件式脚手架。2. 移动门架搭设前,工程技...
新型轮扣式脚手架生产标准企业
新型盘扣式脚手架常用规格型号,九为盘扣 盘扣脚手架技术----天津九为实业盘扣脚手架 文章来源:模板脚手架展会 盘扣脚手架型号分类: ...
新型工具式外脚手架刚性连墙件的研发
新型可拆锚固装置式悬挑脚手架施工工法 1 前言 近年来,随着城市建筑的日益增多,脚手架的形式也呈多样化的发展趋势,而悬挑脚手架以它...
巴斯夫脚手架
工字钢悬挑脚手架施工方案 1. 编制依据 《建筑施工扣件式钢管脚手架安全技术规范》(JGJ130-2001) 《建筑施工安全检查标准》(JGJ59-2011...

