电脑桌面
添加小米粒文库到电脑桌面
安装后可以在桌面快捷访问

建筑工程施工脚手架检查用表VIP免费

建筑工程施工脚手架检查用表_第1页
1/14
建筑工程施工脚手架检查用表_第2页
2/14
建筑工程施工脚手架检查用表_第3页
3/14
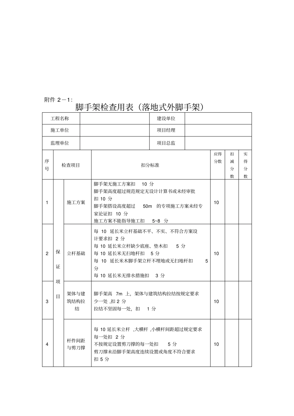
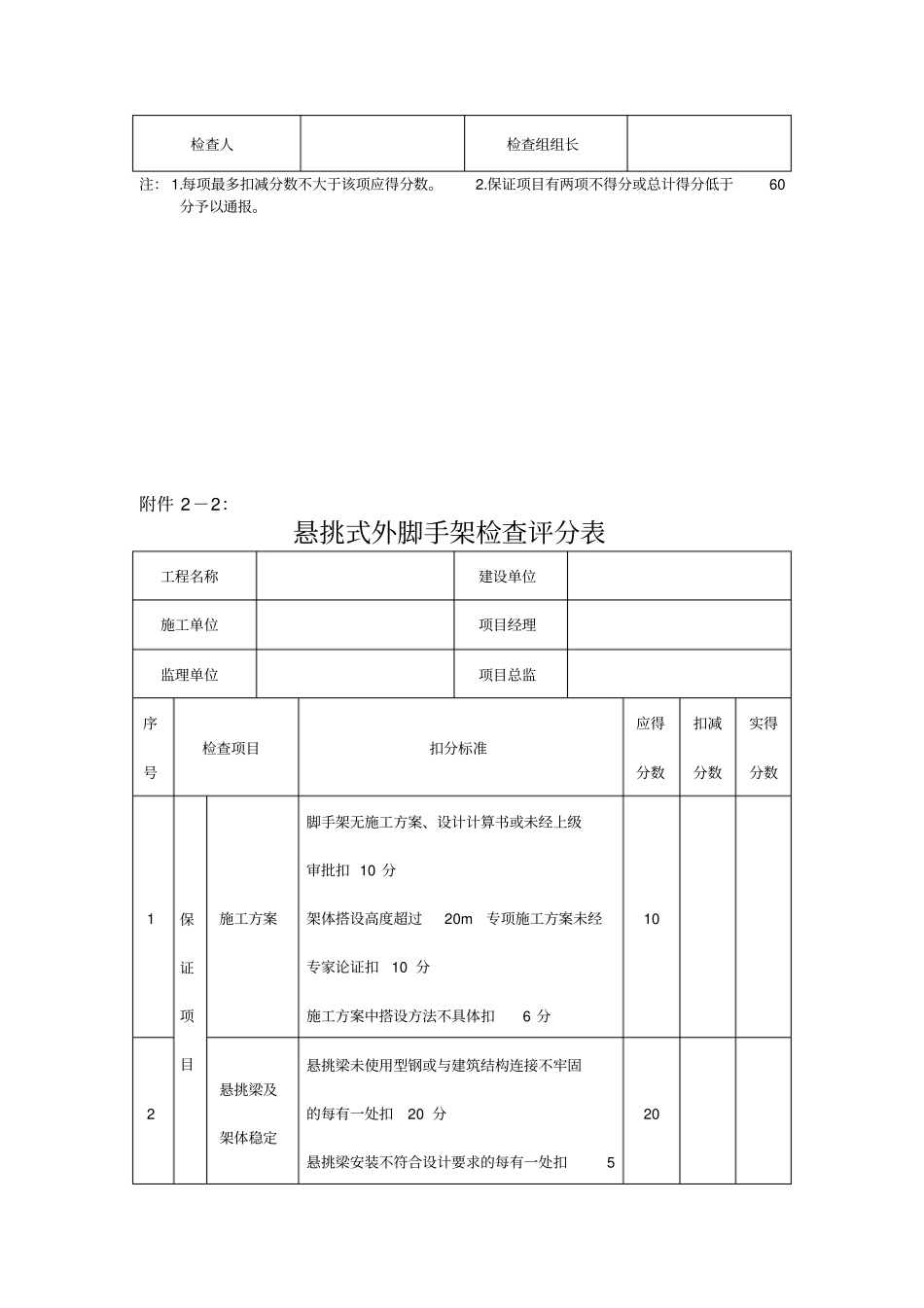
附件 2-1:脚手架检查用表(落地式外脚手架)工程名称建设单位施工单位项目经理监理单位项目总监序号检查项目扣分标准应得分数扣减分数实得分数1 保证项目施工方案脚手架无施工方案扣10 分脚手架高度超过规范规定无设计计算书或未经审批扣 10 分脚手架搭设高度超过50m的专项施工方案未经专家论证扣 10 分施工方案不能指导施工扣5~8 分10 2 立杆基础每 10 延长米立杆基础不平、不实、不符合方案设计要求扣 2 分每 10 延长米立杆缺少底座、垫木扣5 分每 10 延长米无扫地杆扣5 分每 10 延长米木脚手架立杆不埋地或无扫地杆扣5分每 10 延长米无排水措施扣3 分10 3 架体与建筑结构拉结脚手架高 7m 上,架体与建筑结构拉结按规定要求少一处 ,扣 2 分拉结不坚固每一处,扣1 分10 4 杆件间距与剪刀撑每 10 延长米立杆 ,大横杆 ,小横杆间距超过规定要求每一处扣 2 分不按规定设置剪刀撑的每一处扣5 分剪刀撑未沿脚手架高度连续设置或角度不符合要求扣 5 分10 5 脚手板与防护栏杆脚手板不满铺扣7~10分脚手板材质不符合要求扣7~10分每有一处探头板扣2 分脚手架外侧未设置密目式安全网或网间不严密扣7~10分施工层不设1.2m 高防护栏杆和18cm高档脚板扣5 分10 6 交底与验收脚手架搭设前无交底扣5 分脚手架搭设完毕未办理验收手续扣10 分无量化的验收内容扣5 分10 小计60 序号检查项目扣分标准应得分数扣减分数实得分数7 一般项目小横杆设置不按立杆与大横杆交点处设置小横杆的每有一处扣2 分小横杆只固定一端的每有一处扣1 分单排架子小横杆插入墙内小于24cm的每有一处扣2 分10 8 杆件搭接木立杆、大横杆每一处搭接小于1.5m 扣 1 分钢管立杆采用搭接的每一处扣2 分5 9 架体内封闭施工层以下每隔10m 未用平网或其他措施封闭扣5分施工层脚手架内立杆与建筑物之间未进行封闭扣5分5 10 脚手架材质木杆直径、材质不符合要求扣4~5分钢管弯曲、锈蚀严重扣4~5 分5 11 通道架体不设上下通道扣5 分通道设置不符合要求扣1~3 分5 12 卸料平台卸料平台未经设计计算扣10 分卸料平台搭设不符合设计要求扣10 分卸料平台支撑系统与脚手架连结扣8 分卸料平台无限定荷载标牌扣3 分10 小计40 检查项目合计100 检查人检查组组长注: 1.每项最多扣减分数不大于该项应得分数。2.保证项目有两项不得分或总计得分低于60分予以通报。附件 2-2:悬挑式外脚手架检查评分表工程名称建设单位施工单位...

1、当您付费下载文档后,您只拥有了使用权限,并不意味着购买了版权,文档只能用于自身使用,不得用于其他商业用途(如 [转卖]进行直接盈利或[编辑后售卖]进行间接盈利)。
2、本站所有内容均由合作方或网友上传,本站不对文档的完整性、权威性及其观点立场正确性做任何保证或承诺!文档内容仅供研究参考,付费前请自行鉴别。
3、如文档内容存在违规,或者侵犯商业秘密、侵犯著作权等,请点击“违规举报”。

碎片内容

建筑工程施工脚手架检查用表

确认删除?
VIP
微信客服
  • 扫码咨询
会员Q群
  • 会员专属群点击这里加入QQ群
客服邮箱
回到顶部