建筑工程施工现场消防安全技术法律规范1.总则???????1.0.1 为了防止建设工程施工现场火灾,减少火灾危害,保护人身和财产安全,制定本法律...
室外排水管网安装施工技术规范10.1—般规定10.1.1 本章适用于民用建筑群(住宅小区)及厂区的室外排水管网安装工程的施工及验收。10.1. 2 ...
制药企业职业病危害防治技术规范1 范围本标准规定了制药企业工作场所职业病危害防护措施和管理要求。本标准适用于从事药品生产、加工的企...
HTOL 测试技术规范拟制:克鲁鲁尔审核:批准:日期:2019-10-30历史版本记录版本时间起草/修改人内容描述审核人批准人V1.02019-10-30克鲁...
高血压中医健康管理技术规范(试行)第一部分服务要求一、开展高血压中医健康管理的乡镇卫生院、社区卫生服务中心应当具备高血压中医健康管...
10kV 电缆分接箱技术规范书I、货物需求一览表序号项目单位工程名称物资名称型号规格技术参数数量f 交货期交货地点796电缆分接箱T 接式,...
消防报警及气体灭火设备技术标准及要求XXXXXXXX 火灾报警系统招标的技术标准书部分。投标方必须对本文件的每一条款作出明确答复,并给出详...
Word 资料皖能合肥发电有限公司#5 机组凝汽真空系统高效节能改造技术规范书编写审核批准皖能合肥发电有限公司Word 资料2015 年 9 月...
10kV 钢管杆技术规范书1总则 31.1 一般规定 31.2 投标人技术资质 41.3 工作范围 41.4 标准和规范 41.5.必须提交的技术数据和信...
长兴天达新型建材厂项目加气砌块生产线工程 除尘器设备技术规范 1. 总则1.1 本技术规范适用于长兴天达新型建材厂项目加气砌块生产线工...
钻屑法试行技术法律规范钻屑法(煤粉钻孔法)是通过在煤层中打小直径(41~50mm)钻孔,根据排出的煤粉量及变化规律以及有关动力效应鉴别冲击危...
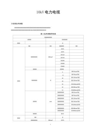
110kV 电力电缆1 标准技术参数DDDDDDDDDDDDDDDDDDDDDDDDDDDDDDDDDDDDDDDDDDDDDDDDDDDDDDDDDDDDDDDDDDDD10kVDDDDDDDDDDDDDD1D表 1 技术...
1全业务接入---集团专线施工技术规范书第一章施工现场要求1.1 设备安装要求第 1 条网络箱安装要求(1)建筑物综合箱(网络箱)、楼层综...
相关法律法规及技术法律规范《农村饮用水水源地环境保护技术指南》(HJ2032-2024)《关于印发〈集中式饮用水水源环境保护指南(试行)〉的...
专业知识分享低压开关柜技术规范专业知识分享1 规范性引用文件 12 技术参数和性能要求 13 标准技术参数 54 使用环境条件表 75 试...
结构设计规范规范编码:TS-S180003001版本:V1.0密级:秘密ENP 研发部执笔人:张士杰页码:第 1 页共 16 页铝合金表面处理技术规范艾...
旭升燃气管道户内安装及验收规范旭升燃气工程管理部二零一三年四月燃气管道户内安装及验收技术规范1、铝塑复合管的安装应符合下列规定:1 ...
2012-XX-XX 实DB福建省工程建设地方标准DBJ13-XXX-2012建设部备案号:JXXXXX-2012木塑地板铺装技术规范2012-XX-XX 发布福建省住房和城乡...
数字程控交换机系统技术规范书一、总则本规范书适用于 XX 企业语音通信系统采购招标。本项目语音通信系统建设的主要目标是为了 XX 企业...
xxx汽车衡(含安装)招标技术协议工程规模:15.00Mt/a二 O—八年一月一、总则 1二、技术条件 22.1 罐子沟煤炭集运站概况 2..2.2 气象...

