电脑桌面
添加小米粒文库到电脑桌面
安装后可以在桌面快捷访问

专用技术规范

专用技术规范_第1页
1/7
专用技术规范_第2页
2/7
专用技术规范_第3页
3/7
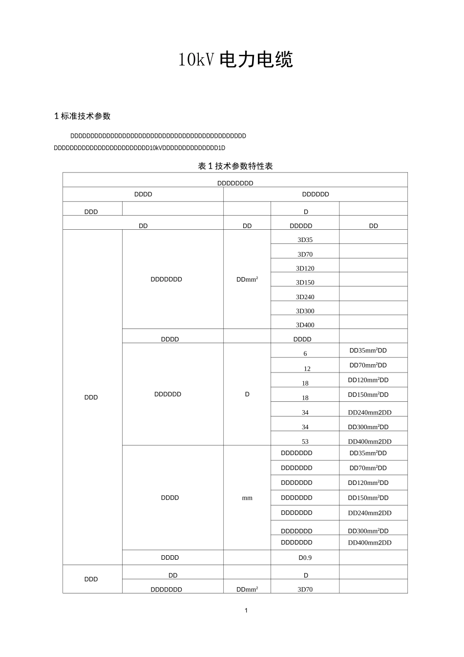
110kV 电力电缆1 标准技术参数DDDDDDDDDDDDDDDDDDDDDDDDDDDDDDDDDDDDDDDDDDDDDDDDDDDDDDDDDDDDDDDDDDDD10kVDDDDDDDDDDDDDD1D表 1 技术参数特性表DDDDDDDDDDDDDDDDDDDDDDDDDDDDDDDDDDDDDDDDDDDDDmm23D353D703D1203D1503D2403D3003D400DDDDDDDDDDDDDDD6DD35mm2DD12DD70mm2DD18DD120mm2DD18DD150mm2DD34DD240mm2DD34DD300mm2DD53DD400mm2DDDDDDmmDDDDDDDDD35mm2DDDDDDDDDDD70mm2DDDDDDDDDDD120mm2DDDDDDDDDDD150mm2DDDDDDDDDDD240mm2DDDDDDDDDDD300mm2DDDDDDDDDDD400mm2DDDDDDD0.9DDDDDDDDDDDDDDDmm23D702电缆结构技术参数3X1203X2403X3003X400结构形式圆形紧压最少单线根数根12对应 70mm2截面15对应 120mm2截面30对应 240mm2截面30对应 300mm2截面53对应 400mm2 截面导体外径mm(投标人提供)对应 70mm2截面(投标人提供)对应 120mm2截面(投标人提供)对应 240mm2截面(投标人提供)对应 300mm2截面(投标人提供)对应 400mm2截面紧压系数三 0.9导体屏蔽挤包半导电厚度mm(投标人提供)外径mm(投标人提供)绝缘材料XLPE平均厚度不小于标称厚度 tmm4.5最薄点厚度不小于mm4.1偏心度%10绝缘屏蔽层最小厚度mm(投标人提供)外径mm(投标人提供)金属屏蔽铜带层数1铜带最小厚度mm0.1平均搭盖率不小于%15最小搭盖率%5铜丝直径 X 根数mmX 根(投标人提供)20°C 时最大直流电阻Q/km(投标人提供)填充层填充材料投标人提供(聚丙烯膜或聚丙烯绳)隔离套挤包材料(投标人提供)最小厚度不小于标称厚度 t(铠装)mm80%t最小厚度不小于标称厚度 t(无铠装)mm85%t3电缆结构技术参数内衬层材料(投标人提供)厚度mm(投标人提供)铠装层材料(投标人提供)与供货需求表一致钢带厚度/钢丝直径mm(投标人提供)钢带层数层2钢带宽度mm(投标人提供)外护套材料(投标人提供)YJLV 及 YJV 型电缆选用 PVC,YJY型电缆选用 PE颜色(投标人提供)黑色标称厚度 t(无铠装)mm(投标人提供)参照通用选择标称厚度 t(有铠装)mm(投标人提供)参照通用选择最薄点厚度不小于mm90%t电缆外径 Dmm(投标人提供)20°C 时铜导体最大直流电阻Q/km0.524对应 35mm2截面0.268对应 70mm2截面0.153对应 120mm2截面0.124对应 150mm2截面0.0754对应 240mm2截面0.0601对应 300mm2截面0.0470对应 400mm2截面20°C 时铝导体最大直流电阻Q/km0.443对应 70mm2截面0.253对应 120mm2截面0.125对应 240mm2截面0.100对应 300mm2截面0.0778对应 4...

1、当您付费下载文档后,您只拥有了使用权限,并不意味着购买了版权,文档只能用于自身使用,不得用于其他商业用途(如 [转卖]进行直接盈利或[编辑后售卖]进行间接盈利)。
2、本站所有内容均由合作方或网友上传,本站不对文档的完整性、权威性及其观点立场正确性做任何保证或承诺!文档内容仅供研究参考,付费前请自行鉴别。
3、如文档内容存在违规,或者侵犯商业秘密、侵犯著作权等,请点击“违规举报”。

碎片内容

专用技术规范

wxg+ 关注
实名认证
内容提供者

该用户很懒,什么也没介绍

确认删除?
VIP
微信客服
  • 扫码咨询
会员Q群
  • 会员专属群点击这里加入QQ群
客服邮箱
回到顶部