xx 项目终验工作总结北京 xx 限公司目录一、工程概述 1二、项目回顾 4三、项目总结 123.1 项目实施 123。2 项目建设 133.3 项目...
xx 项目终验工作总结北京 xx 限公司目录一、工程概述.................................................................................
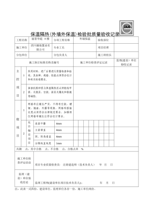
保温隔热(外墙外保温)检验批质量验收记录工程名称丽景华庭 #楼分项工程名称外墙保温验收部位施工单位四川雄俊置业有限公司专业工长项目经...
外墙保温系统样板墙验收记录表工程名称阜阳颍东开发区纺织服装产业园研发楼分项工程名称外墙保温系统验收部位样板墙施工单位名称中铁十六局...
保温工程检验批质量验收记录表单位(子单位)工程名称扬中市奥体中心建筑智能化工程分部(子分部)工程名称机房保温验收部位体育场消防安防...
外墙保温施工要求及验收标准一、编制目的:为法律规范华瑞紫韵城福景丽园项目外墙外保温工程做法、组成材料的技术要求及验收标准,保证外墙...
保洁开荒(标准)验收表验收时间:年月日区域项目验收标准是否合格存在问题验收人整改时间业主专有部位天花无手印、无灰渍、无浮尘空调出风口...
保洁开荒(标准)验收表验收时间: 年 月 日区域项目验收标准是否合格存在问题验收人整改时间业主专有部位天花无手印、无灰渍、无浮尘空...
保护层检验批质量验收记录04010501001单位(子单位)工程名称西湖春天住宅小区 A 地块 58#住宅楼分部(子分部)工程名称建筑屋面分部-...
保护层检验批质量验收记录表040105单位(子单位)工程名称分部(子分部)工程名称建筑屋面(基层与保护)验收部位施工单位项目经理分包单位/...
保健食品进货检查验收制度 1、根据"按需购进,择优选购"的原则,依据市场动态、库存结构及质量部门反馈的信息编制购货计划,报企业负责人...
QESMR/F5120251207侧石工程检验批质量验收记录表YB4147—2025单位工程名称长江路及报税路绿化提示工程分项工程名称侧石验收部位长江路左幅...
Q/CSG-GZPG 贵州电网公司企业标准 Q/CSG—GZPG211057-2025 11 供电局配电网工程竣工验收管理标准 (试 行2025-12 发布 2025-12 实...
附件 1: 住宅工程质量分户验收内容及要求验收项目验收内容检查方法验收标准参照标准∕备注1。室内空间、构件尺寸室内净高使用激光测距仪...
住宅装饰装修工程质量验收法律规范1 适用范围 本标准规定了住宅装饰装修中的二次防水、卫生器具及管道安装、电气安装、抹灰、吊顶、门窗...
住宅装饰装修工程施工法律规范及验收标准一、 基本要求01、施工时应在业主的住户面积范围内进行,不得占有公共空间,不得影响邻居房屋的安...
住宅工程质量分户验收的内容和要求为提高住宅工程质量,减少工程质量投诉,进一步法律规范住宅工程质量分户验收工作,依据《建设工程质量管...
住宅工程质量分户验收记录表工程名称华太紫荆豪庭三期房 号7 号楼 单元 户验收项目验收内容验收标准序号层高 推算值实测情况(数值)...
住宅工程质量分户验收记录表(空间尺寸)工程名称:安徽颍州经济开发区现代·翰林苑安置区 9#楼房(户)号101抽测时间 房间编号推算值(m...
住宅工程质量分户验收法律规范、标准 一、墙面、地面和顶棚面层质量 1、验收内容: 1)、地面空鼓、裂缝、起砂; 检查方法及数量:小锤...

