精品文档---下载后可任意编辑在数控车床上实现椭圆的粗、精加工 摘要:本文介绍了采纳宏程序编制椭圆加工程序的步骤,并分别对原点与椭圆...
基于数控车中级工新题库的经典零件的工艺设计与加工2014 年 3 月 31 日【摘要】本次在数车中级新题库中抽取了三类经典的零件,通过对...
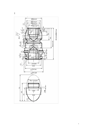
基于数控车中级工新题库的经典零件的工艺设计与加工 【摘要】本次在数车中级新题库中抽取了三类经典的零件,通过对它们的图纸分析,程序编...
山东省第一届数控技能大赛数控车理论知识竞赛题学生组注 意 事 项1.请在试卷旳标封处填写您旳工作单位、姓名和准考证号2.请仔细阅读题目...
数控车竞赛复习题库二一、单项选择题(第 1 题~第 120 题。选择一种对旳旳答案,将对应旳字母填入题内旳括号中。)1.《公民道德建设实...
第 15 页精品文档---下载后可任意编辑2024 数控车个人实习总结 5 篇 总结是对某一特定时间段内的学习和工作生活等表现状况加以回顾和...
1 1 2 2 3 3 4 4 5 5 6 6 图 2-1 图 2-2 7 7 8 8 图 2-3 9 8 图 2-4 1 0 9M30×2-6g20°±2′其余 题图 2-1...
精品文档---下载后可任意编辑毕 业 设 计题目: FAGOR 8025/8030 数控系统及 其在 CK6150 数控车床上的应用 FAGOR 8025/8030 ...
精品文档---下载后可任意编辑教学目标:1.掌握中等复杂零件的车削工艺。2.掌握灵活运用所学指令编制中等复杂零件的加工程序。3.掌握相关...
精品文档---下载后可任意编辑培训教程莱阳市职业中等专业学校数控车培训教程一. 数控车培训计划日程表二. 数控车软件功能1.基本概念数...
精品文档---下载后可任意编辑数控车工论文(国家职业资格二级)论文题目:数控车削矩形螺纹的加工工艺分析姓名:胡中举身份证号:准考证号...
项目一:实训准备、安全教育、实训纪律、场地管理教育、签订安全承诺书任务一:实训准备:1、 成立实训小组,由班长具体负责实施,将分组...
华中数控车削系统抛物线宏程序编制实例解析 应用宏程序变量编程加工可以用函数公式来描述工件的轮廓或曲面,是现代数控系统一个重要的新功...
精品文档---下载后可任意编辑CKH1463 型精密数控车削中心电主轴系统热特性分析与优化的开题报告本文的讨论课题为:CKH1463 型精密数控车...
精品文档---下载后可任意编辑CKH1463 型数控车削中心的结构分析与优化设计的开题报告一、讨论背景及意义近年来,随着我国制造业的不断进展...
下载后可任意编辑2024 年数控车培训总结范文“数控车加工技术”项目技能竞赛总结安徽省中职院校技能大赛数控车项目于___月___日—___日在...
下载后可任意编辑2024 年数控车培训总结范本___省电子工业学校数控技术应用专业企业员工数控培训计划1.培训目的及任务:通过本级别专业理...
数控车异形螺纹的加工① G32 加工端面螺纹介绍:概述:端面螺纹大多以矩形螺纹为主,车床的自定心卡盘(盘丝)使用的就是这种结构。这类螺...
北京现代职业技术学院教案首页课程名称授课班级授课日期工作任务学习情数控车综合训练境名称典型螺纹轴的车削加工1.掌握零件的加工工艺分析...
中级数控车工模拟题号中,每题 1 分,满分 80 分)1.在市场经济条件下,职业道德具有(A)的社会功能。A. 促进人们行为规范化C. 鼓...

