电脑桌面
添加小米粒文库到电脑桌面
安装后可以在桌面快捷访问

数控车削矩形螺纹的加工工艺分析VIP专享

数控车削矩形螺纹的加工工艺分析_第1页
1/4
数控车削矩形螺纹的加工工艺分析_第2页
2/4
数控车削矩形螺纹的加工工艺分析_第3页
3/4
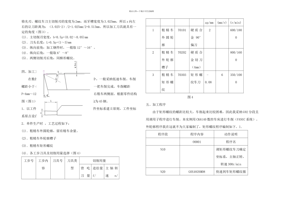
精品文档---下载后可任意编辑数控车工论文(国家职业资格二级)论文题目:数控车削矩形螺纹的加工工艺分析姓名:胡中举身份证号:准考证号: 014 所在省市:江苏省徐州市所在单位:江苏省徐州技师学院数控车削矩形螺纹的加工工艺分析姓名:胡中举单位:江苏省徐州技师学院摘要:矩形螺纹也称方牙螺纹,是一种非标准螺纹,传动效率高,一般用于向轴方向载荷的情况下,也用于受周期性载荷多和载荷大的地方,即要求矩形螺纹可以强大,对螺纹的精度没有更高的要求,为了承受强力,螺纹牙就会大 ,矩形螺纹的螺距也必定大了。平常我们身边见到最矩形螺纹最多的地方就是台虎钳.千斤顶等。正是因为它的载荷大,螺距大,那它是怎么一个加工过程呢?在这里我以一个实例为大家做一个简要的加工工艺分析。关键词:参数计算 指令应用 车刀刃磨 新刀具一、矩形螺纹的代号及标记矩形螺纹的代号用“矩”及公称直径和螺距表示,如:矩 42×6 等。导程与线数用斜线分开,左边表示导程,右边表示线数,如矩 45×6/2 表示,以图 1为例进行单件生产。图 1二、实例零件加工工艺分析 1.图素识别该零件(图 1)为矩形螺纹轴类零件,由圆柱面、槽、和矩形螺纹组成零件的尺寸精度和表面质量要求一般。2.数值计算(图 2)(1).螺距:P=6。(2).牙顶间隙:ac=(0.1~0.2)mm,取 0.16mm。(3).螺纹大径与公称直径相同:d=40mm,从零件图上得到带公差尺寸为d=39.95mm。(4).牙槽底宽:b=0.5P+(0.02~0.04)mm=(×6+0.025)=3.025mm 或从零件图上得到尺寸为 b=[6-(3-0.025)]mm=3.025mm。(5).螺纹牙顶高:×6+0.16)mm=3.16mm;或从零件图上得到带公差尺寸为h1=(39.95-33.625)mm/2=3.163mm。 (6).螺纹小径:d1=d-2h1==(40-2×3.16)mm=33.68mm;从零件图上得到带公差尺寸为 d1=33.65mm。 (7).齿宽:B=p-b=6mm-3.025mm=2.975mm。mm。(8).螺纹中径:d2=d-0.5p=40-(×6)mm=37mm;从零件图上得到带公差尺寸为d2=36.95mm。 图 2三、矩形螺纹车刀选择矩形螺纹车刀属于成型车刀,为了使刀头有足够的强度,刀头长度 L 不宜过长。矩形螺纹的螺纹升角一般都比较大,刃磨两侧后角时必须考虑螺纹升角的影响。为了减少螺纹牙侧的表面粗糙度,在车刀的两侧面切削刃上应磨有的精品文档---下载后可任意编辑修光刃。螺纹车刀主切削刃的宽度为 2mm,而牙槽宽度为 3.025mm,所以 z 向左右的让刀距离为:(3.025-2)/2=1.025mm/2=0.513mm。所以加工刀具就具有一...

1、当您付费下载文档后,您只拥有了使用权限,并不意味着购买了版权,文档只能用于自身使用,不得用于其他商业用途(如 [转卖]进行直接盈利或[编辑后售卖]进行间接盈利)。
2、本站所有内容均由合作方或网友上传,本站不对文档的完整性、权威性及其观点立场正确性做任何保证或承诺!文档内容仅供研究参考,付费前请自行鉴别。
3、如文档内容存在违规,或者侵犯商业秘密、侵犯著作权等,请点击“违规举报”。

碎片内容

数控车削矩形螺纹的加工工艺分析

确认删除?
VIP
微信客服
  • 扫码咨询
会员Q群
  • 会员专属群点击这里加入QQ群
客服邮箱
回到顶部