数控宏程序FANUC数控车第1章■准编备程功代码1能G----12■辅助功能M---6第二章用户宏程序-71.运算符号773.运算指令---8第三章宏程序编程11...
毕 业 设 计课 题 盘套类零件数控车削加工工艺设计 学生 贺 ×× 学 号×××××系 别机械工程系专业班级机械设计制造与其自动...
1 前言1.1 课题讨论的背景与意义车削中心的定义主传动系统是用来实现机床主运动的传动系统,它的合理性对机床的整体性能起到整体的决定作...
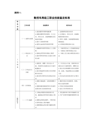
附件 1:数控车高级工职业技能鉴定标准职业功能工作内容技能要求相关知识一工艺准备(一)读图与绘图1. 能读懂零件图和装配图 2. 能够读...
石油化工学院成人教育毕业论文(设计、作业)题 目:学生:层次: 专科 所学专业:班级:指导老师:职称:201 年 月 日摘要:所谓细长...
试析对数控车削加工课程改革的探究 时间:2011/10/25关键词:数控车削 课程改革 教学模式 学习情境 一体化论文摘要:通过对数控车削加...
数控车床主要用于加工回转体零件,回转体零件的母线可分为直线和曲线。其中,多重曲线回转类零件的加工最为复杂,特别需要采纳数控技术加工...
数控加工工艺与装备设计专周 题 目:数控加工工艺与装备 班 级:T09421 专 业:数控技术与应用 姓 名:宗斌 学 号:01 号 指导...
圆弧轴数控车削加工工艺的编制 摘要: 随着科技的不断进展,数控技术在企业中发挥越来越重要的作用。数控加工制造技术正逐渐得到广泛的应...
工业安全职业学院毕业论文(设计)题 目回转类零件数控车削加工工艺的编制姓 名徐 洋 系 别机 电 工 程 系专 业 机 电 一 体...
毕业设计报告课题:数控车削加工工艺与编程系 部:电气工程系专 业:机电一体化班 级:机电 084姓 名:学 号:0802043402指导老师:2...
FANUC 系统数控车削加工工艺分析[摘要] 数控车削是数控加工中应用最广泛的加工方法之一,它解决了某些形状复杂、一致性要求较高的中、小...
一.数控车软件功能1.基本概念数控车加工一般包括以下几个容:(1)对图纸进行分析,确定需要数控加工的部分。(2)利用图形软件需要数控...
酒 泉 职 业 技 术 学 院毕 业 设 计(论 文)2024 级 机械制造与自动化 专业题 目: 内孔轴 JD—1 数控加工工艺 分析...
毕业设计说明书前 言毕业设计是培养我们实际工作能力的最后一个重要实践性学习环节,它不但是对我们三年来的学习与实践是一个很好的总结和...
前 言毕业设计是培养我们实际工作能力的最后一个重要实践性学习环节,它不但是对我们三年来的学习与实践是一个很好的总结和考验,也是为以...
一、零件造型 合理建立绘图原点,以零件右端面中点为绘图原点,绘图型上半部分,零件是对称旳,编程旳时候只需要二分之一,在编制刀具途径...
1. 职业道德不体现() 。 A、从业者对所从事职业的态度 B、从业者的工资收入 C、从业者的价值观 D、从业者的道德观2. 职业道德的...
山东省第一届数控技能大赛数控车理论知识竞赛题学生组注 意 事 项1.请在试卷的标封处填写您的工作单位、姓名和准考证号2.请仔细阅读题目...
数控车工中级题库一、选择题1、精车 45 钢轴应选用( )牌号的硬质合金车刀。(A) YG3 (B) YG8 (C)YT5 (D)YT15 2、图样中所标注的...

