电脑桌面
添加小米粒文库到电脑桌面
安装后可以在桌面快捷访问

数控车高级工职业技能鉴定标准

数控车高级工职业技能鉴定标准_第1页
1/9
数控车高级工职业技能鉴定标准_第2页
2/9
数控车高级工职业技能鉴定标准_第3页
3/9
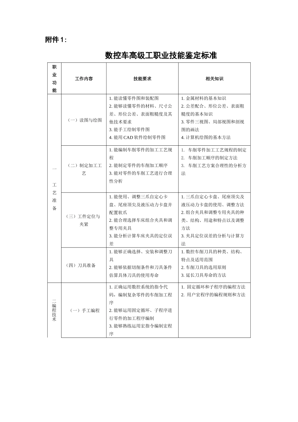
附件 1:数控车高级工职业技能鉴定标准职业功能工作内容技能要求相关知识一工艺准备(一)读图与绘图1. 能读懂零件图和装配图 2. 能够读懂零件的材料、尺寸公差、形位公差、表面粗糙度及其他技术要求3. 能手工绘制零件图4. 能用 CAD 软件绘制零件图1. 金属材料的基本知识2. 公差配合、形位公差、表面粗糙度的基本知识3. 零件三视图、局部视图和剖视图的画法 4. 计算机绘图的基本方法(二)制定加工工艺1. 能编制车削零件的加工工艺规程 2. 能制定零件的车削加工顺序3. 能对零件的车削工艺进行合理性分析1. 车削零件加工工艺规程的制定2. 车削加工顺序的制定方法3. 车削工艺方案合理性的分析方法(三)工件定位与夹紧1. 能使用、调整三爪自定心卡盘、尾座顶尖及液压动力卡盘并配置软爪2. 能合理选择车床组合夹具和调整专用夹具3. 能分析计算车床夹具的定位误差1. 三爪自定心卡盘、尾座顶尖及液压动力卡盘的使用、调整方法2. 组合夹具和调整专用夹具的种类、结构、用途和特点以及调整方法3. 夹具定位误差的分析与计算方法(四)刀具准备1. 能够正确选择、安装和调整刀具2. 能够依据切削条件和刀具条件估算具体刀具的使用寿命1. 数控车削刀具的种类、结构、特点及适用范围2. 车削刀具的选用原则3. 延长刀具寿命的方法二编程技术(一)手工编程1. 正确运用数控系统的指令代码,编制复杂零件的车削加工程序 2. 能够运用固定循环、子程序进行零件的加工程序编制 3. 能够熟练运用宏指令编制宏程序1. 固定循环和子程序的编程方法 2. 用户宏程序的编程规则和方法(二)自动编程用 CAD/CAM 软件编制复杂混合轮廓类零件程序。包括粗车、精车、螺纹车削、打孔、换刀等混合程序。1. CAD 线框造型和编辑 2. 刀具定义 3. CAM 粗精、螺纹、切槽、打孔编程 4. 能够解读及修改软件的后置配置,并生成代码 5. 代码反读仿真、校核、编辑(三)数控加工仿真1. 数控仿真软件基本操作和显示操作2. 仿真软件模拟装夹、刀具准备、输入加工代码、加工参数设置3. 模拟数控系统面板的操作4. 模拟机床面板操作5. 实施仿真加工过程以及加工代码检查6. 利用仿真软件手工编程1.常见数控系统面板操作和使用知识2.常见机床面板操作方法和使用知识3.三维图形软件的显示操作技术数控加工手工编程三工件加工(一)盘、轴类零件 能加工盘、轴类,并达到以下要求:1. 尺寸公差等级:IT62. 形位公差等级:IT83. 表面粗糙度...

1、当您付费下载文档后,您只拥有了使用权限,并不意味着购买了版权,文档只能用于自身使用,不得用于其他商业用途(如 [转卖]进行直接盈利或[编辑后售卖]进行间接盈利)。
2、本站所有内容均由合作方或网友上传,本站不对文档的完整性、权威性及其观点立场正确性做任何保证或承诺!文档内容仅供研究参考,付费前请自行鉴别。
3、如文档内容存在违规,或者侵犯商业秘密、侵犯著作权等,请点击“违规举报”。

碎片内容

数控车高级工职业技能鉴定标准

您可能关注的文档

确认删除?
VIP
微信客服
  • 扫码咨询
会员Q群
  • 会员专属群点击这里加入QQ群
客服邮箱
回到顶部