职业院校技能大赛中职组现代制造 技术技能数控车理论试题(库)1、 在圆弧指令中的I 表示圆心的坐标(A )。A.在 X 轴上的相对坐标...
《数控编程与加工》教案首页(数控车部分) 课 题 轮 廓 程 序 的 编 写 授课日期 年 月 日 第 周 授课时数 课时分配 授...
1 数控车加工 数控车削加工是一种重要的加工方法,主要用于轴类、盘类等回转零件的加工。UG 的车加工模块,可以完成零件的初车、精车、...
一、判断 1、手摇脉冲发生器失灵肯定是机床处于锁定状态(×) 2、用塞规可以直接测量出孔的实际尺寸(×) 3、铸铁根据碳在铸铁中存在...
数控车高级工实操图纸
数控车零件工艺设计及程序编制
数控理论试题 一、选择题 (请将正确答案的代号填入括号内,每题 2 分,共 15 题 30 分) 1. 世界上第一台数控机床是 ( )年研制...
数控车高级理论知识试卷 一单选题(120 题) 1.金属材料硬度符号HRC 表示( )。 A、布氏硬度 B、硬度 C、维氏硬度 D、洛氏硬度 ...
湖南省中等职业学校数控技术应用专业教师培训 湖南工业职业技术学院 1 任务单(一 ) 项目名称 项目一:车铣复合零件的数控编程与加工...
车床编程实例一 半径编程 图3.1.1 半径编程 %3110 (主程序程序名) N1 G92 X16 Z1 (设立坐标系,定义对刀点的位置) N2 G37...
1 标记更改单号签名校对设计描图材料数量比例第1页 2 3 4 5 6 7 ×φ 8 9 1 0 ×标记 更改单号签名数量比例第1页凸模材料校...
1 车床编程实例一: 半径编程 图3.1.1 半径编程 %3110 (主程序程序名) N1 G92 X16 Z1 (设立坐标系,定义对刀点的位置) N2...
车床编程实例 实例一:半径编程 实例二:直线插补指令编程 实例三:圆弧插补指令编程 图 3.1.1 半径编程 图 3.3.5 G 01 编程实例 ...
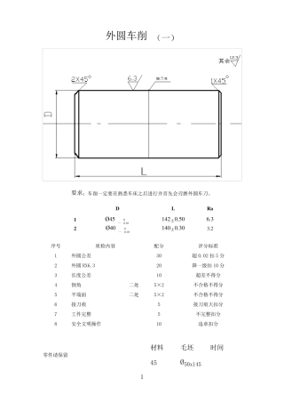
1 外圆车削 (一) 要求:车削一定要在熟悉车床之后进行并首先会刃磨外圆车刀。 D L Ra 1 Ø4 5 — 0 0 .1 0 1 4 2 ±0...
课题序号 1 授课班级 13数控1、2 授课课时 2 授课形式 讲授 授课章节 名称 项目一 数控加工基本知识 模块一:认识数控机床 任...
数控车理论试题 1、 在圆弧指令中的 I 表示圆心的坐标( A )。 A.在 X 轴上的相对坐标; B.在 Z 轴上的相对坐标; C.在 ...
数控车比赛图纸(共7套)
《数控车编程与加工》 课 题 应用插补指令编程加工简单的台阶轴 授课日期 2018 年 6 月 10 日 第 周 授课时数 100H 课时分...
1 数控车床操作工技师理论知识复习题1-100 答案及评分标准 一、 填空题(请将正确答案填入题内空白处。每题1分) 1、数控机床一般由程...
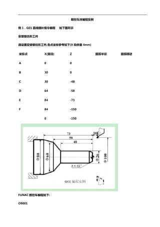
数 控 车 床 编 程 实 例 例 1. G01 直 线 插 补 指 令 编 程 如 下图所示 安装装仿形工件 请设置安装装仿形工件,...

